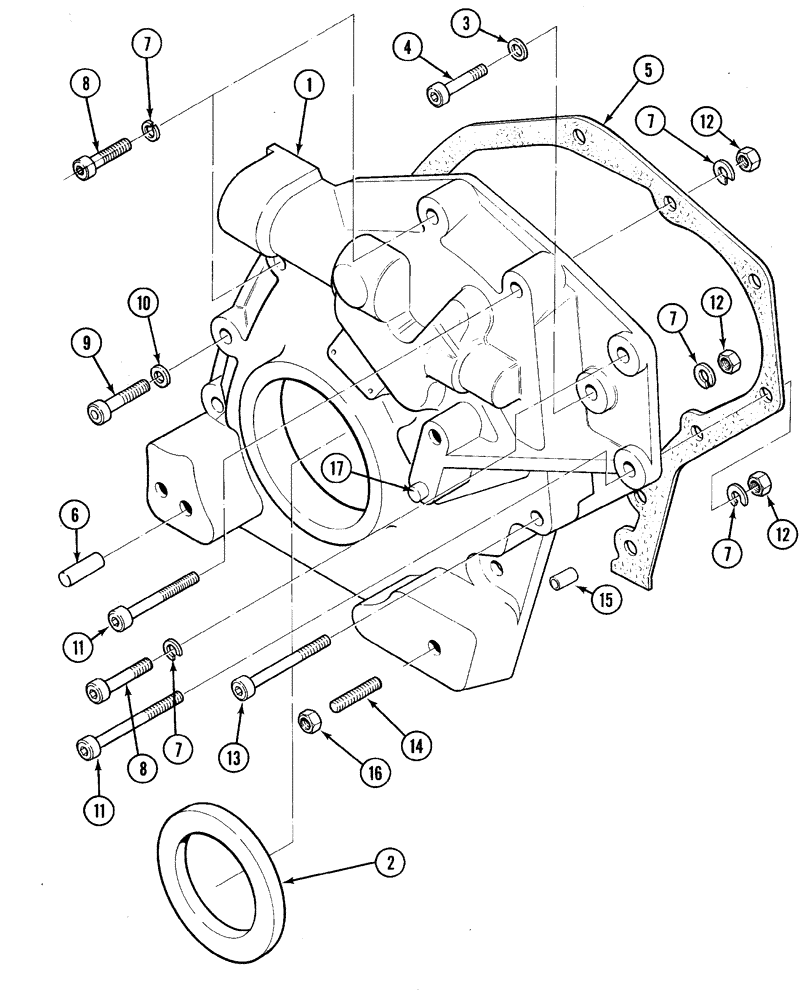
Запчасти Case IH 1835C (2-28) - GEAR COVER, TMD-20 DIESEL ENGINE (02) - ENGINE

Схема запчастей Case IH 1835C - (2-28) - GEAR COVER, TMD-20 DIESEL ENGINE (02) - ENGINE
FIT
1:1
100%

Артикул

Название

Примечание

Количество

1959988C2

PACKAGE

KIT gear cover, Includes: Ref. 1 - 6

1шт.

1

NSS

NOT SOLD SEPARAT

COVER timing gear

1шт.

2

1959709C1

OIL SEAL

oil, crankshaft front, included in kit P/N 1959714C1, see Figure 2-18

1шт.

3

1960000C1

WASHER

flat, special, timing hole plug screw

1шт.

4

864-8016

HEX SOC SCREW,M8 x 16mm, Cl 8.8

SCREW, Hex Soc Hd, M8 x 16, 8.8

1шт.

5

1959712C1

GASKET

timing gear cover, included in kit P/N 1959714C1, see Figure 2-18

1шт.

6

1959713C1

DOWEL

PIN dowel

2шт.

7

892-16010

LOCK WASHER,M10, Hvy

lock, 10 mm, cover to crankcase

8шт.

8

864-10030

HEX SOC SCREW,M10 x 30mm, Cl 8.8

SCREW, Hex Soc Hd, M10 x 30, 8.8

1шт.

9

864-10045

HEX SOC SCREW,M10 x 45mm, Cl 8.8

SCREW, Hex Soc Hd, M10 x 45, 8.8

3шт.

10

10298

COPPER WASHER

copper, cover to crankcase, right center

1шт.

11

864-10070

HEX SOC SCREW,M10 x 70mm, Cl 8.8

SCREW - hex socket, 10-1.5 x 70 mm

1шт.

12

825-1410

NUT,M10, Cl 8

3шт.

13

864-10090

HEX SOC SCREW,M10 x 90mm, Cl 8.8

2шт.

14

1959677C1

STUD

gear, Serial Range: cover-block

2шт.

15

1959679C1

SPACER

tubular, cover to crankcase, lower

2шт.

16

825-1410

NUT,M10, Cl 8

2шт.

17

1959713C1

DOWEL

PIN dowel, cover to HP plate

2шт.

Выбрано товаров: 0