Запчасти Case IH 1835C (2-68) - ALTERNATOR AND CRANKCASE VENTILATION, TM-20 GASOLINE ENGINE (02) - ENGINE

Схема запчастей Case IH 1835C - (2-68) - ALTERNATOR AND CRANKCASE VENTILATION, TM-20 GASOLINE ENGINE (02) - ENGINE
FIT
1:1
100%

Артикул

Название

Примечание

Количество

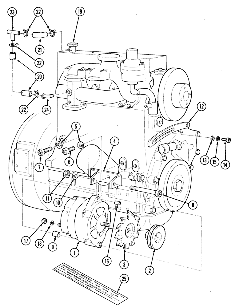
1

REF

INSTRUCTION

ALTERNATOR ASSEMBLY, engine, 65 ampere, for correct assembly and components see Figure 4-02 and 4-04

1шт.

2

1959998C1

PULLEY

alternator

1шт.

3

1959997C1

FAN

alternator

1шт.

4

1959850C1

BRACKET

alternator

1шт.

5

892-16012

LOCK WASHER,M12, Hvy

lock, 12 mm

2шт.

6

864-12025

HEX SOC SCREW,M12 x 25mm, Cl 8.8

BOLT hex socket, 12-1.75 x 25 mm

1шт.

7

864-12030

HEX SOC SCREW,M12 x 30mm, Cl 8.8

BOLT hex socket, 12-1.75 x 30 mm

1шт.

8

864-10110

HEX SOC SCREW,M10 x 110mm, Cl 8.8

BOLT hex socket, 10-1.5 x 110 mm

1шт.

9

1959851C1

SPACER

tubular, alternator to bracket, rear

1шт.

10

892-16010

LOCK WASHER,M10, Hvy

lock, 10 mm

1шт.

11

825-1410

NUT,M10, Cl 8

1шт.

12

1959999C1

STRAP

adjusting

1шт.

13

396-31041

WASHER,10.31mm ID x 20.63mm OD x 3.4mm Thk

1шт.

14

864-8040

HEX SOC SCREW,M8 x 40mm, Cl 8.8

BOLT hex socket, 8-1.25 x 40 mm

1шт.

15

892-11008

LOCK WASHER,8mm ID

WASHER, LOCK, M8

1шт.

16

1959853C1

SPACER

tubular

1шт.

17

825-1406

NUT,M6, Cl 8

1шт.

18

492-11025

LOCK WASHER,1/4"

WASHER, LOCK, 1/4"

1шт.

19

1959753C1

CAP

oil filler

1шт.

20

NSS

NOT SOLD SEPARAT

HOSE, elbow to tee, cut from P/N S118466X

1шт.

21

1959894C1

HOSE

formed, filler cap to tee, 90°

1шт.

22

1959881C1

CLAMP

spring type

4шт.

23

1959895C1

TEE

white metal, special

1шт.

24

1959892C1

ELBOW

restrictor, 0.082 inch orifice, intake manifold

1шт.

25

1959946C1

DECAL

alternator instructions

1шт.

S118466X

LARGE HOSE

HOSE bulk, 13/1/2 ID x 7620 mm/300 inch long

1шт.

Выбрано товаров: 26