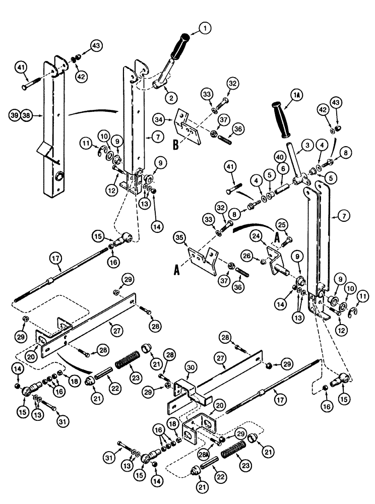
Запчасти Case IH 1835C (6-02) - FORWARD AND REVERSE CONTROL LEVERS AND LINKAGE PRIOR TO P.I.N. JAF0037367 (06) - POWER TRAIN

Схема запчастей Case IH 1835C - (6-02) - FORWARD AND REVERSE CONTROL LEVERS AND LINKAGE PRIOR TO P.I.N. JAF0037367 (06) - POWER TRAIN
FIT
1:1
100%

Артикул

Название

Примечание

Количество

1

D128268

HANDLE

GRIP control lever, black, without hole, if used

1-2шт.

1a

D133282

HANDLE

GRIP control lever, with hole for horn button, if used

1шт.

2

D128278

LEVER

pump control, left-hand

1шт.

3

D133283

LEVER

pump control, right-hand

1шт.

4

D128964

WASHER

flat, special

1шт.

5

D123758

FLANGED BEARING,15.9mm ID x 17.4mm OD x 9.46mm L

BUSHING flange, Replaces: P/N E20959 bushing

4шт.

6

D128243

SPACER

control lever, used with Ref. 7 arm

2шт.

7

H672931

LEVER

ARM control lever, if used

2шт.

8

409-7612

BOLT,3/8"-16 x 1.09" OAL

hex serrated flange, 3/8 NC x 3/4 inch, Used with Ref. 7 arm

4шт.

9

72323

BUSHING,19.07mm ID x 28.57mm OD x 19.05mm L

nylon

4шт.

10

A30881

SEALING WASHER,19.45mm ID x 31.35mm OD

WASHER special, hardened, spacer

1шт.

11

D143416

CIRCLIP,15.09mm ID x 27.81mm OD x 1.57mm Thk

RING retaining, control lever arm, Replaces: P/N D95097 ring

2шт.

12

413-620

BOLT,Hex, 3/8" - 16 x 1-1/4", Gr 5

hex, 3/8 NC x 1-1/4 inch

2шт.

13

495-11041

WASHER,0.406" ID x 0.812" OD x 0.065" W

flat, (13/32 x 13/16 x 1/16")

8шт.

14

232-4116

NUT,3/8"-16, GC

NUT, LOCK, 3/8"-16, GC

4шт.

15

A32398

BALL JOINT

JOINT ball, female, 3/8 inch NF, Replaces: P/N S108030 joint

4шт.

16

425-116

NUT,3/8" - 24, Gr 5

Hex 3/8"-24, G5

8шт.

17

D128248

ROD

control, pump cross shaft

2шт.

18

D143417

SPACER,10.31mm ID x 15.88mm OD x 6.4mm L

10 ID x 16 OD x 6 mm long, Replaces: P/N D123539 spacer

2шт.

20

D127561

BRACKET

spring retaining

2шт.

21

D63156

SPRING CUP

SEAT spring

4шт.

22

H434974

PIN, ROLL

PIN roll, spring

2шт.

23

D70304

COMPRESSION SPRING,0.955" OD x 4.00" L

rod

2шт.

24

D134039

PIVOT ASSY.

BRACKET with shaft, used with Ref. 7 arm

2шт.

25

413-616

BOLT,Hex, 3/8" - 16 x 1", Gr 5

hex, 3/8 NC x 1 inch, Used with Ref. 24 or 44 arm mounting brackets

4шт.

26

231-5146

FLANGE NUT,3/8"-16

Used with Ref. 25 bolt Flg, USR, 3/8"-16

4шт.

27

D127565

BRACKET

BAR mounting, spring retaining bracket

2шт.

28

413-516

BOLT,Hex, 5/16" - 18 x 1", Gr 5

hex, 5/16 NC x 1 inch

7шт.

28a

413-524

BOLT,Hex, 5/16" - 18 x 1-1/2", Gr 5

- hex, 5/16 NC x 1-1/2 inch, right-hand bar lower mounting hole only

1шт.

29

231-5145

SERRATED NUT,Flg, USR, 5/16"-18

NUT hex serrated flange, 5/16 inch NC

8шт.

30

D134974

BRACKET

support bar, right-hand

1шт.

31

413-624

BOLT,Hex, 3/8" - 16 x 1-1/2", Gr 5

hex, 3/8 NC x 1-1/2 inch

2шт.

32

413-620

BOLT,Hex, 3/8" - 16 x 1-1/4", Gr 5

hex, 3/8 NC x 1-1/4 inch, if used

4шт.

Part of Stop Kit, P/N H673166

1шт.

33

495-11041

WASHER,0.406" ID x 0.812" OD x 0.065" W

flat, (13/32 x 13/16 x 1/16"), If used

4шт.

Part of Stop Kit, P/N H673166

1шт.

34

H673167

LARGE PLATE

BRACKET stop control, left-hand lever, if used

1шт.

Part of Stop Kit, P/N H673166

1шт.

35

H673168

LARGE PLATE

BRACKET stop control, right-hand lever, if used

1шт.

Part of Stop Kit, P/N H673166

1шт.

36

178-461

SET SCREW,Hex Soc, 3/8"-16 x 1 1/2"

SCREW set, hex socket headless, 3/8 NC x 1-1/2 inch, flat point, if used

2шт.

Part of Stop Kit, P/N H673166

1шт.

37

425-146

JAM NUT,3/8" - 16, Gr 5

hex, jam, 3/8 inch NC, if used

2шт.

Part of Stop Kit, P/N H673166

1шт.

38

H673190

ARM

control lever, left-hand, used with Ref. 39 arm, if used

1шт.

39

H673191

ARM

control lever, right-hand, used with Ref. 38 arm, if used

1шт.

40

H435707

SPACER,11.66mm ID x 15.88mm OD x 53mm L

control lever, used with Ref. 38 and 39 arms

2шт.

41

411-544

CARRIAGE BOLT,Sq Nk, 5/16" - 18 x 2 3/4", Gr 2

BOLT carriage, 5/16 NC x 2-3/4 inch, grade 2, used with Ref. 38 - 40

2шт.

42

H426775

WASHER

flat, special, hardened

1шт.

43

234-10431

CROWN NUT,Crown, 5/16"-18

2шт.

44

D128237

PIVOT

BRACKET control lever arm, with shaft, used with Ref. 38 and 39 arms

2шт.

H673166

SET

KIT stop, control lever, Includes: Ref. 32 - 37

1шт.

Выбрано товаров: 52