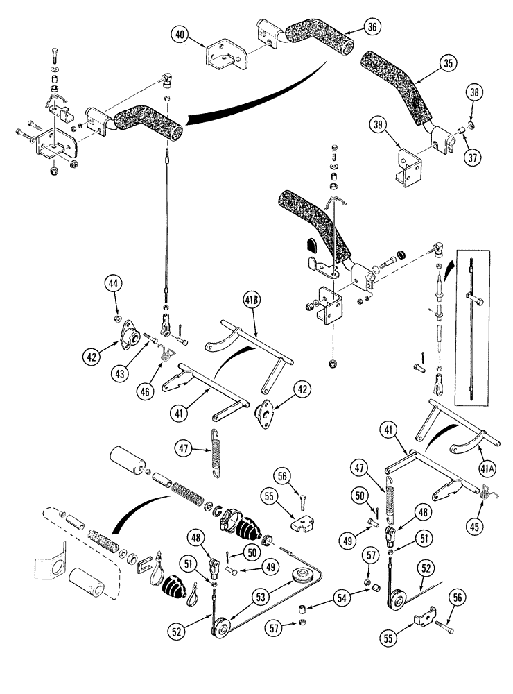
Запчасти Case IH 1835C (7-04) - PARKING LATCH AND SEAT BARS USED ON MODELS WITH DUAL SEAT BARS AND TWO PULLEYS PER SIDE (07) - BRAKES

Схема запчастей Case IH 1835C - (7-04) - PARKING LATCH AND SEAT BARS USED ON MODELS WITH DUAL SEAT BARS AND TWO PULLEYS PER SIDE (07) - BRAKES
FIT
1:1
100%

Артикул

Название

Примечание

Количество

35

H435960

BAR ASSY.

BAR right-hand restraint, includes cushion, no longer available, order P/N H673609 bar and P/N H436484 cushion, see Figure 7-12, Ref. 1 and 3, Serial Range: JAF0037077-JAF0097243

1шт.

36

H435959

BAR

left-hand restraint, includes cushion, no longer available, orderP/N H673608 bar and P/N H436484 cushion, see Figure 7-12, Ref. 2 and 3, Serial Range: JAF0037077-JAF0097243

1шт.

37

H435837

BUSHING,12.7mm ID x 14.45mm OD x 19.05mm L

nylon, if used

2шт.

38

D143415

SNAP RING,0.50” ID, Klipring

RING retaining, if used

2шт.

39

H435879

BRACKET

mounting, right-hand, used with P/N H435960 bar, see Ref. 35, Start Serial: JAF0037077

1шт.

40

H435880

BRACKET

mounting, left-hand, used with P/N H435959 bar, see Ref. 36, Start Serial: JAF0037077

1шт.

41

H672930

PIVOT ASSY.

PIVOT parking latch, no longer available, order pivots P/N's H673162 and H673179, see P/N's H673162 and H673179

1шт.

41a

H673162

PIVOT ASSY.

PIVOT parking latch, right-hand

1шт.

41b

H673179

PIVOT ASSY.

PIVOT parking latch, left-hand

1шт.

42

R29593

FLANGED BEARING,1.125" OD x 0.562"

BEARING flange

4шт.

43

413-412

BOLT,Hex, 1/4" - 20 x 3/4", Gr 5

hex, 1/4 NC x 3/4 inch

8шт.

44

231-5144

SERRATED NUT,Flg, USR, 1/4"-20

8шт.

45

H435621

SPRING

latch pivot, right-hand

1шт.

46

H435620

SPRING

latch pivot, left-hand

1шт.

47

D127347

SPRING

cable connecting

2шт.

48

H169300

CLEVIS

adjustable, 1/4 inch NC

2шт.

49

H169318

CLEVIS COUPLING,6.35mm OD x 22.62mm L

PIN clevis, special

2шт.

50

D131983

COTTER PIN,1.04mm OD x 21.4mm L, Ring

RETAINER clevis pin, special

2шт.

51

425-144

JAM NUT,Jam, 1/4"-20, G5

hex, jam, 1/4 inch NC

2шт.

52

H438695

CABLE

at pulleys, lower, Replaces: P/N D127346 cable

2шт.

53

D124465

PULLEY,54mm OD

cable

4шт.

54

D95743

SPACER

cable pulley, Replaces: P/N D95559 spacer

4шт.

55

D124466

RETAINER

cable pulley

4шт.

56

413-624

BOLT,Hex, 3/8" - 16 x 1-1/2", Gr 5

hex, 3/8 NC x 1-1/2 inch

4шт.

57

231-5146

FLANGE NUT,3/8"-16

4шт.

120923A1

SET

KIT service, parking brake rod, includes instruction sheet, see parts list Figure 6-12

1шт.

Выбрано товаров: 26