Запчасти Case IH 1835C (7-06) - PARKING LATCH AND SEAT BARS USED ON MODELS WITH DUAL SEAT BARS AND TWO PULLEYS PER SIDE (07) - BRAKES

Схема запчастей Case IH 1835C - (7-06) - PARKING LATCH AND SEAT BARS USED ON MODELS WITH DUAL SEAT BARS AND TWO PULLEYS PER SIDE (07) - BRAKES
FIT
1:1
100%

Артикул

Название

Примечание

Количество

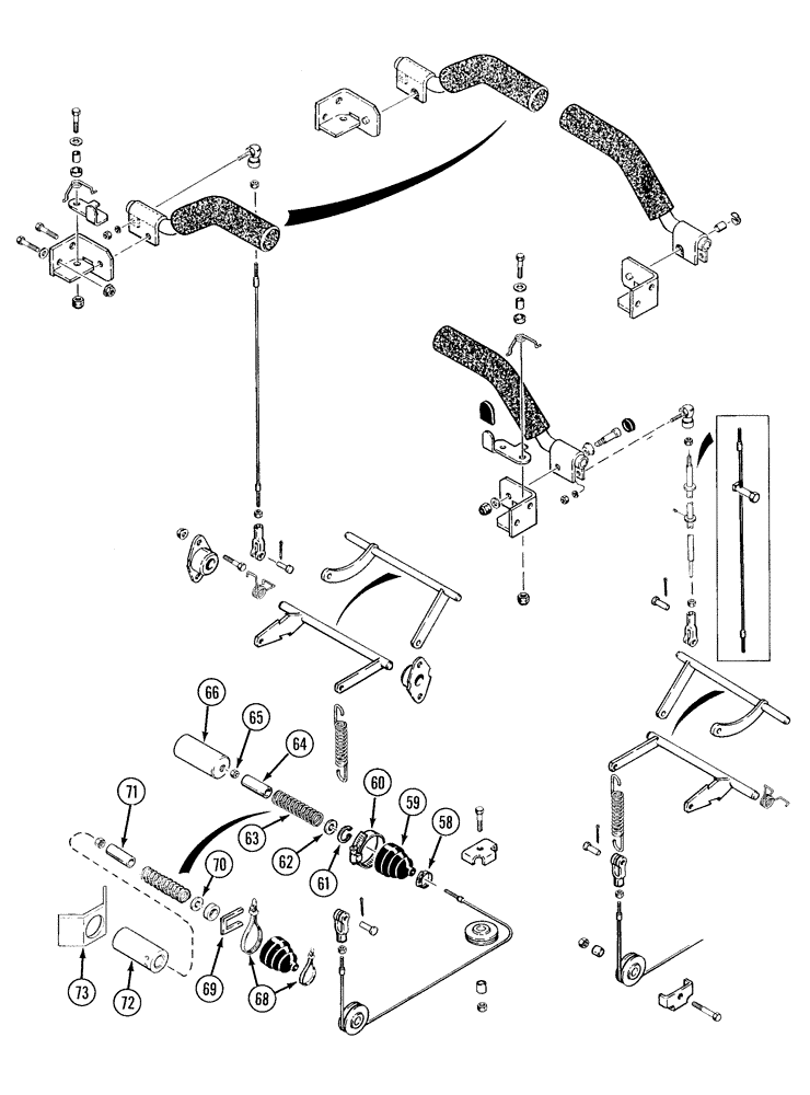
58

214-1704

HOSE CLAMP,#04, 0.25" - 0.62", Type M Worm

CLAMP, HOSE, , Adjusting, Cable end to boot #4, 0.25/0.62 Type M Worm

2шт.

59

D70018

BOOT

rubber, seal

2шт.

60

214-1424

HOSE CLAMP,#24, 1.06" - 2", Type F Worm

CLAMP, HOSE, , Adjustable, Boot at latch pin #24, 1.06/2.00 Type F Worm

2шт.

61

100-21100

SNAP RING,1.00", Int, #100

Ring, Snap, 1.00", Int, #100

2шт.

62

495-81108

WASHER,.281" x 1" x .109"

flat, 9/32 x 1 x 1/8 inch

2шт.

63

D91040

SPRING

at latch pin

2шт.

64

H435266

SPACER

tubular

2шт.

65

425-144

JAM NUT,Jam, 1/4"-20, G5

hex, jam, 1/4 inch NC

2шт.

66

D64228

PIN,25.45mm OD x 53.34mm L

latch

2шт.

H675011

SET

KIT service, parking brake tube, includes instruction sheet, see P/N 109017A1 service kit for P.I.N. JAF0037825 and after, see Figure 7-10, Serial Range: -JAF0037825

2шт.

67

NSS

NOT SOLD SEPARAT

PLATE reinforcing, order P/N H675011 kit, not shown

1шт.

68

L18337

CABLE TIE,9.95"-12.1" lg

STRAP tie, nylon, 15 inch

2шт.

69

H438614

CLIP

retaining

1шт.

70

495-81108

WASHER,.281" x 1" x .109"

flat, 9/32 x 1 x 1/8 inch

1шт.

71

T28521

SPACER

clip

1шт.

72

NSS

NOT SOLD SEPARAT

TUBE brake, order P/N H675011 kit

1шт.

73

D136906

BRACKET

support

1шт.

120923A1

SET

KIT service, parking brake rod, includes instruction sheet, see Figure 6-12

1шт.

Выбрано товаров: 18