Запчасти Case IH 1838 (2-02) - WATER PUMP, KUBOTA V2203 ENGINE (02) - ENGINE

Схема запчастей Case IH 1838 - (2-02) - WATER PUMP, KUBOTA V2203 ENGINE (02) - ENGINE
8
10
7
13
6
1
5
9
11
4
14
2
3
12
FIT
1:1
100%

Артикул

Название

Примечание

Количество

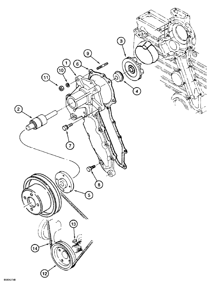
332451A1

WATER PUMP

PUMP ASSEMBLY water, Includes Ref. 1-5

1шт.

1

NSS

NOT SOLD SEPARAT

PUMP water

1шт.

2

NSS

NOT SOLD SEPARAT

BEARING ball, water pump

1шт.

3

NSS

NOT SOLD SEPARAT

IMPELLER water pump

1шт.

4

NSS

NOT SOLD SEPARAT

SEAL mechanical

1шт.

5

NSS

NOT SOLD SEPARAT

FLANGE water pump

1шт.

6

127153A1

GASKET

mounting, water pump

1шт.

7

1959382C1

BOLT

hex, with lockwasher, water pump mounting

2шт.

8

1959155C1

BOLT

BOLT hex, captive washer, special, water pump mounting

8шт.

9

127154A1

STUD

water pump

2шт.

10

1959162C1

LOCK WASHER

lock

2шт.

11

43362

NUT,M8 x 1.25, Cl 10

M8, Cl 10

2шт.

12

127111A1

FAN

PULLEY fan drive

1шт.

13

126492A1

KEY

feather

1шт.

14

127113A1

V-BELT

Fan

1шт.

Выбрано товаров: 15