Запчасти Case IH 1838 (3-06) - GOVERNOR CONTROL ASSEMBLY, KUBOTA V2203 ENGINE (03) - FUEL SYSTEM

Схема запчастей Case IH 1838 - (3-06) - GOVERNOR CONTROL ASSEMBLY, KUBOTA V2203 ENGINE (03) - FUEL SYSTEM
10
6
2
15
14
5
7
3
4
11
9
6
12
8
1
13
FIT
1:1
100%

Артикул

Название

Примечание

Количество

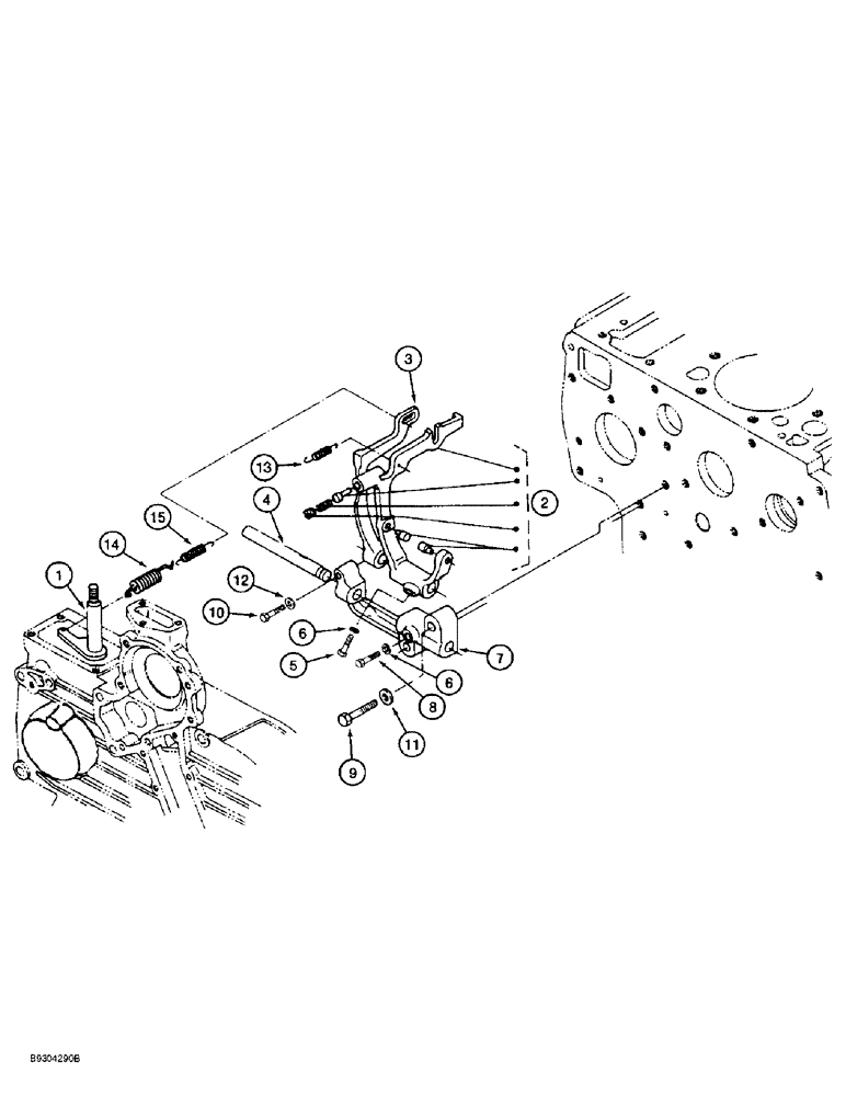
1

221629A1

LEVER

governor

1шт.

221631A1

LEVER

ASSEMBLY, fork, complete set, Includes Ref. 2-8

1шт.

2

221641A1

LEVER

fork, No. 1

1шт.

3

127077A1

LEVER

fork, No. 2

1шт.

4

127080A1

SHAFT

fork lever

1шт.

5

127081A1

BOLT

shaft lever

1шт.

6

1959206C1

SPRING WASHER

lock, special

2шт.

7

221642A1

SUPPORT

HOLDER fork lever

1шт.

8

127084A1

BOLT,Hex

hex, special, holder

1шт.

9

126138A1

CAPTIVE WASHER SCREW,Hex

hex, special

2шт.

10

1959430C1

BOLT

hex, special

1шт.

11

126373A1

SPRING WASHER

WASHER flat

2шт.

12

127086A1

WASHER

flat

1шт.

13

221632A1

SPRING

start

1шт.

14

221633A1

SPRING

governor, No. 1

1шт.

15

127089A1

SPRING

governor, No. 2

1шт.

Выбрано товаров: 16