Запчасти Case IH 1838 (4-04) - STARTER ASSEMBLY, KUBOTA V2203 ENGINE (04) - ELECTRICAL SYSTEMS

Схема запчастей Case IH 1838 - (4-04) - STARTER ASSEMBLY, KUBOTA V2203 ENGINE (04) - ELECTRICAL SYSTEMS
21
6
3
4
20
12
14
15
18
11
9
16
7
10
19
5
8
17
2
13
1
FIT
1:1
100%

Артикул

Название

Примечание

Количество

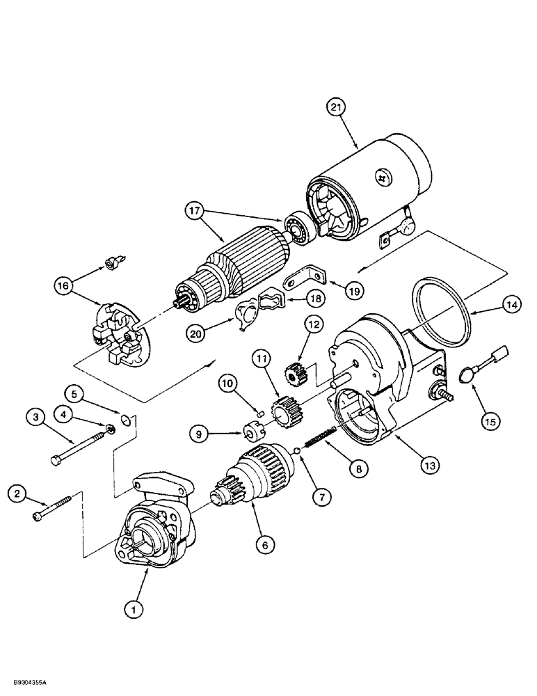
1

126895A1

STARTING MOTOR

STARTER ASSEMBLY, engine, see Figure 2-26 for mounting parts, Includes Ref. 2-21

1шт.

2

221639A1

BOLT

pan head

2шт.

3

202525A1

BOLT

BOLT hex

2шт.

4

1959206C1

SPRING WASHER

lock, special

2шт.

5

129626A1

O-RING

sealing

2шт.

6

202516A1

SWITCH

over running

1шт.

7

129531A1

BALL

steel

1шт.

8

129532A1

SPRING

detent

1шт.

9

129530A1

STOP

RETAINER gear

1шт.

10

129529A1

PIN

roll

5шт.

11

129528A1

GEAR

starter

1шт.

12

202517A1

GEAR

starter

1шт.

13

202522A1

SWITCH

magnetic

1шт.

14

129539A1

O-RING

sealing

1шт.

15

129630A1

ELECTRICAL WIRE

WIRE connecting

1шт.

16

202520A1

BRUSH ASSY.

HOLDER brush

1шт.

17

202514A1

ARMATURE

starter

1шт.

18

129622A1

INSULATOR

starter

1шт.

19

129619A1

TERMINAL CONNECTOR

TERMINAL cover

1шт.

20

129624A1

COVER

terminal

1шт.

21

202513A1

STATOR

YOKE starter

1шт.

Выбрано товаров: 21