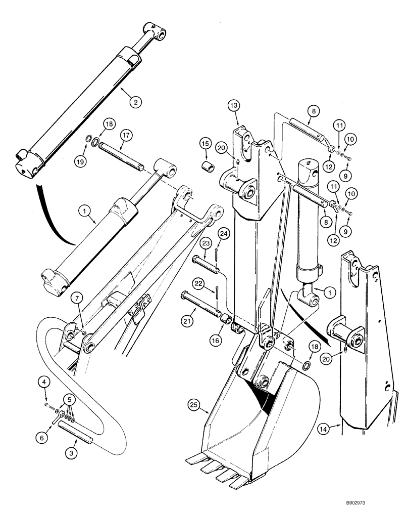
Запчасти Case IH 1840 (09-58) - BACKHOE - DIPPER AND BUCKET (D100, D100XR) (09) - CHASSIS/ATTACHMENTS

Схема запчастей Case IH 1840 - (09-58) - BACKHOE - DIPPER AND BUCKET (D100, D100XR) (09) - CHASSIS/ATTACHMENTS
11
21
17
7
13
4
20
1
19
18
1
23
8
12
16
8
25
10
2
3
5
18
9
6
14
24
22
15
12
20
10
9
11
FIT
1:1
100%

Артикул

Название

Примечание

Количество

1

G100936

CYLINDER,Double Acting, 38.1mm Rod, 371.35mm Stroke

3 (76) ID x 14-5/8 in (372 mm) stroke; Bucket; D100 And D100XR Backhoe; D100 Dipper Cylinder; See Figure 08-44

2шт.

2

G109376

CYLINDER BLOCK

3 (76) ID x 23-13/16 in (605 mm) stroke; Dipper; D100XR Backhoe Only; See Figure 08-45

1шт.

3

H50690

AXLE PIN,28.57mm OD x 171.45mm L

Dipper Cylinder Closed End To Boom

1шт.

4

413-624

BOLT,Hex, 3/8" - 16 x 1-1/2", Gr 5

D100 Backhoe Only

1шт.

4

413-628

BOLT,Hex, 3/8" - 16 x 1-3/4", Gr 5

D100XR Backhoe Only

1шт.

5

496-21041

WASHER,13/32" x 13/16" x .089", HDN

4шт.

5

495-11041

WASHER,0.406" ID x 0.812" OD x 0.065" W

(13/32 x 13/16 x 1/16"), D100XR Backhoe Only

4шт.

6

H313981

PIN

1шт.

7

230-4216

LOCK NUT,3/8"-16, GA

1шт.

8

H50690

AXLE PIN,28.57mm OD x 171.45mm L

Dipper Cylinder Rod End To Dipper And Bucket Cylinder Closed End To Dipper

2шт.

9

413-620

BOLT,Hex, 3/8" - 16 x 1-1/4", Gr 5

D100 Backhoe Only

2шт.

9

413-624

BOLT,Hex, 3/8" - 16 x 1-1/2", Gr 5

D100XR Backhoe Only

2шт.

10

492-11038

LOCK WASHER,3/8"

2шт.

11

496-21041

WASHER,13/32" x 13/16" x .089", HDN

D100 Backhoe Only

2шт.

11

495-11041

WASHER,0.406" ID x 0.812" OD x 0.065" W

(13/32 x 13/16 x 1/16"), D100XR Backhoe Only

2шт.

12

H313981

PIN

2шт.

H514687

BOOM

Backhoe; D100 Backhoe Only

1шт.

H645234

BOOM

Backhoe; D100XR Backhoe Only; Incl. 13 - 16

1шт.

13

NSS

NOT SOLD SEPARAT

Dipper; Backhoe; Used With H514687

1шт.

14

NSS

NOT SOLD SEPARAT

Dipper; Backhoe; Used With H645234

1шт.

15

H56192

BUSHING,28.91mm ID x 36.63mm OD x 44.45mm L

Dipper Pivot

2шт.

16

H56184

BUSHING,29.08mm ID x 44.5mm OD x 28.6mm L

Bucket Pivot

2шт.

17

H50658

PIVOT

Boom To Dipper

1шт.

18

195-81016

WASHER,1.140" x 1 7/8" x .032"

1шт.

19

103-11112

SNAP RING,#112, Ext

2шт.

20

219-8

LUBE NIPPLE,1/4" - 28 NPTF

1шт.

21

H50682

PIN

Bucket Pivot; Dipper To Bucket

1шт.

22

432-2432

COTTER PIN,3/8" x 2"

D100 Backhoe Only

1шт.

22

432-2428

COTTER PIN,3/8" x 1 3/4"

D100XR Backhoe Only

1шт.

23

H257048

PIN,28.5mm OD x 146.05mm L

Mounting

1шт.

24

432-1628

COTTER PIN,1/4" x 1 3/4"

Bucket cylinder pin

1шт.

25

REF

INSTRUCTION

Bucket; See Figure 09-59 - 09-61

1шт.

Выбрано товаров: 32