Запчасти Case IH 1840 (03-14) - THROTTLE CONTROL - FUEL LINES, EMISSIONS CERTIFIED ENGINE (03) - FUEL SYSTEM

Схема запчастей Case IH 1840 - (03-14) - THROTTLE CONTROL - FUEL LINES, EMISSIONS CERTIFIED ENGINE (03) - FUEL SYSTEM
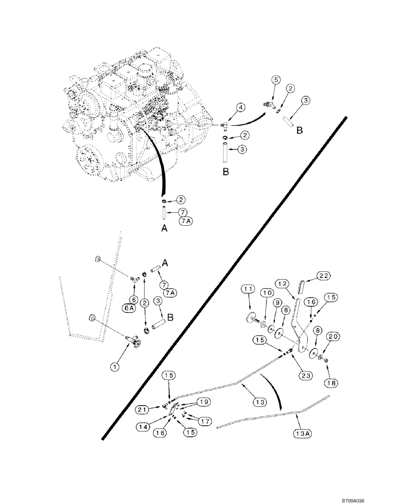
11
2
10
3
20
15
21
8
7a
7a
13a
6
16
15
7
12
15
7
2
2
1
16
5
17
2
6
8
23
14
22
19
4
9
3
3
18
15
13
FIT
1:1
100%

Артикул

Название

Примечание

Количество

1

H434805

VALVE

Fuel Shutoff

1шт.

2

214-1704

HOSE CLAMP,#04, 0.25" - 0.62", Type M Worm

4шт.

3

D124109

FUEL HOSE

1200 mm (47-1/4 inch); Cut From A21562X Bulk Hose

1шт.

4

217-132

90 ELBOW,90 Degree Elbow, 3/8" Hose Barb x 1/4" Male NPTF

Use with Fuel Injection Pump J933090; See Figure 03-07

1шт.

5

217-142

ELBOW,45 Degree Elbow, 3/8" Hose Barb x 1/4" Male NPTF

45 degree, 3/8 stem end x 1/4 inch PT; Use With Fuel Injection Pump J935679; See Figure 03-12

1шт.

6

217-291

FITTING,90 Degree Elbow, 5/16" Hose Barb x 1/8" Male NPTF

5/16 barb end x 1/8 inch PT; Use with Fuel Injection Pump J933090; See Fig 03-11

1шт.

6a

217-292

FITTING,90 Degree Elbow, 1/4" Hose Barb x 1/8" Male NPTF

Use with Fuel Injection Pump J935679; See Figure 03-12

1шт.

7

H433707

HOSE

1575 mm (62 inch); Cut From S120317X Bulk Hose; Use With Fuel Injection Pump J933090; See Figure 03-11

1шт.

7a

D127925

HOSE,6.35 mm ID x 1420.00 mm, SAE 30R6 or SAE 30R7

Cut From A21561X Bulk Hose; Use With Fuel Injection Pump J935679; See Figure 03-12

1шт.

A21561X

HOSE,6.35mm ID x 7620mm L

6 (1/4) x 13 (1/2) x 7620 mm (300 inch)

1шт.

A21562X

LARGE HOSE,9.65mm ID x 711.2mm L

HOSE,LARGE 10 (3/8) ID x 7620 mm (300 inch)

1шт.

S120317X

HOSE

8 (5/16) ID x 7620 mm (300 inch)

1шт.

8

1342374C1

DISC

2шт.

9

257971A1

WASHER,13.1mm ID x 48mm OD x 3.05mm Thk

1шт.

10

257973A1

SEALING WASHER,12.5mm ID x 36mm OD x 10mm Thk

1шт.

11

291244A1

LEVER

Throttle

1шт.

12

291245A1

HANDLE

Throttle Control

1шт.

13

291227A2

STEM

Use With Fuel Injection Pump J933090; See Figure 03-11

1шт.

13a

335720A1

STEM

Use With Fuel Injection Pump J935679; See Figure 03-12

1шт.

14

291506A1

LEVER

Throttle; Use With REF 13

1шт.

15

425-114

NUT,1/4"-28, G5

4шт.

16

492-11025

LOCK WASHER,1/4"

2шт.

17

614-6012

BOLT,Hex, M6 x 1 x 12mm, Cl 8.8, Full Thd

Use with Ref. 13

2шт.

18

832-41312

NUT,M12 x 1.75, Cl 10

1шт.

19

892-11006

LOCK WASHER,M6

Use with Ref 13

2шт.

20

896-11012

WASHER,13.5mm ID x 24mm OD x 3mm Thk

1шт.

21

A10329

BALL JOINT,1/4" - 28 x 1"

1/4 inch NF

1шт.

22

D126613

HANDLE

Vinyl

1шт.

23

H169920

BALL JOINT

1/4 inch NF

1шт.

Выбрано товаров: 0