Запчасти Case IH 1845 (028) - MANIFOLDS, (159) SPARK IGNITION ENGINE, CARBURETOR (10) - ENGINE

Схема запчастей Case IH 1845 - (028) - MANIFOLDS, (159) SPARK IGNITION ENGINE, CARBURETOR (10) - ENGINE
29
7
14
21
30
23
13
31
32
27
20
4
28
8
11
6
10
1
5
15
9
2
12
22
FIT
1:1
100%

Артикул

Название

Примечание

Количество

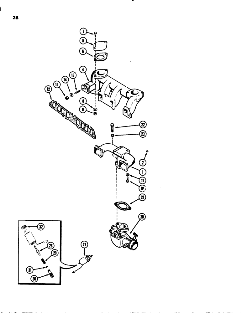
1

A37004

MANIFOLD

intake

1шт.

2

221-1012

DRAIN PLUG,Sq Hd, 1/4"-18 NPTF

PLUG square head, 1/4" PT

1шт.

A39231

MANIFOLD ASSY

MANIFOLD ASSEMBLY, exhaust, Includes Ref. 4-9

1шт.

4

NSS

NOT SOLD SEPARAT

MANIFOLD exhaust

1шт.

5

A38188

PLATE

exhaust manifold

2шт.

6

G46853

MANIFOLD GASKET

manifold plates

2шт.

7

13-624

BOLT,Hex, 3/8" - 16 x 1-1/2", Gr 5

plate, 3/8" x 1-1/2" NC hex

4шт.

8

195-25

WASHER,3/8"

x 13/16" x 1/16", 9.52 mm x 20.64 mm x 1.59 mm 3/8"

4шт.

9

131-903

NUT,3/8"-16

NUT Seez-Pruf, 3/8" NC

4шт.

10

13-640

BOLT,Hex, 3/8" - 16 x 2-1/2", Gr 5

manifold attaching, 3/8" x 2-1/2" NC hex

2шт.

11

92-6

LOCK WASHER,3/8"

2шт.

12

A30030

GASKET

intake and exhaust manifolds

1шт.

13

A29431

STUD

manifold to head, 3/8" NC x 1-3/4"

7шт.

14

A30058

WASHER

3/8" x 7/8" x 1/8", 9.52 mm x 22.22 mm x 3.17 mm

4шт.

14

195-25

WASHER,3/8"

x 13/16" x 1/16", 9.52 mm x 20.64 mm x 1.59 mm 3/8"

3шт.

15

131-903

NUT,3/8"-16

NUT brass, 3/8" NC hex

7шт.

20

REF

INSTRUCTION

CARBURETOR ASSEMBLY, See Figure 50, carburetor

1шт.

21

G46826

GASKET

curburetor to manifold, carburetor

1шт.

Replaced by 1342824C1, 03/20/96

1шт.

22

13-614

BOLT,Hex, 3/8" - 16 x 7/8", Gr 5, Full Thd

Carburetor to manifold, carburetor Hex, 3/8"-16 x 7/8", G5, Full Thd

2шт.

23

92-6

LOCK WASHER,3/8"

carburetor 3/8"

2шт.

27

A38253

SOLENOID

ASSEMBLY, anti dieseling, Includes Ref. 28-32, carburetor

1шт.

28

NSS

NOT SOLD SEPARAT

PLUNGER solenoid, order A38253, carburetor

1шт.

29

A41557

SPRING

plunge, 3/4" free length, carburetor

1шт.

30

A41559

SCREW

spring adjusting, carburetor

1шт.

31

A41558

O-RING

adjusting screw, 5/32" x 3/16" x 1/16", 3.97 mm x 4.76 mm x 1.59 mm, carburetor

1шт.

32

B51707

GASKET

solenoid, carburetor

1шт.

Выбрано товаров: 27