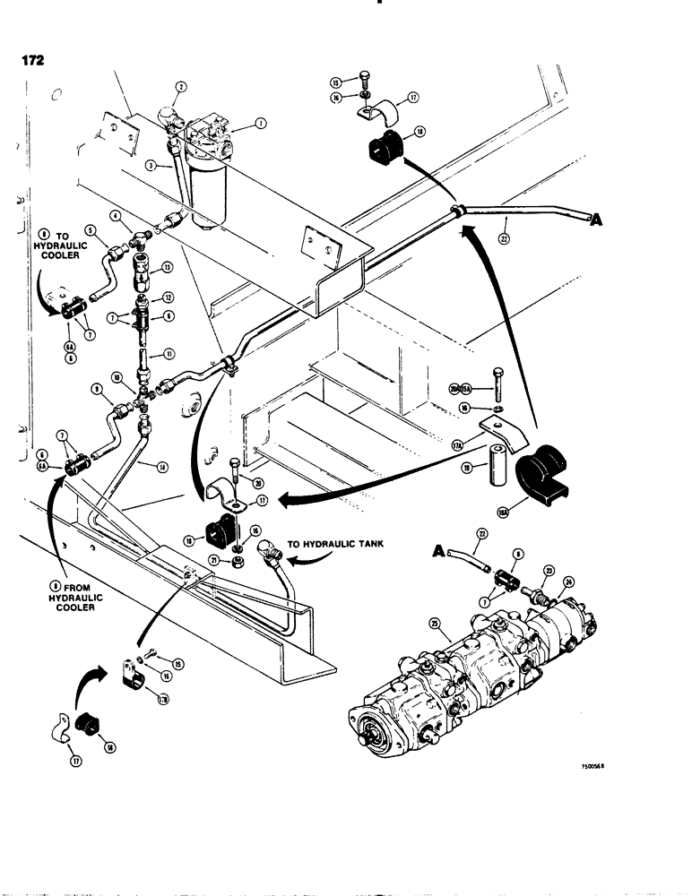
Запчасти Case IH 1845 (172) - HYDRAULIC COOLING CIRCUIT (35) - HYDRAULIC SYSTEMS

Схема запчастей Case IH 1845 - (172) - HYDRAULIC COOLING CIRCUIT (35) - HYDRAULIC SYSTEMS
7
20
5
24
18a
22
23
11
16
15
7
7
6
19
17
17b
22
14
4
18
1
6
15a
18
8
9
6
12
17a
16
2
6a
13
10
6
21
17
8
20a
16
6a
16
15
25
18
1
17
3
FIT
1:1
100%

Артикул

Название

Примечание

Количество

1

D64076

FILTER

hydraulic oil, parts list Figure 214

1шт.

2

218-1046

ELBOW,90 Degree, 1 1/16"-12, 37 Degree x 1"-11 1/2, NPTF

FITTING male, 90 degree

1шт.

3

D70467

TUBE,0.75" OD x 3.5, 9" L

hydraulic

1шт.

4

218-556

TEE,1 1/16"-12, 37 Degree x 3/4"-14, NPTF Br

FITTING male, 3 way

1шт.

5

D70465

TUBE,0.75" OD x 3.55, 6.83" L

before tractor S/N 9836051

1шт.

5

D74996

TUBE tractor S/N 9836051 and after 0.75" OD x 2.84, 8.3" L

1шт.

6

D24728

HOSE

3/4" ID x 4-1/2", 19 mm x 114.3 mm

3-5шт.

6a

R20804

HOSE,19.00 mm ID x 76.20 mm, SAE 100R3

2шт.

7

214-255

HOSE CLAMP,#16, 0.81" - 1.5", Type F Worm

10шт.

8

D70554

COOLER

oil, not shown, see Figures 12, 14, and 16 for mounting

1шт.

9

D70465

TUBE,0.75" OD x 3.55, 6.83" L

before tractor S/N 9836051

1шт.

9

D74996

TUBE tractor S/N 9836051 and after 0.75" OD x 2.84, 8.3" L

1шт.

10

218-656

4 WAY CONNECTION,1 1/16"-12, 37 Degree

FITTING cross

1шт.

11

D69218

TUBE,0.75" OD x 8.5" L

hydraulic

1шт.

12

217-155

FITTING,3/4" Hose Barb x 3/4" Male NPTF

hose barb

1шт.

13

R27233

VALVE

RELIEF VALVE

1шт.

14

D70463

TUBE,0.75" OD x 10.45, 26.56" L

hydraulic

1шт.

15

13-612

BOLT,Hex, 3/8" - 16 x 3/4", Gr 5, Full Thd

1-2шт.

15a

13-628

BOLT,Hex, 3/8" - 16 x 1-3/4", Gr 5

If used Hex, 3/8"-16 x 1 3/4", G5

1шт.

16

92-6

LOCK WASHER,3/8"

3шт.

17

D74192

CLAMP

tube, if used

3шт.

17a

D67210

CLAMP tube, if used

2шт.

17b

D40471

CLAMP

P-style, if used

1шт.

18

D74182

GROMMET,3/4" ID x 1.46" L

PAD rubber, used with D74192 clamp

3шт.

18a

D95794

PAD

rubber, used with D67210 clamp

2шт.

19

D53393

SPACER

tube, used with D67210 clamp

2шт.

20

13-616

BOLT,Hex, 3/8" - 16 x 1", Gr 5, Full Thd

1шт.

20a

13-636

BOLT,Hex, 3/8" - 16 x 2-1/4", Gr 5

If used Hex, 3/8"-16 x 2 1/4", G5

1шт.

21

25-106

NUT,3/8"-16, G5

hex, 3/8" - 16 NC

1шт.

22

D70461

TUBE,0.75" OD x 48.51, 11.38" L

hydraulic

1шт.

23

217-177

FITTING,3/4" Hose Barb x 1-1/16" - 12 Male ORB

hose barb, Includes Ref. 24

1шт.

24

218-5008

O-RING,0.116" Thk x 0.924" ID, -912, Cl 6, 90 Duro

1шт.

25

REF

INSTRUCTION

PUMP tandem, parts list Figure 152

1шт.

Выбрано товаров: 33