Запчасти Case IH 1845B (046) - CYLINDER BLOCK, 188 DIESEL ENGINE (02) - ENGINE

Схема запчастей Case IH 1845B - (046) - CYLINDER BLOCK, 188 DIESEL ENGINE (02) - ENGINE
34
25
14
1
4
30
39
13
22
35
12
32
16
8
3
23
38
33
24
2
6
19
26
29
11
15
31
5
20
21
10
17
7
14
28
18
36
27
FIT
1:1
100%

Артикул

Название

Примечание

Количество

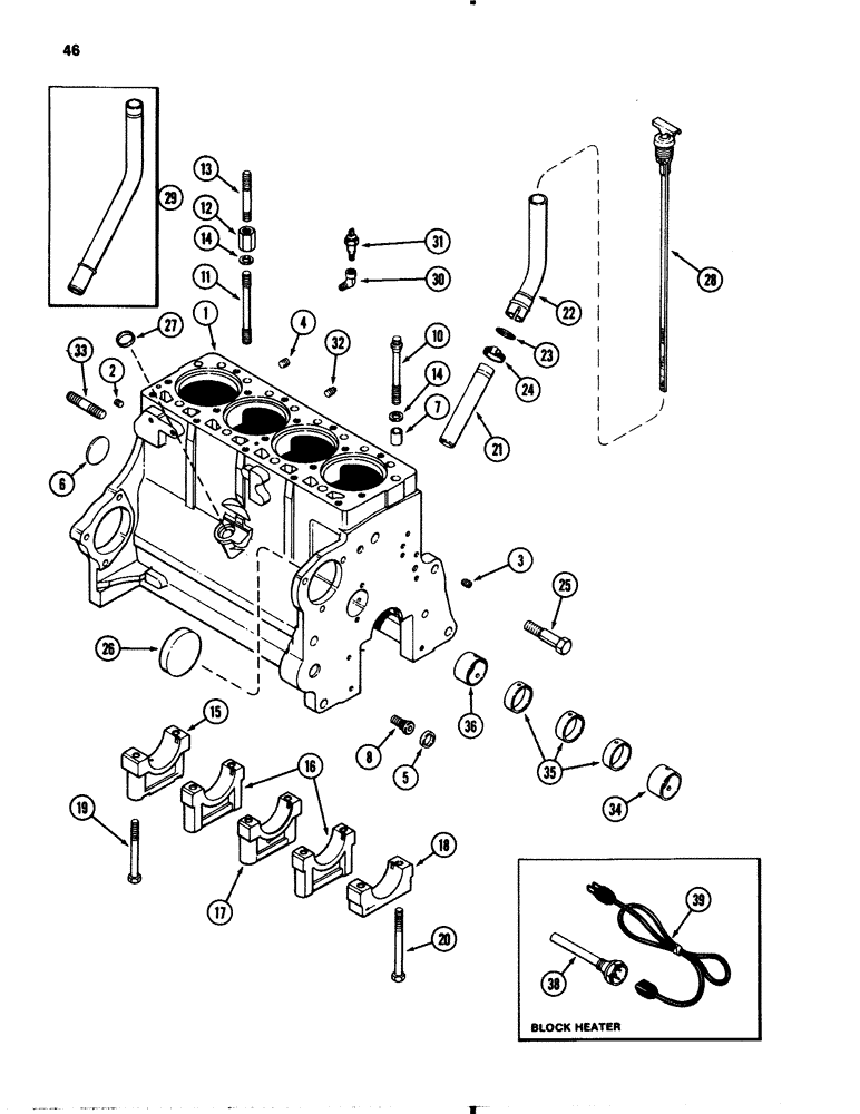
A46352

CRANKCASE

BLOCK ASSEMBLY short Includes stripped block, piston assembly, connecting rods and bearings, crankshaft and bearings, camshaft, oil pump and timing gears

1шт.

1

A46351

BASIC BLOCK

BLOCK ASSEMBLY stripped Casting No. 976433, Inc: Ref. 2 - 27

1шт.

2

217-433

PLUG,Hex Soc, 1/4" - 18 NPTF

Oil gallery Hex Soc, 1/4"-18 NPTF

3шт.

3

G49070

PLUG

oil gallery, drilled socket head, 1/4 inch PT

1шт.

4

221-1032

DRAIN PLUG,Sq Soc, 3/8"-18 NPTF

PLUG water gallery, socket head, 3/8 inch PT

1шт.

5

41-1016

PLUG,Cup, 1"

adapter hole, 1 inch cup type, 25 mm

1шт.

6

41-1030

PLUG,Cup, 1 7/8"

camshaft hole, 1-7/8 inch cup type, 48 mm

1шт.

7

G49608

RING

dowel, head locating

2шт.

8

A153552

ADAPTER

oil filter

1шт.

10

A39047

12 PT SCREW

BOLT 12 point head, 1/2 NC x 3-1/2 inch

4шт.

10

A39048

12 PT SCREW

BOLT 12 point head, 1/2 NC x 5-1/8 inch

11шт.

10

A39049

12 PT SCREW

BOLT 12 point head, 1/2 NC x 5-5/8 inch

2шт.

11

A36902

STUD

1/2 NC x 5-5/8 inch

2шт.

12

A51114

NUT

1/2 inch NC and 3/8 inch NC

2шт.

13

A51271

STUD

3/8 NC x 3-3/4 inch

2шт.

14

A39046

WASHER,13.11mm ID x 22.23mm OD x 3.34mm Thk

1/2 x 7/8 x 1/8 inch, 13 x 22 x 3 mm

19шт.

15

A38385

CAP

main bearing, rear

1шт.

16

G2128

CAP

main bearing, intermediate

2шт.

17

G2127

CAP

main bearing, center

1шт.

18

G2126

CAP

main bearing, front

1шт.

19

26-872

BOLT,Hex, 1/2" - 13 x 4-1/2", Gr 8

bearing caps, hex, 1/2 NC x 4-1/2 inch

8шт.

20

26-882

BOLT,Hex, 1/2" - 13 x 5-1/8", Gr 8

front bearing cap, hex, 1/2 NC x 5-1/8 inch

2шт.

21

A37149

TUBE

oil filler and dipstick See Ref 29, Used in repair block only

1шт.

22

A37407

TUBE

EXTENSION oil filler tube See Ref 29, Used with A37149 oil filler tube only

1шт.

23

A27342

O-RING,1.109" ID x 1.387" OD x 0.139"

tube, 1-1/8 x 1-3/8 x 1/8 inch, 29 x 35 x 3 mm

1шт.

24

214-256

HOSE CLAMP,#20, 0.81" - 1.75", Type F Worm

CLAMP tube, 1-3/16 to 1-3/4 inch, 30 x 44 mm

1шт.

25

A38303

BOLT

BOLT front support, hex, 5/8 NC x 3-3/16 inch, Not used this application

1шт.

26

41-1052

PLUG,Cup, 3 1/4"

COVER auxiliary drive opening, 3-1/4 inch cup type 89 mm

1шт.

27

A38534

PLUG

tach drive hole, 1-1/16 inch cup type 27 mm

1шт.

28

A136379

DIPSTICK

ASSEMBLY engine oil level

1шт.

29

A140185

COUPLING

oil filler and dipstick Order separately, Used in JI Case Installed block only

1шт.

30

217-15

ELBOW,45 Degree, 1/8"-27 NPTF, Fem x 1/8"-27 NPTF Male

sending unit, 45 degree

1шт.

31

A162297

SWITCH

SENDING UNIT engine oil pressure

1шт.

32

221-841

PLUG

drain, hex head, 1/4 inch PT

1шт.

33

A51412

STUD

5/8 NF x 1-3/4 inch

1шт.

34

A41230

BUSHING,44.45mm ID x 47.75mm OD x 31.06mm L

camshaft front, 1-1/4 inch wide 32 mm

1шт.

35

A41231

BUSHING,44.5mm ID x 47.78mm OD x 12.45mm L

BUSHING camshaft intermediate, 1/2 inch wide 13 mm

3шт.

36

A151068

BUSHING,44.51mm ID x 47.92mm OD x 24.64mm L

camshaft rear, 31/32 inch wide 25 mm

1шт.

38

A44815

HEATER

ASSEMBLY cylinder block, Inc: Ref. 39 blocj heater

1шт.

39

A44814

ELECTRIC CABLE

CORD heater, 12 inch long 305 mm, block heater

1шт.

Выбрано товаров: 40