Запчасти Case IH 1845B (178) - G100295 LOADER LIFT CYLINDER (08) - HYDRAULICS

Схема запчастей Case IH 1845B - (178) - G100295 LOADER LIFT CYLINDER (08) - HYDRAULICS
4
2
9
14
15
8
18
13
7
16
12a
3
6
11
7a
17
18
1
17
2
5
10
FIT
1:1
100%

Артикул

Название

Примечание

Количество

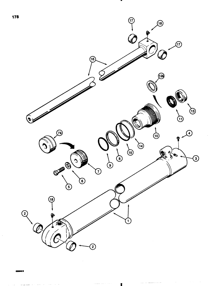
G100295

CYLINDER

loader lift, 2-1/2", 64 mm ID x 29-1/2", 749 mm stroke, Inc: Ref. 1 - 18

2шт.

117903A1R

REMAN-HYD CYLINDER

1845B, Reman for new P/N G100295.

2шт.

117903A1C

CORE-HYD CYLINDER

Return Number

1шт.

1

G100296

TUBE

cylinder, Inc: Ref. 2

1шт.

2

D34359

BUSHING,25.63mm ID x 34.92mm OD x 15.75mm L

tube eye

2шт.

3

221-1849

PLUG

hex socket head, 1/8" NPT

1шт.

4

187-1524

SELF-TAP SCREW,Hex Hd, #8 x 3/8"

SCREW self-tapping, No. 8 - 32 NC x 3/8", if used

1шт.

5

28-1232

BOLT,Hex, 3/4" - 16 x 2", Gr 8

1шт.

6

G32317

WASHER,33.34mm ID x 63.5mm OD x 2.38mm Thk

special

1шт.

7

G104100

PISTON

cylinder, single groove, replaces S220090 double groove piston used in some cylinders

1шт.

8

G33140

RING,59.68mm ID x 64.26mm OD x 3.94mm Thk

SEAL piston

1шт.

Part of seal kit, P/N G109458

1шт.

Part number D63672 subs to 222930A 1 hub assembly-axle the assembly includes 1 axle hub, 2 cup-bearings, and 1 grease fitting. PA-TSG 9-1-99

1шт.

9

F62076

O-RING,0.139" Thk x 1.984" ID, -226, Cl 5, 75 Duro

piston

1шт.

Part of seal kit, P/N G109458

1шт.

Part number D63672 subs to 222930A 1 hub assembly-axle the assembly includes 1 axle hub, 2 cup-bearings, and 1 grease fitting. PA-TSG 9-1-99Part number D63672 subs to 222930A 1hub assembly-axle the assembly includes 1 axle hub, 2 cup-bearings, and 1 grease fitting. PA-TSG 9-1-99

1шт.

G104008

GLAND

ASSEMBLY cylinder, Inc: Ref. 10 - 15

1шт.

10

NSS

NOT SOLD SEPARAT

GLAND cylinder

1шт.

11

G107921

SEAL,38.07mm ID x 50.93mm OD x 10.69mm Thk

U-CUP SEAL piston rod, wide, with o-ring

1шт.

Part of seal kit, P/N G109458

1шт.

Part number D63672 subs to 222930A 1 hub assembly-axle the assembly includes 1 axle hub, 2 cup-bearings, and 1 grease fitting. PA-TSG 9-1-99

1шт.

11a

G102569

PLUG

nylon, thread locking, gland, if used

1шт.

12

G109093

SEAL,37.72mm ID x 50.98mm OD x 3.05mm Thk

piston rod, narrow, used in addition to item 12 in some glands

1шт.

Part of seal kit, P/N G109458

1шт.

Part number D63672 subs to 222930A 1 hub assembly-axle the assembly includes 1 axle hub, 2 cup-bearings, and 1 grease fitting. PA-TSG 9-1-99

1шт.

13

D95142

WIPER SEAL,1.5" ID x 2" OD x 0.31" Thk

WIPER piston rod, outer

1шт.

Part of seal kit, P/N G109458

1шт.

Part number D63672 subs to 222930A 1 hub assembly-axle the assembly includes 1 axle hub, 2 cup-bearings, and 1 grease fitting. PA-TSG 9-1-99

1шт.

14

G32129

BACK-UP RING,63.25mm ID x 69.35mm OD x 1.4mm Thk

BACKUP RING gland O-ring

1шт.

Part of seal kit, P/N G109458

1шт.

Part number D63672 subs to 222930A 1 hub assembly-axle the assembly includes 1 axle hub, 2 cup-bearings, and 1 grease fitting. PA-TSG 9-1-99

1шт.

15

A28318

O-RING,0.139" Thk x 2.484" ID, -230, Cl 5, 75 Duro

gland

1шт.

Part of seal kit, P/N G109458

1шт.

Part number D63672 subs to 222930A 1 hub assembly-axle the assembly includes 1 axle hub, 2 cup-bearings, and 1 grease fitting. PA-TSG 9-1-99

1шт.

16

G34924

ROD

piston, 1-1/2", 38 mm diameter, Inc: Ref. 17

1шт.

17

G35361

BUSHING,25.7mm ID x 31.82mm OD x 15.7mm L

rod eye

2шт.

18

219-55

LUBE NIPPLE,90 Degree Elbow, 1/8" - 27 NPTF

NIPPLE, LUBE, 90º, 1/8" NPT x .84" lg

2шт.

G109458

GASKET KIT

KIT seal, Includes: Ref. 8, 9, 11, 12, 13, 14, 15

1шт.

Part number D63672 subs to 222930A 1 hub assembly-axle the assembly includes 1 axle hub, 2 cup-bearings, and 1 grease fitting. PA-TSG 9-1-99

1шт.

Выбрано товаров: 39