Запчасти Case IH 1845C (06-11) - PUMP ASSY - HYDRAULIC EQUIPMENT (06) - POWER TRAIN

Схема запчастей Case IH 1845C - (06-11) - PUMP ASSY - HYDRAULIC EQUIPMENT (06) - POWER TRAIN
12
19
3
8
18
13
1
24
12
16
11
4
9
15
5
2
7
17
1a
19c
23
14
19b
10
6
21
9
FIT
1:1
100%

Артикул

Название

Примечание

Количество

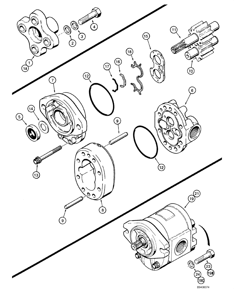
1

H439042

SPLINED COUPLING,SPLINED COUPLING, 11T

Pump; Replaces D128761; Use with D135547, H674907

1шт.

1a

131693A1

FLEXIBLE COUPLING,13T

Pump; Used with 131694A1

1шт.

2

A30013

WASHER,11.51mm ID x 19.05mm OD x 1.59mm Thk

4шт.

3

492-11044

LOCK WASHER,7/16"

4шт.

4

423-724

BOLT

16 x 1-1/2

4шт.

D135547

PUMP

Incl. 5 - 18; For Mounting, See Fig 06-03, 06-04; No Longer Available, Order 131694A1, See Below, REF 21; Also Order 103121A1, See Fig 06-04, Ref 4A; Also Order 131693A1, Ref 1A

1шт.

5

H83733

SEAL

1шт.

6

H435656

COVER

Port End

1шт.

7

H435657

COVER

Shaft End

1шт.

N13132

BLOCK

Incl. 8, 9

1шт.

8

NSS

NOT SOLD SEPARAT

Housing

1шт.

9

71120

VALVE

2шт.

10

N13133

GEAR

1шт.

11

N13532

GEAR

1шт.

12

238-5041

O-RING,0.07" Thk x 2.989" ID, -41, Cl 5, 75 Duro

2шт.

13

166-34

12 PT SCREW,Flg, 5/16" - 18 x 3", Gr 8

8шт.

14

N13135

WASHER

1шт.

15

NSS

NOT SOLD SEPARAT

Plate Wear

1шт.

16

NSS

NOT SOLD SEPARAT

Ring, Backup

1шт.

17

NSS

NOT SOLD SEPARAT

Seal

1шт.

18

NSS

NOT SOLD SEPARAT

Retainer

1шт.

1272638C2

SEAL KIT

Repair; Use with D135547; Incl. 5, 12, 14 - 18

1шт.

19

H674907

PUMP

Equipment; For Mounting, See Fig 06-03, 06-04; Incl. 19A - 19C; No Longer Available, Order 131694A1, Ref 21; Also Order Ref 1A

1шт.

19a

115114A1

SEAL

20 x 32 x 7 mm; Not Illustrated

2шт.

19b

115115A1

BOLT

M12 x 128; 10.9

4шт.

19c

892-11012

LOCK WASHER,M12

4шт.

20

110483A1

SEAL KIT

Seal Repair; Not Illustrated

1шт.

21

131694A1

PUMP

Manufactured by Saur; Component Parts Not Available At Time Of Printing; Incl. 22 - 24; No Longer Available, Order 319602A1

1шт.

21

319602A1

PUMP, HYDRAULIC

Manufactured by Danfoss; Incl. 22 - 42; Component Parts 25 - 42 Not Illustrated; No Longer Available, Order 87413847

1шт.

21

87413847

PUMP, HYDRAULIC

Component Parts Not Serviced Separately; For Seal Replacement, Order 87413478

1шт.

21

87413847R

REMAN-HYD PUMP

1шт.

21

87413847C

CORE-HYDRAULIC PUMP

Return Number

1шт.

87413478

SEAL KIT

Not Illustrated

1шт.

22

NSS

NOT SOLD SEPARAT

Seal; Order 139443A1, Ref 25; Not Illustrated

2шт.

23

115115A1

BOLT

M12 x 128; 10.9

4шт.

24

892-11012

LOCK WASHER,M12

4шт.

25

139443A1

SEAL KIT

1шт.

26

326389A1

LARGE PLATE

PLATE, LARGE

1шт.

27

326390A1

COVER

1шт.

28

324574A1

SLEEVE

4шт.

29

324575A1

BODY

1шт.

30

326391A1

SHAFT

1шт.

31

326392A1

SHAFT

1шт.

32

61-33156

HEX SOC SCREW,5/16"-18 x 3 1/2"

4шт.

33

61-33856

HEX SOC SCREW,3/8"-16 x 3 1/2"

4шт.

34

A32395

WASHER

4шт.

35

D46324

WASHER

4шт.

36

N6893

PIN

2шт.

37

324578A1

OIL SEAL

1шт.

38

324579A1

SEALING RING

2шт.

39

324581A1

LARGE PLATE

PLATE, LARGE

1шт.

40

324582A1

LARGE PLATE

PLATE, LARGE

1шт.

41

324586A1

SEAL

1шт.

42

324587A1

SEAL

1шт.

Выбрано товаров: 54