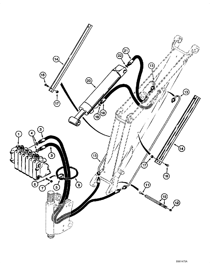
Запчасти Case IH 1845C (08-31) - HYDRAULIC SYSTEM - BACKHOE BOOM CYLINDER (NORTH AMERICA), D100XR (08) - HYDRAULICS

Схема запчастей Case IH 1845C - (08-31) - HYDRAULIC SYSTEM - BACKHOE BOOM CYLINDER (NORTH AMERICA), D100XR (08) - HYDRAULICS
11
17
18
16
1
5
13
14
4
8
3
13
7
3
13
21
17
20
14
10
22
19
16
12
6
FIT
1:1
100%

Артикул

Название

Примечание

Количество

1

H513788

LOCK VALVE

Backhoe; See Fig 08-37; No Longer Available, Order HR513788

1шт.

3

H433544

HYDRAULIC HOSE,9.52 mm ID x 1075.00 mm, SAE 100R1

Incl. 4

2шт.

4

237-6008

O-RING,0.087" Thk x 0.644" ID, -908, Cl 6, 90 Duro

1шт.

5

H52571

CLAMP

1шт.

6

413-416

BOLT,Hex, 1/4" - 20 x 1", Gr 5

1шт.

7

230-4214

LOCK NUT,1/4"-20, GA

1шт.

8

H52548

SPRING

1шт.

10

H429696

MOUNTING CLIP

2шт.

11

413-420

BOLT,Hex, 1/4" - 20 x 1-1/4", Gr 5

2шт.

12

230-4214

LOCK NUT,1/4"-20, GA

2шт.

13

H669804

TUBE,1.27 mm OD x 1065, 35 mm L

2шт.

14

H421800

FRAME

2шт.

16

413-512

BOLT,Hex, 5/16" - 18 x 3/4", Gr 5

4шт.

17

230-4215

NUT,5/16"-18, GA

4шт.

18

H268540

HYDRAULIC HOSE,9.52 mm ID x 889.00 mm, SAE 100R1

1шт.

19

237-6008

O-RING,0.087" Thk x 0.644" ID, -908, Cl 6, 90 Duro

1шт.

20

G100936

CYLINDER,Double Acting, 38.1mm Rod, 371.35mm Stroke

76 ID x 372 mm strk; Boom; See Fig 08-46

1шт.

21

H244921

HYDRAULIC HOSE,9.52 mm ID x 381.00 mm, SAE 100R1

Incl. 22

1шт.

22

237-6008

O-RING,0.087" Thk x 0.644" ID, -908, Cl 6, 90 Duro

1шт.

Выбрано товаров: 19