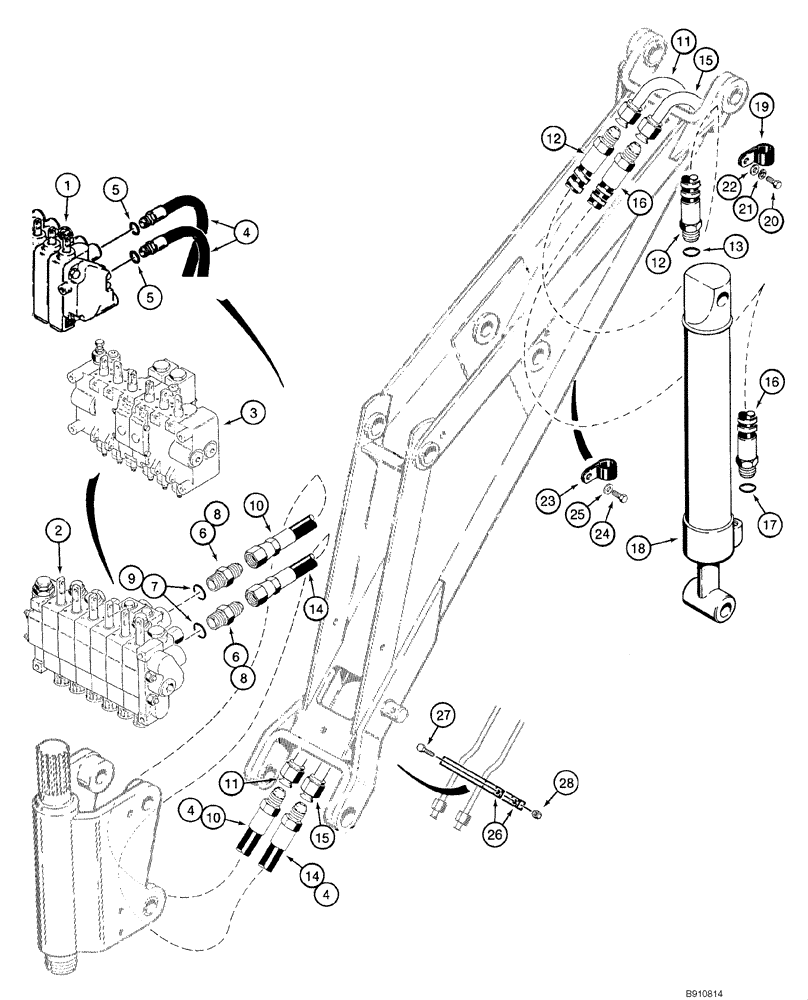
Запчасти Case IH 1845C (08-33) - HYDRAULIC SYSTEM - BACKHOE BUCKET CYLINDER (NORTH AMERICA), D100, D100XR (08) - HYDRAULICS

Схема запчастей Case IH 1845C - (08-33) - HYDRAULIC SYSTEM - BACKHOE BUCKET CYLINDER (NORTH AMERICA), D100, D100XR (08) - HYDRAULICS
14
16
20
7
27
1
5
4
10
3
21
11
2
12
8
15
4
10
22
4
17
6
19
14
18
8
5
26
6
13
15
23
9
28
11
24
12
25
16
FIT
1:1
100%

Артикул

Название

Примечание

Количество

1

H513788

LOCK VALVE

Backhoe; Manufactured By Cessna; See Fig 08-37; D100XR Backhoe Only; No Longer Available, Order HR513788

1шт.

2

H672636

VALVE

Backhoe; Manufactured By Kontak; See Fig 08-38 - 08-42; No Longer Available, Order H674300

1шт.

3

H674300

VALVE

Backhoe; Manufactured By Dukes; See Fig 08-43 - 08-45

1шт.

3

87400023

VALVE

Backhoe; Replaces H674300; See Fig 08-43 - 08-45

1шт.

4

H433544

HYDRAULIC HOSE,9.52 mm ID x 1075.00 mm, SAE 100R1

Incl. 5; D100XR Backhoe Only; Used with Cessna Valve Only

2шт.

5

237-6008

O-RING,0.087" Thk x 0.644" ID, -908, Cl 6, 90 Duro

1шт.

6

218-5060

HYD CONNECTOR,3/4" - 16 Male JIC x 7/8" - 14 Male ORB

Incl. 7; Used with H672636

2шт.

7

237-6010

O-RING,0.097" Thk x 0.755" ID, -910, Cl 6, 90 Duro

1шт.

8

218-5059

HYD CONNECTOR,3/4"-16, 37 Degree x 3/4"-16, O-Ring

Incl. 7; Used with H674300

2шт.

9

237-6008

O-RING,0.087" Thk x 0.644" ID, -908, Cl 6, 90 Duro

1шт.

10

H434463

HOSE

1225 mm (48-1/4 in)

1шт.

11

H593376

TUBE,0.5" OD

D100 Backhoe Only

1шт.

11

H669911

TUBE,12.7 mm OD x 1410, 37 mm L

D100XR Backhoe Only

1шт.

12

H268565

HYDRAULIC HOSE,9.52 mm ID x 1066.80 mm, SAE 100R1

D100 Backhoe Only

1шт.

12

H383984

HOSE,9.50 mm ID x 1397.00 mm, SAE 100R1

D100XR Backhoe Only, Includes 13

1шт.

13

237-6008

O-RING,0.087" Thk x 0.644" ID, -908, Cl 6, 90 Duro

1шт.

14

A167054

HOSE,9.65 mm ID x 1170.00 mm, SAE 100R1

1шт.

15

H593384

TUBE,12.7 mm OD

D100 Backhoe Only

1шт.

15

H669929

TUBE,12.7 mm OD x 1372, 12 mm L

D100XR Backhoe Only

1шт.

16

H357863

HOSE,9.65mm ID x 1549.4mm L, SAE 100R1

D100 Backhoe Only

1шт.

16

H383976

HOSE,9.5mm ID x 1880mm L, SAE 100R1

D100XR Backhoe Only, Includes 17

1шт.

17

237-6008

O-RING,0.087" Thk x 0.644" ID, -908, Cl 6, 90 Duro

1шт.

18

G100936

CYLINDER,Double Acting, 38.1mm Rod, 371.35mm Stroke

76 ID x 372 mm strk; Bucket; See Fig 08-46

1шт.

19

H51763

CLAMP

2шт.

20

413-412

BOLT,Hex, 1/4" - 20 x 3/4", Gr 5

2шт.

21

492-11025

LOCK WASHER,1/4"

2шт.

22

495-11028

WASHER,1/4", SAE

(9/32 x 5/8 x 1/16")

2шт.

23

H46888

CLAMP

1шт.

24

413-520

BOLT,Hex, 5/16" - 18 x 1-1/4", Gr 5

1шт.

25

H426775

WASHER

1шт.

26

H429696

MOUNTING CLIP

D100XR Backhoe Only; Used with Cessna Valve Only

2шт.

27

413-420

BOLT,Hex, 1/4" - 20 x 1-1/4", Gr 5

D100XR Backhoe Only; Used with Cessna Valve Only

2шт.

28

230-4214

LOCK NUT,1/4"-20, GA

D100XR Backhoe Only; Used with Cessna Valve Only

2шт.

Выбрано товаров: 33