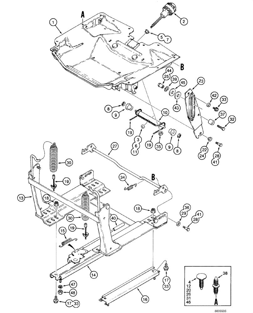
Запчасти Case IH 1845C (09-30A) - SEAT - SUSPENSION (NORTH AMERICA) (09) - CHASSIS/ATTACHMENTS

Схема запчастей Case IH 1845C - (09-30A) - SEAT - SUSPENSION (NORTH AMERICA) (09) - CHASSIS/ATTACHMENTS
5
9
30
41
29
26
3
22
15
47
43
32
10
30
33
11
6
37
48
16
27
45
17
8
12
24
19
28
7
19
39
33
14
33
19
42
41
20
44
38
25
19
9
40
31
18
17
8
4
2
34
1
13
35
18
28
46
23
36
FIT
1:1
100%

Артикул

Название

Примечание

Количество

D129790

SEAT

Brown; Incl. 09-30, 09-30A

1шт.

178764A1

SEAT

Gray; Incl. 09-30, 09-30A

1шт.

1

NSS

NOT SOLD SEPARAT

Base

1шт.

N13705

SET OF PARTS

Incl. 2 - 5

1шт.

2

NSS

NOT SOLD SEPARAT

Knob

1шт.

3

131-1280

JAM NUT,Jam, 1/4"-20

1шт.

4

N14323

CLIP

Replaces N13703

2шт.

5

N9241

BUSHING

1шт.

6

131-1280

JAM NUT,Jam, 1/4"-20

1шт.

7

N9241

BUSHING

1шт.

8

131-435

PUSH-ON NUT,Push, 3/8"

2шт.

9

N8495

RETAINER

2шт.

N13730

SET OF PARTS

Incl. 10 - 12

1шт.

10

NSS

NOT SOLD SEPARAT

Shaft

1шт.

11

131-1280

JAM NUT,Jam, 1/4"-20

1шт.

12

N14323

CLIP

Replaces N13703

2шт.

13

NSS

NOT SOLD SEPARAT

Frame

1шт.

14

D59695

SUPPORT

With Handle; Incl. 15; Replaces N13701

1шт.

15

L35503

SPRING

1шт.

16

N13607

ADJUSTER

1шт.

17

413-510

BOLT,Hex, 5/16" - 18 x 5/8", Gr 5

4шт.

18

425-285

FLANGE NUT,Flg, 5/16"-18, G5

4шт.

N13702

SET OF PARTS

Incl. 19, 20

1шт.

19

NSS

NOT SOLD SEPARAT

Cable

1шт.

20

N14323

CLIP

Replaces N13703

2шт.

N13725

SET OF PARTS

Incl. 21 - 26

1шт.

21

NSS

NOT SOLD SEPARAT

Support; LH; Incl. 22; Not Illustrated

1шт.

22

N13754

BUSHING

1шт.

23

NSS

NOT SOLD SEPARAT

Support; RH; Incl. 24

1шт.

24

N13754

BUSHING

1шт.

25

N13720

NUT

2шт.

26

N14323

CLIP

Replaces N13703

2шт.

N13726

SET OF PARTS

Incl. 27 - 29

1шт.

27

NSS

NOT SOLD SEPARAT

Latch

1шт.

28

N13716

BOLT

2шт.

29

495-11041

WASHER,0.406" ID x 0.812" OD x 0.065" W

(13/32 x 13/16 x 1/16")

2шт.

N13728

SET OF PARTS

Incl. 30, 31

2шт.

30

NSS

NOT SOLD SEPARAT

Spring

1шт.

31

N14323

CLIP

Replaces N13703

1шт.

32

413-520

BOLT,Hex, 5/16" - 18 x 1-1/4", Gr 5

2шт.

33

413-510

BOLT,Hex, 5/16" - 18 x 5/8", Gr 5

2шт.

34

L35503

SPRING

1шт.

35

131-435

PUSH-ON NUT,Push, 3/8"

2шт.

36

495-11041

WASHER,0.406" ID x 0.812" OD x 0.065" W

(13/32 x 13/16 x 1/16")

2шт.

37

K627041

BUSHING

2шт.

38

N13712

CLIP,ELECTRICAL

12шт.

39

N13713

WASHER

2шт.

40

NSS

NOT SOLD SEPARAT

Tip, Blade

1шт.

41

N13716

BOLT

4шт.

42

N13718

SPACER

2шт.

43

N13719

WASHER

2шт.

44

N13720

NUT

2шт.

45

495-21056

WASHER,1/2"

9/16 x 1-3/8 x 7/64

2шт.

46

N14323

CLIP

Replaces N13703

7шт.

47

492-11031

LOCK WASHER,5/16"

4шт.

48

425-105

NUT,5/16"-18, G5

4шт.

Выбрано товаров: 56