Запчасти Case IH 1845C (09-79) - BACKHOE - BOOM LOCK AND SWING CYLINDER, D125 (NORTH AMERICA) (09) - CHASSIS/ATTACHMENTS

Схема запчастей Case IH 1845C - (09-79) - BACKHOE - BOOM LOCK AND SWING CYLINDER, D125 (NORTH AMERICA) (09) - CHASSIS/ATTACHMENTS
36
18
42
26
21
15
28
33
27
17
14
9
11
12
38
6
3
34
30
24
22
25
39
26
44
32
20
28
10
8
41
7
30
2
44
27
29
23
24
31
41
1
37
43
42
16
35
10
16
17
19
4
23
21a
40
13
5
24
8
11a
FIT
1:1
100%

Артикул

Название

Примечание

Количество

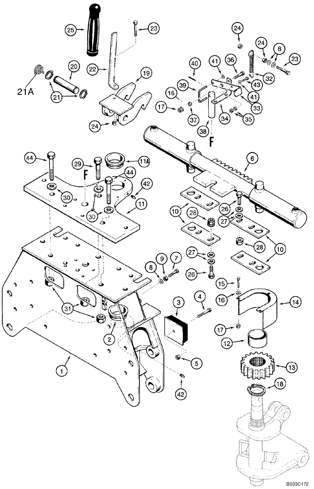
H674120

FRAME

Incl. 1, 2; - JAF0218188

1шт.

330140A1

FRAME

Incl. 1, 2; JAF0218189 -; Not Illustrated

1шт.

1

NSS

NOT SOLD SEPARAT

Frame

1шт.

2

H434397

BUSHING,70.04mm ID x 89mm OD x 32mm L

1шт.

3

D90990

GUARD

2шт.

4

413-616

BOLT,Hex, 3/8" - 16 x 1", Gr 5

2шт.

5

230-42116

LOCK NUT,1"-8, GA

2шт.

6

H673149

CYLINDER ASSY.

70 ID x 254 mm strk; Swing; See Fig 08-69; No Longer Available, Order 379623A1

1шт.

6

379623A1

CYLINDER ASSY.,Double Acting, 60.8mm Rod, 254mm Stroke

70 ID x 254 mm strk; See Fig 08-69A

1шт.

7

113-2481

BOLT,Hex, 1/2" - 13 x 1-1/2", Gr 5, Full Thd

2шт.

8

496-21053

WASHER,17/32" x 1 1/16" x .134"

3шт.

9

425-148

JAM NUT,Jam, 1/2"-13, G5

2шт.

10

H437390

LARGE PLATE

PLATE, LARGE

4шт.

11

H674124

PLATE

Incl. 11A

1шт.

11a

H434397

BUSHING,70.04mm ID x 89mm OD x 32mm L

1шт.

12

H437362

SPACER

1шт.

13

H437361

PINION

1шт.

14

H674128

COVER

1шт.

15

413-524

BOLT,Hex, 5/16" - 18 x 1-1/2", Gr 5

3шт.

16

496-11034

WASHER,11/32" x 11/16" x 1/16", HDN

3шт.

17

231-4115

NUT,5/16"-18, GB

3шт.

18

100-11306

SNAP RING,#306, Ext

1шт.

19

H674110

LATCH

1шт.

20

H437323

PIN,31.8mm OD x 148mm L

1шт.

21

103-16125

SNAP RING,#125, Ext

2шт.

21a

353055A1

COIL SPRING

1шт.

22

H436021

GRIP

1шт.

23

413-824

BOLT,Hex, 1/2" - 13 x 1-1/2", Gr 5

1шт.

23a

496-21053

WASHER,17/32" x 1 1/16" x .134"

1шт.

24

230-4218

LOCK NUT,1/2"-13, GA

1шт.

25

H33332

GRIP

1шт.

26

413-1232

BOLT,Hex, 3/4" - 10 x 2", Gr 5

8шт.

27

D34666

WASHER,33.34mm ID x 63.5mm OD x 2.38mm Thk

16шт.

28

231-51412

FLANGE NUT,Flg, USR, 3/4"-10

8шт.

29

413-1640

BOLT,Hex, 1" - 8 x 2-1/2", Gr 5

1шт.

30

D36505

WASHER,26.99mm ID x 47.63mm OD x 2.38mm Thk

3шт.

31

230-42116

LOCK NUT,1"-8, GA

3шт.

32

D124939

SPRING

1шт.

33

H438352

HANDLE

1шт.

34

H438354

ANGLE

1шт.

35

230-4214

LOCK NUT,1/4"-20, GA

2шт.

36

413-520

BOLT,Hex, 5/16" - 18 x 1-1/4", Gr 5

1шт.

37

H93971

SPACER,1/4" Pipe x 7/16"

1шт.

38

H438350

PIN

1шт.

39

H438351

LINK

1шт.

40

432-812

COTTER PIN,3/4" OAL x 1/8" W

2шт.

41

495-11028

WASHER,1/4", SAE

(9/32 x 5/8 x 1/16")

3шт.

42

219-1

LUBE NIPPLE,1/8" - 27 NPTF

If Used

2шт.

42

219-8

LUBE NIPPLE,1/4" - 28 NPTF

If Used

2шт.

43

413-416

BOLT,Hex, 1/4" - 20 x 1", Gr 5

1шт.

44

413-1648

BOLT,Hex, 1" - 8 x 3", Gr 5

2шт.

Выбрано товаров: 51