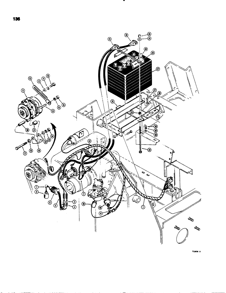
Запчасти Case IH 1845S (136) - ELECTRICAL SYSTEM, REAR HARNESS, BATTERY AND ELTRA ALTERNATOR (55) - ELECTRICAL SYSTEMS

Схема запчастей Case IH 1845S - (136) - ELECTRICAL SYSTEM, REAR HARNESS, BATTERY AND ELTRA ALTERNATOR (55) - ELECTRICAL SYSTEMS
8
28
5
18
2
7
14
26
4
13
22
30
15
21
39
31
32
10
20
29
3
16
38
27
23
1
24
34
11
25
6
9
42
33
12
35
40
19
41
37
17
28
36
FIT
1:1
100%

Артикул

Название

Примечание

Количество

1

D66955

HARNESS

rear

1шт.

2

D43390

CABLE

ground

1шт.

3

L11778

CONNECTOR, ELEC

TERMINAL bullet, male

2шт.

4

L78495

SLEEVE,0.19" ID x 1.5" L

SHRINK TUBING

2шт.

5

D71189

TUBE,0.125" ID x 5.5" L

SHRINK TUBING

1шт.

6

D64386

FITTING

fuel level

1шт.

7

221-411

ELBOW,90 Degree, 1/8"-27, NPT

Street 90º, 1/8"-27, NPT

1шт.

8

D64390

SWITCH

fuel level, for service order D94137 kit

1шт.

9

REF

INSTRUCTION

ALTERNATOR Eltra, parts list Figure 114

1шт.

10

113-102

BOLT,Hex, 5/16" - 18 x 3/4", Gr 5

Hex, 5/16"-18 x 3/4", G5, Full Thd

1шт.

11

193-71

LOCK WASHER,Ext-Int Tooth, 5/16"

WASHER, LOCK, Ext-Int Tooth, 5/16"

1шт.

12

195-105

WASHER,7/16"

flat, plated, 5/16"

1шт.

13

D56005

STRAP

adjusting

1шт.

14

13-620

BOLT,Hex, 3/8" - 16 x 1-1/4", Gr 5, Full Thd

1шт.

15

92-6

LOCK WASHER,3/8"

1шт.

16

25-106

NUT,3/8"-16, G5

hex, 3/8" - 16 NC

1шт.

17

113-241

BOLT,Hex, 3/8" - 16 x 3", Gr 5

1шт.

18

REF

INSTRUCTION

BRACKET mounting, see engine timing chain cover

1шт.

19

D56003

WASHER flat, 3/8"

1шт.

20

D56002

BUSHING alternator

1шт.

21

D56004

SPACER alternator

1шт.

22

195-525

WASHER,3/8", SAE

flat, plated, 3/8"

1шт.

23

192-21

LOCK WASHER,3/8"

WASHER, LOCK, 3/8"

1шт.

24

129-103

NUT,Hex, 3/8" - 16, Gr 5

NUT, 3/8"-16, G5

1шт.

25

D66958

CABLE PULLING GRIP

BATTERY CABLE negative

1шт.

26

D66957

CABLE

BATTERY CABLE positive

1шт.

27

13-616

BOLT,Hex, 3/8" - 16 x 1", Gr 5, Full Thd

4шт.

28

195-25

WASHER,3/8"

flat, 3/8"

8шт.

29

92-6

LOCK WASHER,3/8"

4шт.

30

25-106

NUT,3/8"-16, G5

hex, 3/8" - 16 NC

4шт.

31

D64715

SUPPORT

battery

1шт.

32

115-109

BOLT

hex head, plated, 5/16" - 18 NC x 8-1/2"

2шт.

33

G46096

RETAINER

bolt

2шт.

34

D55559

HOOK

HOLDDOWN battery

1шт.

35

195-21

WASHER,5/16"

- flat, 5/16"

2шт.

36

131-4

LOCK NUT,5/16"-18, GB

NUT hex, self lock, 5/16" - 18 NC

2шт.

37

T40362

BATTERY

12 volt, gasoline models only, service replacement., must be used with A60553 nonspill caps

1шт.

When replacing T40362 or A38411 battery, retain nonspill caps for service of new battery or order (6) A60553 caps.

1шт.

38

A60553

CAP

battery, nonspill

6шт.

39

REF

INSTRUCTION

SOLENOID anti-dieseling, gasoline models only, parts list Fig.ure28

1шт.

40

REF

INSTRUCTION

SENDING UNIT engine oil pressure, see Figure 42

1шт.

41

193-1000

NUT,Keps, w/LW,#10-32

hex, lock, No. 10 - 32 NF

1шт.

42

REF

INSTRUCTION

SENDING UNIT water temperature, see Figure 36

1шт.

Выбрано товаров: 43