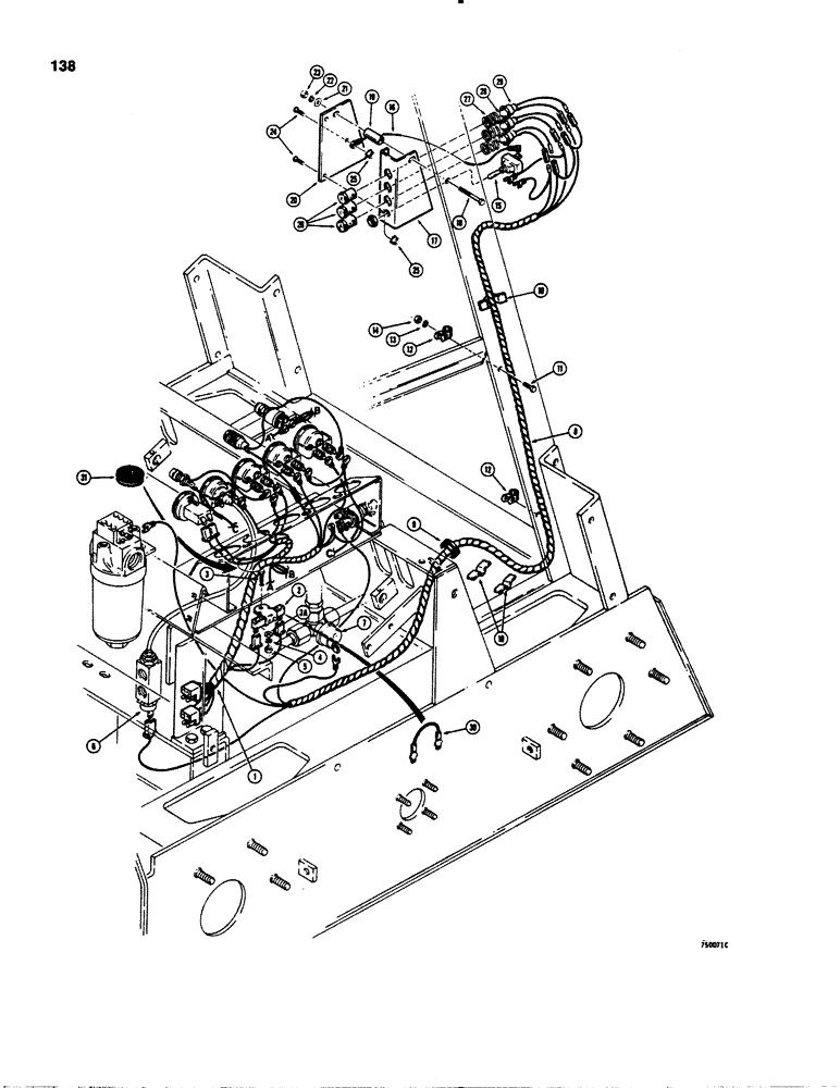
Запчасти Case IH 1845S (138) - ELECTRICAL SYSTEM, FRONT HARNESS (55) - ELECTRICAL SYSTEMS

Схема запчастей Case IH 1845S - (138) - ELECTRICAL SYSTEM, FRONT HARNESS (55) - ELECTRICAL SYSTEMS
12
8
31
16
8
30
29
2
23
12
18
24
13
27
3
1
10
22
10
28
14
19
11
20
21
25
28
5
3a
17
15
25
8
7
4
FIT
1:1
100%

Артикул

Название

Примечание

Количество

1

D64659

HARNESS

front, instrument panel, 1845 models

1шт.

1

D66956

HARNESS

front, instrument panel, 1845S model

1шт.

2

F22316

RESISTOR,75 Ohms 0.2 Amps DC

alternator, gasoline models

1шт.

3

13-420

BOLT,Hex, 1/4" - 20 x 1-1/4", Gr 5

Resistor Hex, 1/4"-20 x 1 1/4", G5

1шт.

3a

195-18

WASHER,1/4"

flat, resistor, 1/4"

1шт.

4

92-4

LOCK WASHER,1/4"

WASHER, LOCK, , Resistor 1/4"

1шт.

5

25-104

NUT,1/4"-20, G5

Resistor 1/4"-20, G5

1шт.

6

D70163

SWITCH,1/4" - 18 NPT, 230 Degrees F

SENDING UNIT transmission temperature

1шт.

7

D94032

SWITCH

SENDING UNIT pressure, hydraulic oil

1шт.

8

D69829

HARNESS

front, warning light, 1845 models

1шт.

8

D70429

HARNESS

front, warning light, 1845S model

1шт.

9

H114272

GROMMET,3/4" ID x 1 1/16" Groove Dia, Str Cut

harness

1шт.

10

D70112

CLIP harness

3шт.

11

113-103

BOLT,Hex, 5/16" - 18 x 1", Gr 5

2шт.

12

80049853

YOKE

harness

2шт.

Replaced by 49851, which subs to 515-2363, 03/20/96

1шт.

13

182-20

WASHER lock, plated, 5/16"

2шт.

14

9635082

NUT,5/16" - 18, Gr 5

2шт.

15

D70005

SWITCH

toggle, Includes hardware

1шт.

16

D70006

ELECTRICAL WIRE

WIRE jumper

1шт.

17

D70194

SUPPORT

BRACKET lights

1шт.

18

113-119

BOLT,Hex, 5/16" - 18 x 2-3/4", Gr 5

1шт.

19

D94121

BUSHING

SPACER bolt

1шт.

20

D70278

SUPPORT

PLATE light bracket

1шт.

21

195-21

WASHER,5/16"

- flat, 5/16"

1шт.

22

192-20

LOCK WASHER,Helical Spring, 0.318" ID, CST, ZND

WASHER, LOCK, 5/16"

1шт.

23

9635082

NUT,5/16" - 18, Gr 5

1шт.

24

182-525

SCREW,Sl Pan Hd, #10 - 32 x 3/8"

pan head, slotted, #10 - 32 NC x 3/8"

3шт.

25

193-1000

NUT,Keps, w/LW,#10-32

hex, lock, #10 - 32 NC

3шт.

D69790

INTERIOR LIGHT

LIGHT charge filter

1шт.

D70193

INDICATOR LIGHT

LIGHT transmission temperature

1шт.

D69791

HOUSING

LIGHT charge pressure, Includes Ref. 26-29

1шт.

26

NSS

NOT SOLD SEPARAT

LENS ASSEMBLY all lights

1шт.

27

NSS

NOT SOLD SEPARAT

SPRING all lights

1шт.

28

A24354

BULB

all lights, No.1895R

1шт.

29

NSS

NOT SOLD SEPARAT

BODY all lights

1шт.

30

D55150

ELECTRICAL WIRE

WIRE jumper, diesel models

1шт.

31

L77823

GROMMET

instrument panel harness

1шт.

Выбрано товаров: 38