Запчасти Case IH 1845S (248) - CENTRALIZED LUBRICATION SYSTEM (89) - TOOLS

Схема запчастей Case IH 1845S - (248) - CENTRALIZED LUBRICATION SYSTEM (89) - TOOLS
2
6
13
28
23
1
8
14
21
1
25
16
28
22
12
15
7
27
18
19
19
24
11
2
5
29
20
22
4
26
3
9
18
10
21
20
FIT
1:1
100%

Артикул

Название

Примечание

Количество

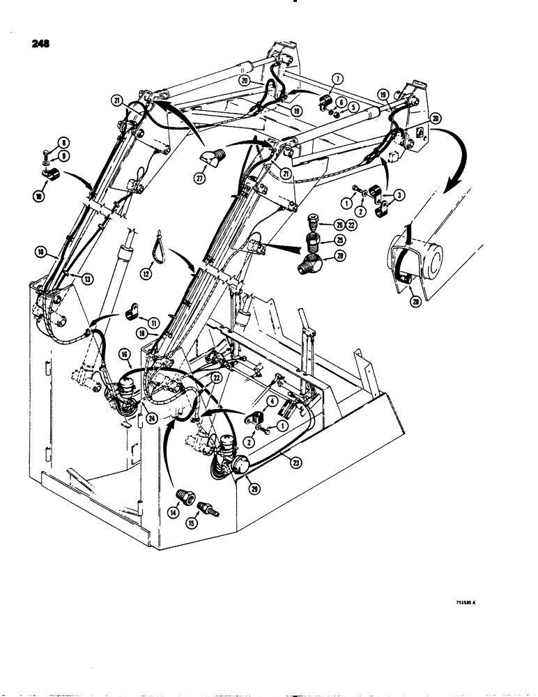
1

13-68

SCREW,Hex, 3/8" - 16 x 1/2", Gr 5

BOLT hex head, 3/8" - 16 NC x 1/2"

4шт.

2

195-25

WASHER,3/8"

flat, 3/8"

4шт.

3

49845

CLAMP

4шт.

4

49838

CLAMP

2шт.

5

25-106

NUT,3/8"-16, G5

3/8" - 16 NC

2шт.

6

195-25

WASHER,3/8"

lock, 3/8"

2шт.

7

49845

CLAMP

2шт.

8

113-101

BOLT,Hex, 5/16" - 18 x 1-1/2", Gr 5

2шт.

9

195-21

WASHER,5/16"

- flat, 5/16"

3шт.

10

515-22127

CLAMP,1/2", Insul, 5/16" Bolt

3шт.

11

49836

CLAMP

2шт.

12

L18331

CABLE TIE,375.9mm L, Nylon, Black

TIE wire

20шт.

13

D93268

CLIP stick on

6шт.

14

219-80

BUSHING,1/4"-1/8" NPTF

1шт.

15

D71492

FITTING hose barb

1шт.

16

D71494

HOSE

vacuum, cut as required, 5/32", 3.969 mm x 72", 1828.8 mm

1шт.

17

D71493

FITTING hose barb

1шт.

D71319

HARNESS AND HOSE right hand

1шт.

D71326

HARNESS AND HOSE left hand, Includes Ref. 18-21

1шт.

18

NSS

NOT SOLD SEPARAT

HARNESS

1шт.

19

D71320

HOSE

ASSEMBLY, 30", 762 mm long

1шт.

20

D71318

HOSE

ASSEMBLY, 19", 482.6 mm long

1шт.

21

D71317

HOSE

ASSEMLBY, 9", 228.6 mm long, Includes Ref. 22

1шт.

22

NSS

NOT SOLD SEPARAT

FITTING tube, all hoses

1шт.

23

D71324

HARNESS ASSEMBLY, right hand, 2 nuts

1шт.

24

D71325

HARNESS ASSEMBLY, left hand, 3 nuts

1шт.

D71495

CONNECTOR, ELEC

FITTING tube connector, Includes Ref. 25-26

20шт.

25

NSS

NOT SOLD SEPARAT

BODY

1шт.

26

NSS

NOT SOLD SEPARAT

FITTING compression

1шт.

27

219-81

ELBOW,45 Degree, 1/8"-27

FITTING 45 degree

2шт.

28

219-415

ADAPTER,90 Degree, 1/8"-27

FITTING 90 degree

19шт.

29

REF

INSTRUCTION

PUMP vacuum, see parts list Figure 250

1шт.

Выбрано товаров: 32