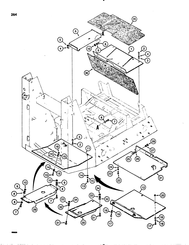
Запчасти Case IH 1845S (264) - GUARDS, FLOOR MATS, AND BELLY PANS (90) - PLATFORM, CAB, BODYWORK AND DECALS

Схема запчастей Case IH 1845S - (264) - GUARDS, FLOOR MATS, AND BELLY PANS (90) - PLATFORM, CAB, BODYWORK AND DECALS
34
32
8
18
18
8
2
35
1
34
10
11
2
17
32
14
31
22
15
33
3
30
21
14
4
24
25
8
26
27
15
28
19
9
4
6
7
7
13
20
19
9
7
29
8
31
3
36
23
8
33
16
17
5
14
15
12
10
9
10
13
FIT
1:1
100%

Артикул

Название

Примечание

Количество

1

D70819

PLATE

floor, models without auxiliary hydrualics

1шт.

2

13-620

BOLT,Hex, 3/8" - 16 x 1-1/4", Gr 5, Full Thd

9шт.

3

195-25

WASHER,3/8"

flat, 3/8"

9шт.

4

92-6

LOCK WASHER,3/8"

9шт.

5

25-106

NUT,3/8"-16, G5

hex, 1845 models, 3/8" - 16 NC

4шт.

5

129-176

NUT hex, stainless, 1845S models, 3/8" - 16 NC

4шт.

6

D67105

GUARD pump

2шт.

7

13-828

BOLT,Hex, 1/2" - 13 x 1-3/4", Gr 5

hex head, 1/2" - 13 NC x 1-3/4"

4-8шт.

8

195-33

WASHER,1/2"

flat, 1/2"

8-1шт.

9

92-8

LOCK WASHER,1/2"

4-8шт.

10

129-105

NUT,Hex, 1/2" - 13, Gr 5

4-8шт.

11

D71654

PAN

GUARD rear, used on models with standard engine oil pan

1шт.

12

D82699

GUARD

rear, used on models with deep engine oil pan

1шт.

13

113-2234

BOLT,Hex, 3/8" - 16 x 1-1/2", SST

hex head, stainless, 1845S models, 3/8" - 16 NC x 1-1/2"

4шт.

13

13-624

BOLT,Hex, 3/8" - 16 x 1-1/2", Gr 5

hex head, 1845 model, 3/8" - 16 NC x 1-1/2"

4шт.

14

195-25

WASHER,3/8"

flat, 3/8"

6шт.

15

92-6

LOCK WASHER,3/8"

4шт.

16

25-106

NUT,3/8"-16, G5

hex, 3/8" - 16 NC

2шт.

17

13-828

BOLT,Hex, 1/2" - 13 x 1-3/4", Gr 5

hex head, 1/2" - 13 NC x 1-3/4"

4шт.

18

195-33

WASHER,1/2"

flat, 1/2"

4шт.

19

92-8

LOCK WASHER,1/2"

4шт.

20

25-108

NUT,1/2"-13, G5

hex, 1/2" - 13 NC

4шт.

21

D69987

PAN

belly

1шт.

22

13-628

BOLT,Hex, 3/8" - 16 x 1-3/4", Gr 5

2шт.

23

92-6

LOCK WASHER,3/8"

2шт.

24

195-25

WASHER,3/8"

flat, 3/8"

2шт.

25

13-832

BOLT,Hex, 1/2" - 13 x 2", Gr 5

5шт.

26

195-33

WASHER,1/2"

flat, 1/2"

5шт.

27

92-8

LOCK WASHER,1/2"

5шт.

28

129-105

NUT,Hex, 1/2" - 13, Gr 5

5шт.

29

D72667

GASKET

GUARD belly, used on models with standard engine oil pan

1шт.

30

D82703

LARGE PLATE

GUARD belly, used on models with deep engine oil pan

1шт.

31

13-828

BOLT,Hex, 1/2" - 13 x 1-3/4", Gr 5

hex head, 1/2" - 13 NC x 1-1/2"

4шт.

32

195-33

WASHER,1/2"

flat, 1/2"

4шт.

33

92-8

LOCK WASHER,1/2"

4шт.

34

25-108

NUT,1/2"-13, G5

hex, 1/2" - 13 NC

2шт.

35

D73164

FLOOR MAT

MAT floor, noise reduction

1шт.

36

D87365

FLOOR MAT

MAT seat support, noise reduction

1шт.

Выбрано товаров: 38