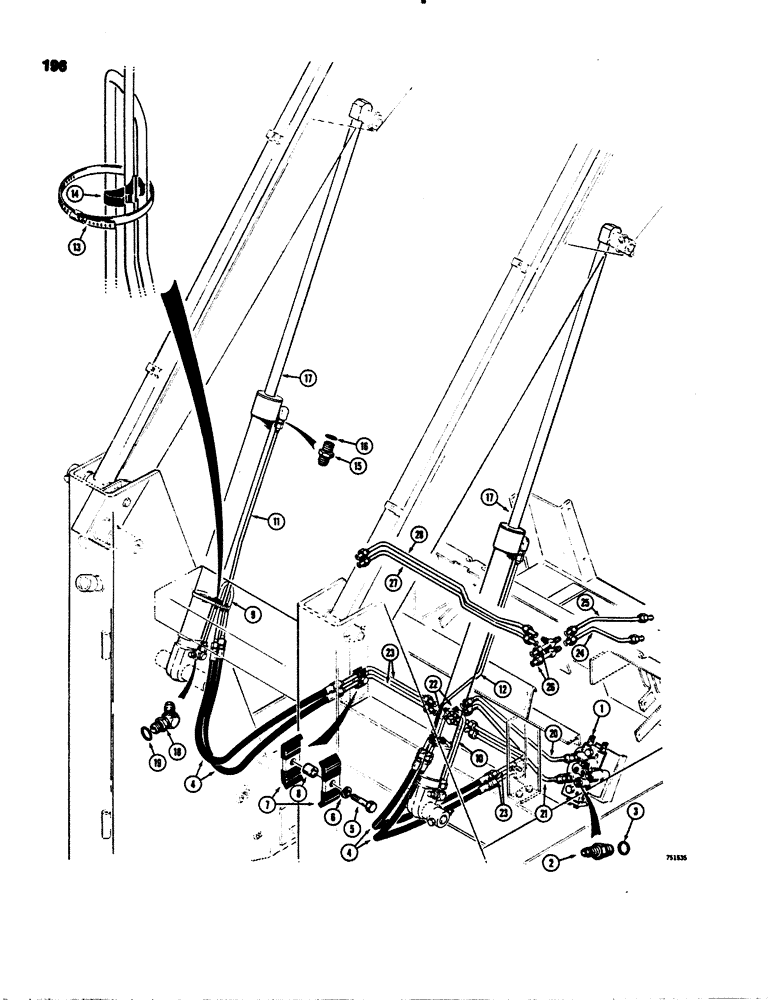
Запчасти Case IH 1845S (196) - LOADER LIFT HYDRAULIC CIRCUIT, EARLY PRODUCTION, LATE PRODUCTION (35) - HYDRAULIC SYSTEMS

Схема запчастей Case IH 1845S - (196) - LOADER LIFT HYDRAULIC CIRCUIT, EARLY PRODUCTION, LATE PRODUCTION (35) - HYDRAULIC SYSTEMS
19
15
1
17
9
8
11
23
16
12
14
13
21
9
24
17
22
5
4
27
20
4
10
23
28
6
18
2
26
3
25
FIT
1:1
100%

Артикул

Название

Примечание

Количество

1

REF

INSTRUCTION

VALVE two spools, parts list Figure 208

1шт.

2

218-5060

HYD CONNECTOR,3/4" - 16 Male JIC x 7/8" - 14 Male ORB

Fitting, straight, male, Incl. Ref 3 3/4"-16, 37º x 7/8"-14, O-Ring

2шт.

3

237-6010

O-RING,0.097" Thk x 0.755" ID, -910, Cl 6, 90 Duro

1шт.

4

D61484

HOSE

hydraulic, 29", 736.6 mm long

4шт.

5

13-520

BOLT,Hex, 5/16" - 18 x 1-1/4", Gr 5

hex head, 5/16" - 18 NC x 1-1/4"

2шт.

6

92-5

LOCK WASHER,5/16"

2шт.

7

R17319

CLAMP

tube

2-4шт.

8

D33551

BUSHING

SPACER clamp

2шт.

9

D64529

TUBE

lift cylinder, left hand

1шт.

10

D64531

TUBE

lift cylinder, right hand

1шт.

11

D64525

TUBE

lift cylinder, left hand

1шт.

12

D64527

TUBE

lift cylinder, right hand

1шт.

13

214-264

HOSE CLAMP,#52, 2.81" - 3.75", Type F Worm

CLAMP worn screw type

2шт.

14

R24703

SUPPORT

SADDLE rubber

2шт.

15

218-5050

HYD CONNECTOR,1-5/16" - 12 Male JIC x 1-1/16" - 12 Male ORB

CONNECTOR, HYD., straight, male, Incl. Ref. 16

2шт.

16

237-6010

O-RING,0.097" Thk x 0.755" ID, -910, Cl 6, 90 Duro

1шт.

17

REF

INSTRUCTION

CYLINDER lift, see Figure 218 for cylinders

2шт.

18

218-5106

90 ELBOW,90 Degree Elbow, 3/4" - 16 Male JIC x 3/4" - 16 Male ORB

FITTING adjustable, 90 degree, Includes Ref. 19

2шт.

20

D64433

TUBE ASSY.

TUBE hydraulic, early production

1шт.

21

D64435

TUBE- hydraulic, early production

1шт.

22

218-594

TEE,3/4"-16, 37 Degree

FITTING male, 3 way, early production

2шт.

23

D64116

TUBE hydraulic, early production

4шт.

24

D71008

TUBE,0.5" OD x 1.22, 8.38" L

hydraulic, B port, late production

1шт.

25

D71006

HYD TUBE,0.5" OD x 1.85, 9.12" L

TUBE hydraulic, A port, late production

1шт.

26

D71000

PIPE,0.5" OD x 2.8" L

TUBE hydraulic, late production

2шт.

27

D71004

HYD TUBE,0.5" OD x 22.81, 3.5" L

TUBE hydraulic, late production

1шт.

28

D71002

HYD TUBE,0.5" OD x 22.77, 3.5" L

TUBE hydraulic, late production

1шт.

19

218-5006

O-RING,0.087" Thk x 0.644" ID, -908, Cl 6, 90 Duro

1шт.

Выбрано товаров: 28