Запчасти Case IH 40XT (08-09) - VALVE, CONTROL (LOADER) - MOUNTING (08) - HYDRAULICS

Схема запчастей Case IH 40XT - (08-09) - VALVE, CONTROL (LOADER) - MOUNTING (08) - HYDRAULICS
5
16
6
7
17
17
4
15
4
13
1
11
8
10
16
3
12
10
15
7
14
6
9
2
18
FIT
1:1
100%

Артикул

Название

Примечание

Количество

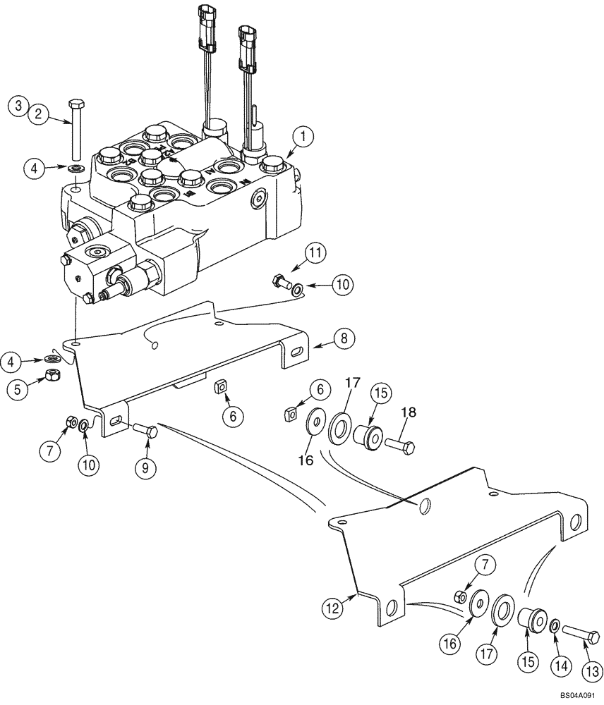
1

REF

INSTRUCTION

Control Valve, Loader, Two Spool; See Figure 08-10, 08-11

1шт.

2

814-10060

BOLT,Hex, M10 x 1.5 x 60mm, Cl 8.8

1шт.

3

814-10070

BOLT,Hex, M10 x 1.5 x 70mm, Cl 8.8

1шт.

5

832-41410

NUT,M10 x 1.5, Cl 10

2шт.

6

229197A1

SQUARE NUT,M8 x 1.25, Cl 8

M8

1шт.

7

832-41408

NUT,M8 x 1.25, Cl 10

M8

2шт.

8

410843A1

PLATE

Valve Mounting; North American Models; If Used

1шт.

9

614-8025

BOLT,Hex, M8 x 1.25 x 25mm, Cl 8.8, Full Thd

North American Models; If Used

2шт.

10

895-1008

Washer; 9 x 16 x 1.6 mm; North American Models; If Used

5шт.

11

614-8016

BOLT,Hex, M8 x 1.25 x 16mm, Cl 8.8, Full Thd

North American Models; If Used

1шт.

12

432448A2

PLATE

Valve Mounting; European Models, North American Models; See Figure 08-03; Without Dual Self Level

1шт.

13

43130

BOLT,Hex, M8 x 1.25 x 50mm, Cl 8.8

European Models, North American Models

2шт.

14

895-11008

WASHER,9mm ID x 16mm OD x 1.6mm Thk

European Models, North American Models

2шт.

15

D52276

ISOLATOR,10.16mm ID x 28.07mm OD x mm L

European Models, North American Models

2шт.

16

495-11081

WASHER,3/4", SAE

European Models, North American Models

3шт.

17

D52275

WASHER,9.92mm ID x 31.75mm OD x 2.78mm Thk

European Models, North American Models

2шт.

18

614-8030

BOLT,Hex, M8 x 1.25 x 30mm, Cl 8.8, Full Thd

European Models, North American Models

1шт.

4

895-11010

WASHER,11mm ID x 20mm OD x 2mm Thk

2шт.

Выбрано товаров: 18