Запчасти Case IH 40XT (08-10) - VALVE, CONTROL (SELF-LEVELING, DUAL) - MOUNTING (08) - HYDRAULICS

Схема запчастей Case IH 40XT - (08-10) - VALVE, CONTROL (SELF-LEVELING, DUAL) - MOUNTING (08) - HYDRAULICS
6
5
8
7
6
3
11
10
5
1
7
9
2
6
9
11
9
5
4
8
FIT
1:1
100%

Артикул

Название

Примечание

Количество

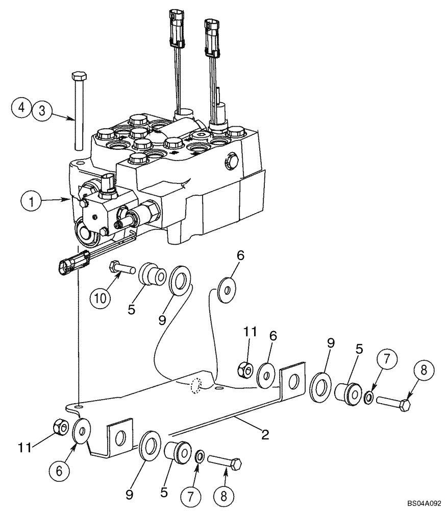
1

REF

INSTRUCTION

Control, Dual Self Level; See Figure 08-13

1шт.

2

432469A2

PLATE

Valve Mounting; Models With Dual Self Level, See Figure 08-03

1шт.

3

814-10110

BOLT,Hex, M10 x 1.5 x 110mm, Cl 8.8

1шт.

4

814-10110

BOLT,Hex, M10 x 1.5 x 110mm, Cl 8.8

Replaces 814-10100 (M10 x 100)

1шт.

5

D52276

ISOLATOR,10.16mm ID x 28.07mm OD x mm L

3шт.

6

D52275

WASHER,9.92mm ID x 31.75mm OD x 2.78mm Thk

3шт.

7

895-11008

WASHER,9mm ID x 16mm OD x 1.6mm Thk

2шт.

8

43130

BOLT,Hex, M8 x 1.25 x 50mm, Cl 8.8

Replaces 814-8040 (M8 x 40)

2шт.

9

495-11081

WASHER,3/4", SAE

3шт.

10

614-8030

BOLT,Hex, M8 x 1.25 x 30mm, Cl 8.8, Full Thd

1шт.

11

825-51410

FLANGE NUT,M10, Flg Ser

2шт.

Выбрано товаров: 11