Запчасти Case IH 40XT (08-14) - VALVE ASSY, CONTROL - SPOOLS AND DETENTS, DUAL SELF LEVEL (08) - HYDRAULICS

Схема запчастей Case IH 40XT - (08-14) - VALVE ASSY, CONTROL - SPOOLS AND DETENTS, DUAL SELF LEVEL (08) - HYDRAULICS
25
24
24
28
26
18
30
10
23
23
15
28
9
21
13
2
26
4
25
19
31
22
20
8
14
27
16
29
13
7
1
5
11
17
20
3
6
19
12
FIT
1:1
100%

Артикул

Название

Примечание

Количество

409057A1

VALVE

Control, Dual Self Level; Incl. Ref. 1 - 31; Incl. Fig. 08-10, 08-13, 08-14

1шт.

409057A2

VALVE

Control, Dual Self Level; Incl. Ref. 1 - 31; Incl. Fig. 08-10, 08-13, 08-14; Replaces 409057A1

1шт.

409057A3

VALVE

Control, Dual Self Level; Incl. Ref. 1 - 31; Incl. Fig. 08-10, 08-13, 08-14; Replaces 409057A2

1шт.

87431795

VALVE

Control, Dual Self Level; Incl. Ref. 1 - 31; Incl. Fig. 08-10, 08-13, 08-14; Replaces 409057A3

1шт.

451496A1

CONTROL VALVE

Control, Dual Self Level; Incl. Ref. 1 - 24; Incl. Fig. 08-13 - 08-14; Replaces 409057A3; If Used

1шт.

87431789

CONTROL VALVE

Control, Dual Self Level; Incl. Ref. 1 - 24; Incl. Fig. 08-13 - 08-14; Replaces 451496A1; If Used

1шт.

388170A3

SPOOL

Lift, Manual Detent; Incl. Ref. 1 - 8; Used With 409057A1, 409057A2; No Longer Available Order 436749A1

1шт.

436749A1

SPOOL

Lift, Manual Detent; Incl. Ref. 1 - 8; Used With 409057A3, 451496A1

1шт.

87427902

SPOOL

Lift, Manual Detent; Incl. Ref. 1 - 8; Used With 87431795, 87431789

1шт.

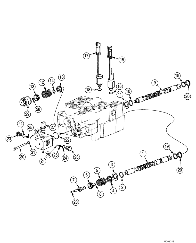
1

NSS

NOT SOLD SEPARAT

Spool, Loader Lift

1шт.

2

1994608C1

O-RING,0.737" ID x 0.943" OD x 0.103"

1шт.

3

G102711

RETAINER COLLAR,19.3 mm ID x 32.97 mm OD

1шт.

4

375708A1

SPRING WASHER

Washer

1шт.

5

380571A1

TENSION SPRING

Used With 409057A1, 409057A2, 409057A3

1шт.

5

1994596C1

SPRING

Used With 87431795, 451496A1, 87431789

1шт.

6

375707A1

RETAINER

1шт.

383471A1

Stud Assy; Manual Detent; Not Serviced As An Assembly, Order components; Incl. 7 - 8

1шт.

7

383472A1

DETENT

Stud; Use Loctite

1шт.

345-601

LOCTITE

No. 203, 1ml

1шт.

8

237-6003

O-RING,0.064" Thk x 0.301" ID, -903, Cl 6, 90 Duro

1шт.

388173A2

SPOOL

Loader Bucket, Auxiliary; Incl. 9 - 14; Used With 409057A1

1шт.

388173A4

SPOOL

Loader Bucket, Auxiliary; Incl. 9 - 14; Used With 409057A2, 409057A3, 451496A1

1шт.

87427904

SPOOL

Loader Bucket, Auxiliary; Incl. 9 - 14; Used With 87431795, 87431789

1шт.

9

NSS

NOT SOLD SEPARAT

Spool

1шт.

10

1994608C1

O-RING,0.737" ID x 0.943" OD x 0.103"

1шт.

11

G102711

RETAINER COLLAR,19.3 mm ID x 32.97 mm OD

1шт.

12

380571A1

TENSION SPRING

Used With 409057A1, 409057A2, 409057A3

1шт.

12

1994596C1

SPRING

Used With 87431795, 451496A1, 87431789

1шт.

13

375708A1

SPRING WASHER

Washer

2шт.

14

100-1647

SNAP RING,#47, Ext

1шт.

15

411874A2

SOLENOID

Spool Lock; Incl. 16; Used With 409057A1, 409057A2, 409057A3

1шт.

15

87429888

SOLENOID VALVE

Spool Lock; Incl. 16; Used With 87431795, 87431789

1шт.

16

237-8006

O-RING,0.078" Thk x 0.468" ID, -906, Cl 8, 90 Duro

Used w/ 87429888

1шт.

17

411875A2

SOLENOID

Spool Assy, Lock; Incl. 18; Used With 409057A1, 409057A2, 409057A3

1шт.

17

87429889

SOLENOID VALVE

Spool Assy, Lock; Incl. 18; Used With 87431795, 87431789

1шт.

18

237-8006

O-RING,0.078" Thk x 0.468" ID, -906, Cl 8, 90 Duro

Used w/ 87429889

1шт.

19

1994608C1

O-RING,0.737" ID x 0.943" OD x 0.103"

1шт.

20

65457C1

SEAL,19.04mm ID x 25.5mm OD x 3.17mm Thk

Oil

2шт.

21

409026A1

BODY

Cover

1шт.

21

417360A1

BLOCK

Cover; Used With 409057A2, 409057A3, 87431795, 451496A1, 87431789

1шт.

22

238-5027

O-RING,0.07" Thk x 1.301" ID, -27, Cl 5, 75 Duro

1шт.

23

409916A1

PLUG

Incl. Ref. 24

2шт.

24

237-6006

O-RING,0.078" Thk x 0.468" ID, -906, Cl 6, 90 Duro

1шт.

25

399853A1

TENSION SPRING

Detent

2шт.

26

211-1007

BALL,7/32" Dia

Gr 24, CRS

2шт.

27

393843A1

SOLENOID SWITCH

1шт.

28

G107780

VALVE, CHECK

2шт.

29

375714A2

CAP

Centering Spring; Use Loctite

1шт.

B17423

LOCTITE

No. 271, 50ml

1шт.

30

814-6080

BOLT,Hex, M6 x 1 x 80mm, Cl 8.8

2шт.

31

895-11006

WASHER,6.6mm ID x 12mm OD x 1.6mm Thk

2шт.

16

237-6006

O-RING,0.078" Thk x 0.468" ID, -906, Cl 6, 90 Duro

1шт.

18

237-6006

O-RING,0.078" Thk x 0.468" ID, -906, Cl 6, 90 Duro

1шт.

Выбрано товаров: 53