Запчасти Case IH 40XT (09-32) - DOOR, FRONT - LATCH (09) - CHASSIS

Схема запчастей Case IH 40XT - (09-32) - DOOR, FRONT - LATCH (09) - CHASSIS
9
5
13
15
21
11
1
10
18
14
16
21
12
21
19
8
2
20
11
18a
17
6
7
4
7
3
11
FIT
1:1
100%

Артикул

Название

Примечание

Количество

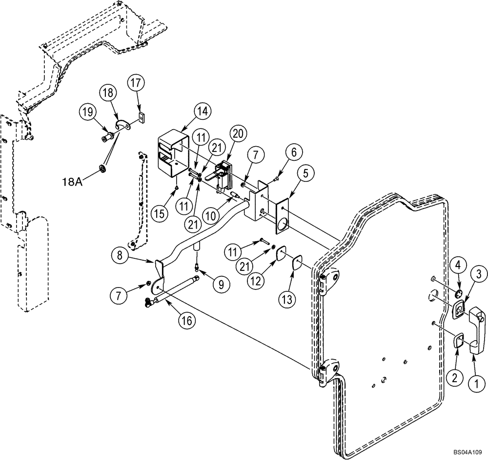
1

60-7083T1

HANDLE

Cab Door

1шт.

2

321552A1

BEZEL

1шт.

3

321551A1

BEZEL

1шт.

4

198916A2

CAP,M8 x 20, Black

Incl. in Kit 86989747, See Figure 09-30

1шт.

5

383465A3

SPACER

1шт.

6

569-4

SCREW,Hex Soc Flat Hd, M6 x 20, 8.8

4шт.

7

825-2408

FLANGE NUT,M8 x 1.25, Flg, Cl 8

2шт.

8

428886A3

BRACKET

Handle

1шт.

9

189609A1

BALL STUD,M8 x 1.25

M8

1шт.

10

383819A1

BUTTON

Door Latch

1шт.

11

840-1640

SCREW,Pan, M6 x 40mm, Cl 4.8

M6 x 40; Models With Lexan Door

3шт.

11

614-6035

BOLT,Hex, M6 x 1 x 35mm, Cl 8.8, Full Thd

Models w/glass

3шт.

12

391848A1

BACK PLATE

1шт.

13

391847A1

SEAL,57mm L

1шт.

14

396711A2

COVER

Door Lock

1шт.

15

760-14613

SELF-TAP SCREW,Pan Hd, M6.3 x 13

1шт.

16

395264A2

GAS STRUT

155 strk; Cylinder; Door Assist

1шт.

16a

254307A1

CLIP

Retainer; Not Illustrated, Used With 16

2шт.

17

275444A1

PLATE

Door Latch Pin

1шт.

18

321535A1

PROTECTOR

Door Striker; If Used

1шт.

18a

896-11012

WASHER,13.5mm ID x 24mm OD x 3mm Thk

Replaces 321535A1

1шт.

19

321277A1

PIN,17.2mm OD x 52mm L

1шт.

20

382777A1

LATCH

1шт.

21

895-30100

WASHER,6.6mm ID x 15mm OD x 1.6mm Thk

6.6 x 15 x 1.6; Models With Glass Door

3шт.

Выбрано товаров: 0