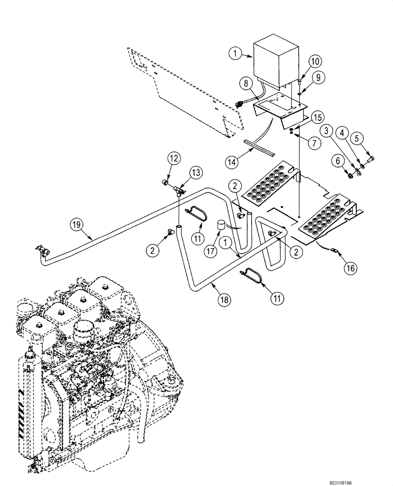
Запчасти Case IH 40XT (09-35) - HEATING SYSTEM - HEATER, FLOOR, NORTH AMERICAN MODELS (09) - CHASSIS

Схема запчастей Case IH 40XT - (09-35) - HEATING SYSTEM - HEATER, FLOOR, NORTH AMERICAN MODELS (09) - CHASSIS
2
1
8
11
11
17
18
2
9
16
12
3
7
4
19
13
10
6
5
1
14
15
2
FIT
1:1
100%

Артикул

Название

Примечание

Количество

1

434784A1

HEATER ASSY.

Machinery Item; Seals Used With Heater, See Figure 09-20; Component Parts NSS

1шт.

2

214-1410

HOSE CLAMP,#10, 0.56" - 1.06", Type F Worm

4шт.

3

515-2595

CLAMP,3/8", Insul, 1/2" Bolt

1шт.

4

896-11012

WASHER,13.5mm ID x 24mm OD x 3mm Thk

1шт.

5

614-12025

BOLT,Hex, M12 x 1.75 x 25mm, Cl 8.8, Full Thd

1шт.

6

825-51412

FLANGE NUT,M12, Flg Ser

1шт.

7

829-1406

NUT,Hex, M6 x 1, Cl 10.9

M6, 10.9

2шт.

8

413853A1

BRACKET

Plate; Heater Adapter

1шт.

9

895-15008

WASHER,9mm ID x 20mm OD x 1.6mm Thk

2шт.

10

614-8020

BOLT,Hex, M8 x 1.25 x 20mm

2шт.

11

L18337

CABLE TIE,9.95"-12.1" lg

CABLE STRAP 15 in.

2шт.

12

221-89

REDUCER,Hex, 1/2" x 3/8" NPT

2шт.

13

301803R1

SHUT-OFF VALVE

2шт.

14

431568A1

SEAL

1шт.

15

895-25006

WASHER,6.6mm ID x 18mm OD x 1.6mm Thk

2шт.

16

830-1108

NUT,Weld, M8

2шт.

17

434781A1

CONDUIT

2шт.

18

436520A1

HEATER HOSE,15.88 mm ID x 1778.00 mm

Supply

1шт.

19

436522A1

HEATER HOSE,15.9mm ID x 2134mm L

Return

1шт.

389135A1

HARNESS

Floor Heater; See Figure 04-16

1шт.

A149804

FUSE

30 amp; See Figure 04-13

1шт.

Выбрано товаров: 21