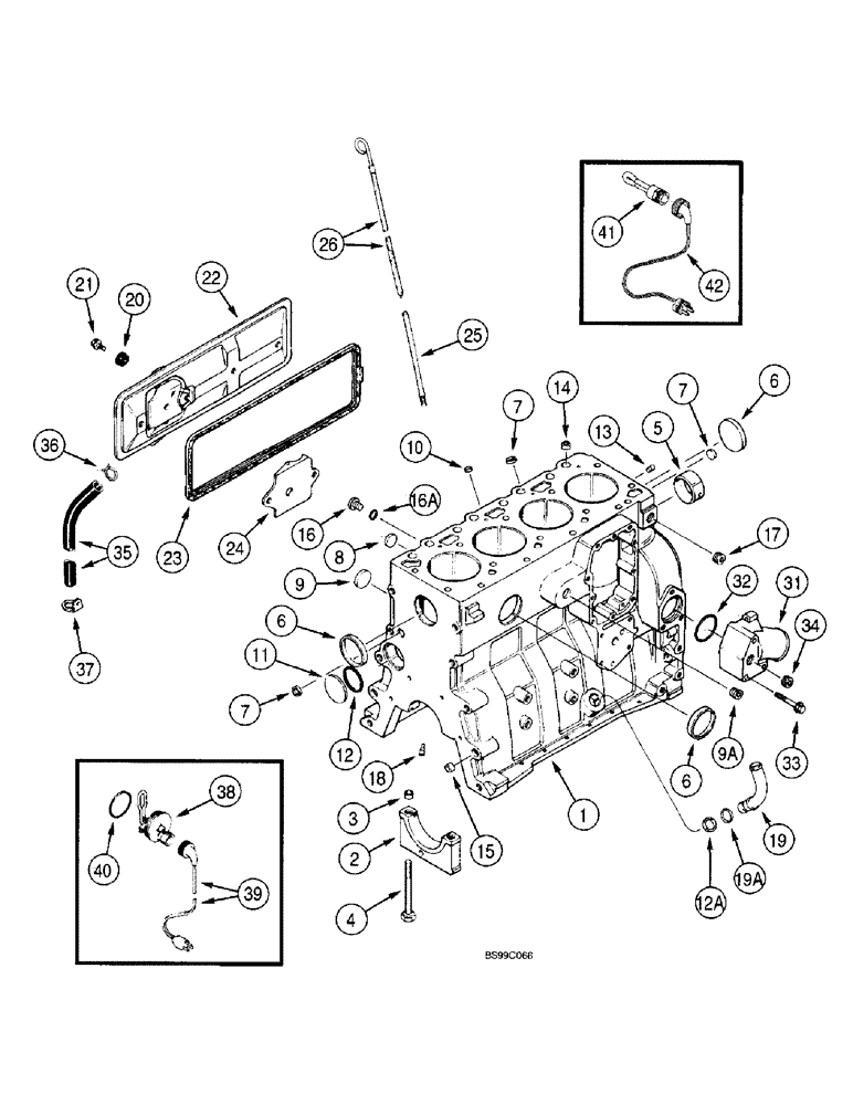
Запчасти Case IH 40XT (02-16A) - CYLINDER BLOCK, 4-390 EMISSIONS CERTIFIED ENGINE, USE WITH FUEL INJECTION PUMP J935677 (02) - ENGINE

Схема запчастей Case IH 40XT - (02-16A) - CYLINDER BLOCK, 4-390 EMISSIONS CERTIFIED ENGINE, USE WITH FUEL INJECTION PUMP J935677 (02) - ENGINE
23
31
40
26
9a
7
18
41
19a
36
15
32
14
20
8
16a
35
12
19
24
38
3
42
10
21
6
7
37
1
12a
16
22
13
6
11
25
39
33
7
4
17
5
6
2
34
9
FIT
1:1
100%

Артикул

Название

Примечание

Количество

326954A1

ENGINE ASSEMBLY

- 4-390 Emissions Certified, complete, for service order 339852A1 basic service engine below

1шт.

The engine part number is stamped on a metal tag which is mounted on the front gear cover.

1шт.

339851A1R

REMAN-BASIC ENGINE

Engine Assembly basic, remanufactured, component parts shown on this page do not apply to the remanufactured assembly; See Note

1шт.

315916A1C

CORE-ENGINE

Return Part Number use this part number to return basic engine core for credit when using a remanufactured assembly

1шт.

339851A1

ENGINE ASSEMBLY

- basic, includes all parts except starter, alternator, fan, fan belt, air cleaner, muffler, exhaust manifold, dipstick, fuel injection pump, injectors and lines, front pulley and belt tensioner

1шт.

JR935600

REMAN-SHORT ENGINE

Block Assembly short, remanufactured, component parts shown on this page do not apply to the remanufactured assembly, used with engine serial number 45705902 and after

1шт.

4-390-SHBC

CORE-SHORT ENGINE

Return Part Number use this part number to return short block core for credit when using a remanufactured assembly

1шт.

J935600

SHORT ENGINE

BLOCK ASSEMBLY - short, new, includes stripped block, pistons, connecting rods and bearings, crankshaft and bearings, used with engine serial number 45705902 and after, Includes: Ref. 1 - 8

1шт.

1

J932012

SCREW

BLOCK ASSEMBLY - stripped, engine, order J933220 block hardware kit shown below also, Includes: Ref. 2

1шт.

2

J903492

BEARING CAP

CAP - main bearing

5шт.

3

J900068

BEARING WASHER

RING - dowel, 18 mm OD, main bearing, Serial Range: cap-block

10шт.

4

J927948

BOLT,Flng, MJ12 x 1.5H6H x 119mm, Cl 12.9

SCREW, , Main bearing cap, Special Hex Flg Hd, M12 x 1.5 x 119

10шт.

5

REF

INSTRUCTION

BUSHING - camshaft front, see Fig. 2-27A, Ref. 2

1шт.

6

A77782

PLUG

- expansion, 58 mm OD

1шт.

7

J900956

PLUG

- expansion, 18 mm OD

3шт.

8

41-1616

PLUG,Cup, 1", Stainless

Expansion Cup, 1", Stainless

2шт.

J933220

PACKAGE,SERVICE

KIT - block hardware, Includes: Ref. 9 - 18

1шт.

9

J900958

PLUG

- expansion, 32 mm OD

2шт.

9a

A77505

PLUG

- hex socket, 3/4 inch PT

1шт.

10

J900955

PLUG

- expansion, 10 mm OD

1шт.

11

172599

PLUG,Exp, 2 3/8"

- expansion, Welch, 60 mm OD

1шт.

12

J926047

O-RING,0.07" Thk x 2.239" ID

- sealing, 57 mm ID

1шт.

12a

J920706

PLUG

- expansion, 22 mm OD

1шт.

13

J900257

PIN,10.01mm OD x 16mm L

- dowel, 16 mm long, locating

2шт.

14

J902343

DOWEL

RING - dowel, 16 mm OD

2шт.

15

J900068

BEARING WASHER

RING - dowel, 18 mm OD

2шт.

16

J678923

PLUG,M10 x 1

- hex socket, 10 mm, Includes: Ref. 16A

3шт.

16a

637-72081

O-RING,1.6mm Thk x 8.1mm ID, Cl 7, 75 Duro

- 8.1 ID x 1.6 mm wide, Plug

1шт.

17

A77429

PLUG

- hex socket, 1/2 inch PT

1шт.

17a

J678921

PLUG

- hex socket, 14 mm, not shown, Includes: Ref. 17B

1шт.

Ref. 17A - 17E are not used in this application.

1шт.

17b

J678912

O-RING,2.2mm Thk x 11.3mm ID

Sealing, Not shown 11.3MM ID x 2.2 Thk

1шт.

Ref. 17A - 17E are not used in this application.

1шт.

17c

J932296

PLUG

- timing sensor hole, not shown, Includes: Ref. 17D

1шт.

Ref. 17A - 17E are not used in this application.

1шт.

17d

J330478

O-RING,0.07" Thk x 0.676" ID

- sealing, not shown

1шт.

Ref. 17A - 17E are not used in this application.

1шт.

17e

844-8016

BOLT,Hex, M8 x 16mm, Cl 8.8

- heavy hex flange, 8 - 1.25 x 16 mm, Not shown

1шт.

Ref. 17A - 17E are not used in this application.

1шт.

18

J930139

NOZZLE CAP

NOZZLE - piston cooling

4шт.

19

J931973

TUBE,0.875" OD

- turbocharger oil drain, not used in this application, Ref. 12A plug is installed in this port

1шт.

19a

J931824

O-RING,0.07" Thk x 0.739" ID, -18, Cl 7, 75 Duro

O-RING - sealing, 18 mm ID, not used in this application

1шт.

20

J900267

SEAL

- cover bolt

4шт.

21

845-8016

BOLT,Hvy Hex, M8 x 16mm, Cl 8.8

- heavy hex flange, 8 - 1.25 x 16 mm

2шт.

22

J925680

COVER

- tappet

1шт.

23

J283767

GASKET,7.4mm Thk

- tappet cover

1шт.

24

J907586

BAFFLE

- tappet cover

1шт.

25

J905127

TUBE,9.52 mm OD x 180 mm L

- dipstick

1шт.

26

J904287

DIPSTICK

- oil level gauge

1шт.

31

J934877

HYD CONNECTOR

CONNECTION - water inlet, replaces J903102 connection

1шт.

32

J906697

SEAL,Square, 5.16mm Thk x 50.17mm ID

O-RING - sealing, 50 mm ID

1шт.

33

854-10075

BOLT,Hvy Hex, M10 x 75mm, Cl 10.9

- heavy hex flange, 10 - 1.5 x 75 mm, class 10.9

3шт.

34

A77429

PLUG

- hex socket, 1/2 inch PT

2шт.

35

J918612

TUBE,360.00 mm

Breather 360.00 mm

1шт.

36

J904230

CLAMP,25.4mm

- spring, hose

1шт.

37

J928989

CLIP

- retaining

1шт.

37a

J905369

PLUG

- expansion, 37 mm OD, installed in oil fill hole on left side of engine block, not shown

1шт.

196803A1

KIT

- engine block heater, 120V - 750W, Includes: Ref. 38 - 40; Install Ref. 38 In Place Of Ref. 6 Plug

1шт.

38

NSS

NOT SOLD SEPARAT

ELEMENT - engine heater, 120V, 750W; Installs In Place Of Ref. 6 Plug

1шт.

39

196466A1

ELECTRIC CABLE

CABLE - engine block heater

1шт.

40

J910517

O-RING

- heater sealing

1шт.

309651A1

KIT

- engine block heater, 120V - 750W; Incl. 41, 42; Install Ref. 41 In Place Of Ref. 9A Plug

1шт.

41

NSS

NOT SOLD SEPARAT

ELEMENT - engine heater, 120V - 750W; Installs In Place Of Ref. 9A Plug

1шт.

Install Ref. 41 element in place of Ref. 9A, A77505 plug.

1шт.

42

196466A1

ELECTRIC CABLE

CABLE - engine block heater

1шт.

Выбрано товаров: 65