Запчасти Case IH 60XT (08-42) - HYDRAULIC SYSTEM - BACKHOE SUPPLY AND RETURN (D125) (08) - HYDRAULICS

Схема запчастей Case IH 60XT - (08-42) - HYDRAULIC SYSTEM - BACKHOE SUPPLY AND RETURN (D125) (08) - HYDRAULICS
4
bs04a097
12
2
11
3
14
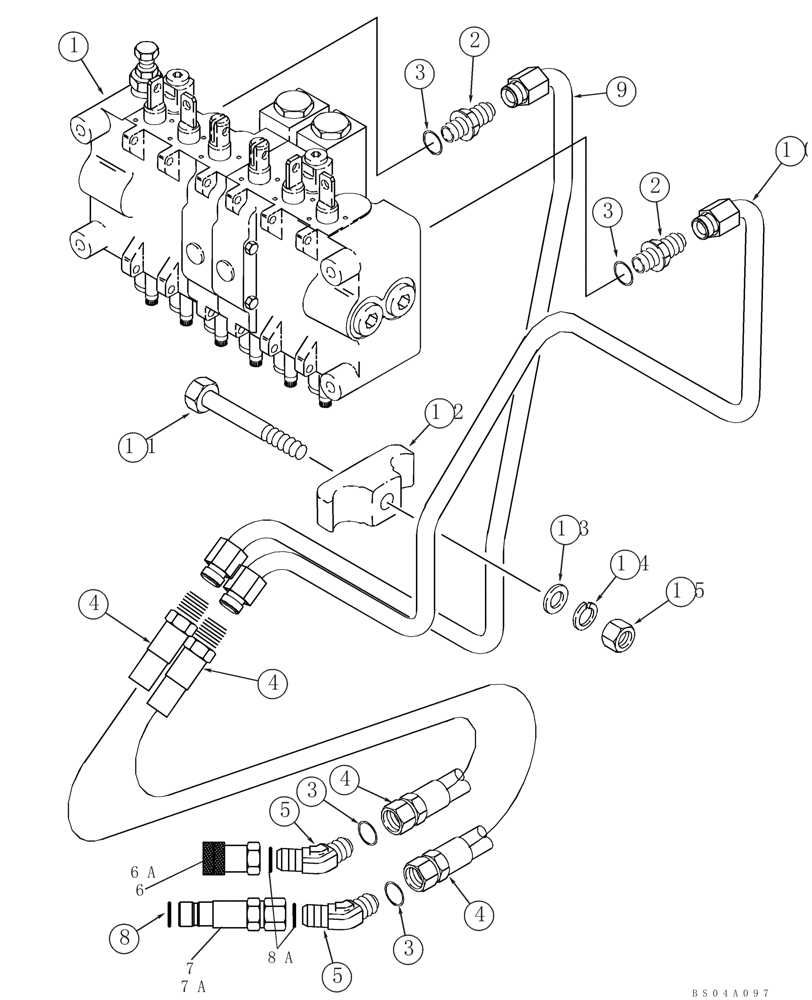
1
7a
13
8
4
10
5
3
4
2
15
8a
6
7
4
3
3
6a
5
9
FIT
1:1
100%

Артикул

Название

Примечание

Количество

REF

INSTRUCTION

D125 BACKHOE; If Used

1шт.

1

H674500

VALVE

Control; Backhoe; See Figure 08-48 - 08-50

1шт.

1

87400034

VALVE

Control; Backhoe; See Figure 08-48 - 08-50

1шт.

2

218-5062

HYD CONNECTOR,7/8"-14, 37 Degree x 7/8"-14, O-Ring

7/8 fl x Or; Incl. 3

2шт.

3

237-6010

O-RING,0.097" Thk x 0.755" ID, -910, Cl 6, 90 Duro

1шт.

4

275095A1

HOSE ASSY.

1250 mm (49-7/32 in)

2шт.

5

218-5137

ELBOW,45 Degree Elbow, 7/8" - 14 Male JIC x 7/8" - 14 Male ORB

2шт.

6

143431A1

COUPLING, QUICK, FEM

Female; Incl. 8A; If Used

1шт.

6a

393396A1

COUPLING

Female; Incl. 8A

1шт.

7

238243A1

COUPLING, BREAK AWAY

Male; Incl. 8; If Used

1шт.

7a

436994A1

COUPLING, BREAK AWAY

Male; Incl. 8A

1шт.

8

NSS

NOT SOLD SEPARAT

Seal; Order 185786A1

1шт.

185786A1

SET OF PARTS

Incl. 8

1шт.

8a

237-6010

O-RING,0.097" Thk x 0.755" ID, -910, Cl 6, 90 Duro

1шт.

9

259580A1

TUBE

Supply

1шт.

10

259582A1

TUBE,559, 445 mm Length

Supply

1шт.

11

413-628

BOLT,Hex, 3/8" - 16 x 1-3/4", Gr 5

1шт.

12

D120613

CLAMP,20mm ID

Plastic

1шт.

13

495-11041

WASHER,0.406" ID x 0.812" OD x 0.065" W

(13/32 x 13/16 x 1/16")

1шт.

14

492-11038

LOCK WASHER,3/8"

1шт.

15

84899

SQUARE NUT,Sq, 3/8"-16, G2

1шт.

Выбрано товаров: 21