Запчасти Case IH 60XT (09-33) - DOOR, FRONT - MOUNTING, FRAME (09) - CHASSIS

Схема запчастей Case IH 60XT - (09-33) - DOOR, FRONT - MOUNTING, FRAME (09) - CHASSIS
15
7
14
7
7
8
13
9
7
4
16
7
9
8
9
6
9
19
7
8
2
7
7
3
7
8
7
7
9
12
7
7
8
8
9
2
21
11
21
10
5
9
17
20
1
7
18
FIT
1:1
100%

Артикул

Название

Примечание

Количество

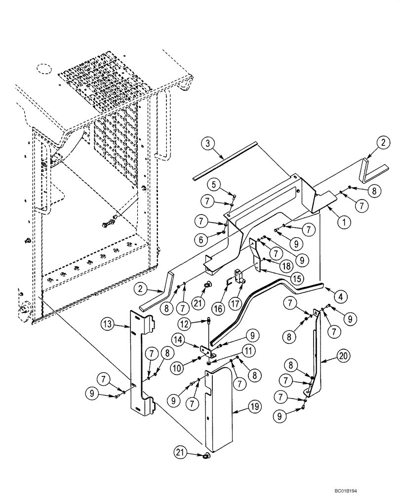
1

382731A2

FRAME

Overhead Door

1шт.

2

382736A1

SEAL

Overhead Frame

2шт.

3

393976A1

DOOR SEAL

Overhead Door

1шт.

4

394121A3

DOOR SEAL

Door Frame bracket

1шт.

5

614-6020

BOLT,Hex, M6 x 1 x 20mm, Cl 8.8, Full Thd

2шт.

6

832-10406

NUT,M6 x 1, Cl 8

2шт.

7

895-30100

WASHER,6.6mm ID x 15mm OD x 1.6mm Thk

6.6 x 15 x 1.6

30шт.

8

832-41406

NUT,M6 x 1, Cl 8

M6

13шт.

9

614-6020

BOLT,Hex, M6 x 1 x 20mm, Cl 8.8, Full Thd

15шт.

10

825-2406

FLANGE NUT,M6 x 1, Cl 8.8

2шт.

11

825-2408

FLANGE NUT,M8 x 1.25, Flg, Cl 8

1шт.

12

189609A1

BALL STUD,M8 x 1.25

M8

1шт.

13

382742A1

BRACKET

1шт.

14

428881A1

BRACKET

1шт.

15

383594A1

BRACKET

1шт.

16

H435814

U-BOLT

1шт.

17

392269A2

SWITCH

Seat Bar; See Figure 04-17

1шт.

18

193-1003

NUT,Keps, w/LW,#6-32

2шт.

19

382732A1

BRACKET

Door; Side; Right Hand Lower

1шт.

20

382733A2

BRACKET

Door; Side; Left Hand Lower

1шт.

21

378884A2

STRAP,254mm L

2шт.

Выбрано товаров: 21