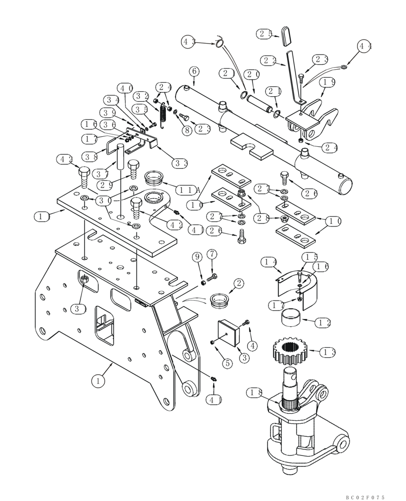
Запчасти Case IH 60XT (09-50) - BACKHOE - BOOM LOCK AND SWING CYLINDER (D125) (09) - CHASSIS

Схема запчастей Case IH 60XT - (09-50) - BACKHOE - BOOM LOCK AND SWING CYLINDER (D125) (09) - CHASSIS
21
17
26
27
27
15
35
42
42
38
41
18
7
bc02f075
20
2
16
10
8
19
13
25
1
24
43
14
44
36
22
11
39
24
33
10
29
11a
34
3
40
30
28
23
23
21
12
32
9
41
6
37
5
26
17
16
31
4
FIT
1:1
100%

Артикул

Название

Примечание

Количество

REF

INSTRUCTION

D125 BACKHOE

1шт.

330140A1

FRAME

Incl. 1, 2

1шт.

1

NSS

NOT SOLD SEPARAT

Frame

1шт.

2

H434397

BUSHING,70.04mm ID x 89mm OD x 32mm L

1шт.

3

D90990

GUARD

2шт.

4

413-616

BOLT,Hex, 3/8" - 16 x 1", Gr 5

2шт.

5

230-4216

LOCK NUT,3/8"-16, GA

1 in

2шт.

6

379623A1

CYLINDER ASSY.,Double Acting, 60.8mm Rod, 254mm Stroke

70 ID x 254 mm strk; Swing; See Figure 08-51

1шт.

7

113-2481

BOLT,Hex, 1/2" - 13 x 1-1/2", Gr 5, Full Thd

2шт.

8

496-21053

WASHER,17/32" x 1 1/16" x .134"

2шт.

9

425-148

JAM NUT,Jam, 1/2"-13, G5

2шт.

10

H437390

LARGE PLATE

PLATE, LARGE

4шт.

11

H674124

PLATE

Assy; Incl. 11A

1шт.

11a

H434397

BUSHING,70.04mm ID x 89mm OD x 32mm L

1шт.

12

H437362

SPACER

1шт.

13

H437361

PINION

1шт.

14

H674128

COVER

1шт.

15

413-524

BOLT,Hex, 5/16" - 18 x 1-1/2", Gr 5

3шт.

16

496-11034

WASHER,11/32" x 11/16" x 1/16", HDN

4шт.

17

232-4115

LOCK NUT,5/16"-18, GC

4шт.

18

100-11306

SNAP RING,#306, Ext

1шт.

19

H674110

LATCH

1шт.

20

H437323

PIN,31.8mm OD x 148mm L

1шт.

21

103-16125

SNAP RING,#125, Ext

2шт.

22

H436021

GRIP

1шт.

23

413-824

BOLT,Hex, 1/2" - 13 x 1-1/2", Gr 5

2шт.

24

230-4218

LOCK NUT,1/2"-13, GA

3шт.

25

H33332

GRIP

1шт.

26

413-1232

BOLT,Hex, 3/4" - 10 x 2", Gr 5

8шт.

27

H426817

WASHER

16шт.

28

231-51412

FLANGE NUT,Flg, USR, 3/4"-10

8шт.

29

413-1640

BOLT,Hex, 1" - 8 x 2-1/2", Gr 5

1шт.

30

D36505

WASHER,26.99mm ID x 47.63mm OD x 2.38mm Thk

5шт.

31

230-42116

LOCK NUT,1"-8, GA

5шт.

32

D124939

SPRING

1шт.

33

H438352

HANDLE

1шт.

34

H438354

ANGLE

1шт.

35

413-520

BOLT,Hex, 5/16" - 18 x 1-1/4", Gr 5

5/16 x 1-1/4

1шт.

36

H93971

SPACER,1/4" Pipe x 7/16"

1шт.

37

H438350

PIN

1шт.

38

H438351

LINK

1шт.

39

432-812

COTTER PIN,3/4" OAL x 1/8" W

2шт.

40

495-11028

WASHER,1/4", SAE

(9/32 x 5/8 x 1/16")

2шт.

41

219-8

LUBE NIPPLE,1/4" - 28 NPTF

2шт.

42

353055A1

COIL SPRING

1/4 tpr x 17/32

1шт.

43

413-1648

BOLT,Hex, 1" - 8 x 3", Gr 5

4шт.

44

496-21053

WASHER,17/32" x 1 1/16" x .134"

1шт.

Выбрано товаров: 47