Запчасти Case IH 60XT (04-14) - FUSE AND RELAY - OPTIONS (04) - ELECTRICAL SYSTEMS

Схема запчастей Case IH 60XT - (04-14) - FUSE AND RELAY - OPTIONS (04) - ELECTRICAL SYSTEMS
9
6
10
2
7
3
5
4
1
8
7
17
7
FIT
1:1
100%

Артикул

Название

Примечание

Количество

375633A8

HARNESS

Chassis Options; See Figure 04-09

1шт.

375634A4

HARNESS

Cab Options; See Figure 04-10

1шт.

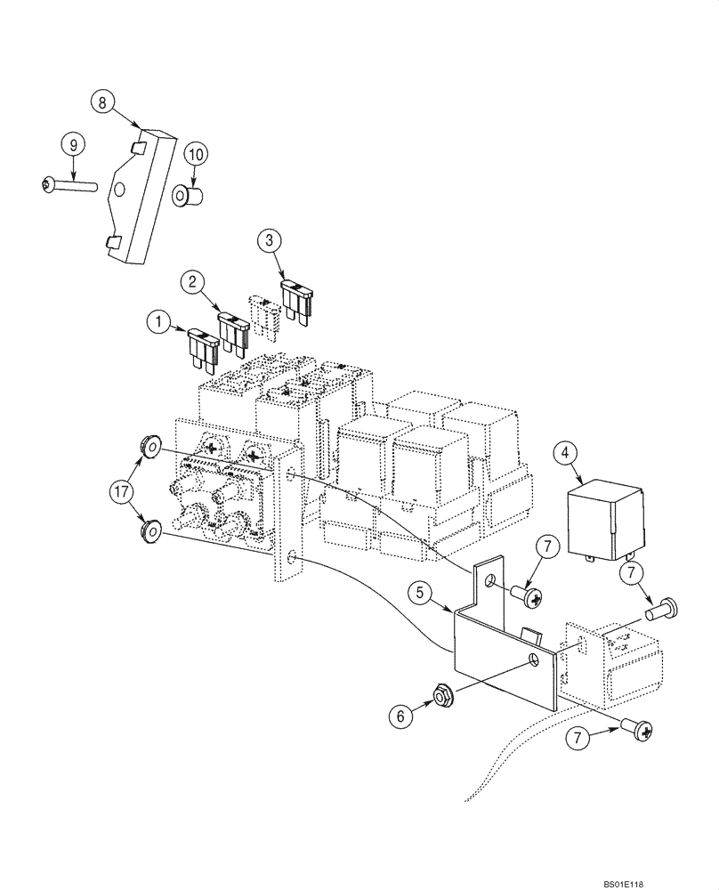
1

A149800

FUSE,10 Amp

10 amp; Models With Hydraulic Coupler; Models With Dual Self Level

1шт.

2

A149800

FUSE,10 Amp

10 amp; Models With Rotating Beacon; Models With Front Auxilliary Electric

1шт.

3

A149800

FUSE,10 Amp

10 amp; Models With Hydraulic Actuated Brake; Models With Electrical Accessory Outlet; Models With Accessory Power Outlet

1шт.

4

381990A2

RELAY

Sealed Time Delay; Models With Hydraulic Coupler; See Figure 08-08

1шт.

5

405813A1

ANGLE

1шт.

6

825-5145

NUT,M5, Flg Ser

3шт.

7

840-1512

SCREW,Pan, M5 x 12mm, Gr 4.8

3шт.

8

107558C1

RESISTOR

25 ohm; Models With Hydraulic Coupler

1шт.

9

190-104

SCREW,Phil Pan Hd, #10 - 32 x 1 1/2"

No. 10 NF x 1-1/2; Models With Hydraulic Coupler

1шт.

10

D122634

ISOLATOR,12.7mm OD x 14.1mm L

Models With Hydraulic Coupler

1шт.

Выбрано товаров: 12