Запчасти Case IH 70XT (03-01) - FUEL LINES, 60XT (03) - FUEL SYSTEM

Схема запчастей Case IH 70XT - (03-01) - FUEL LINES, 60XT (03) - FUEL SYSTEM
9
6
8
3
3
3
3
5
3
1
2
4
7
FIT
1:1
100%

Артикул

Название

Примечание

Количество

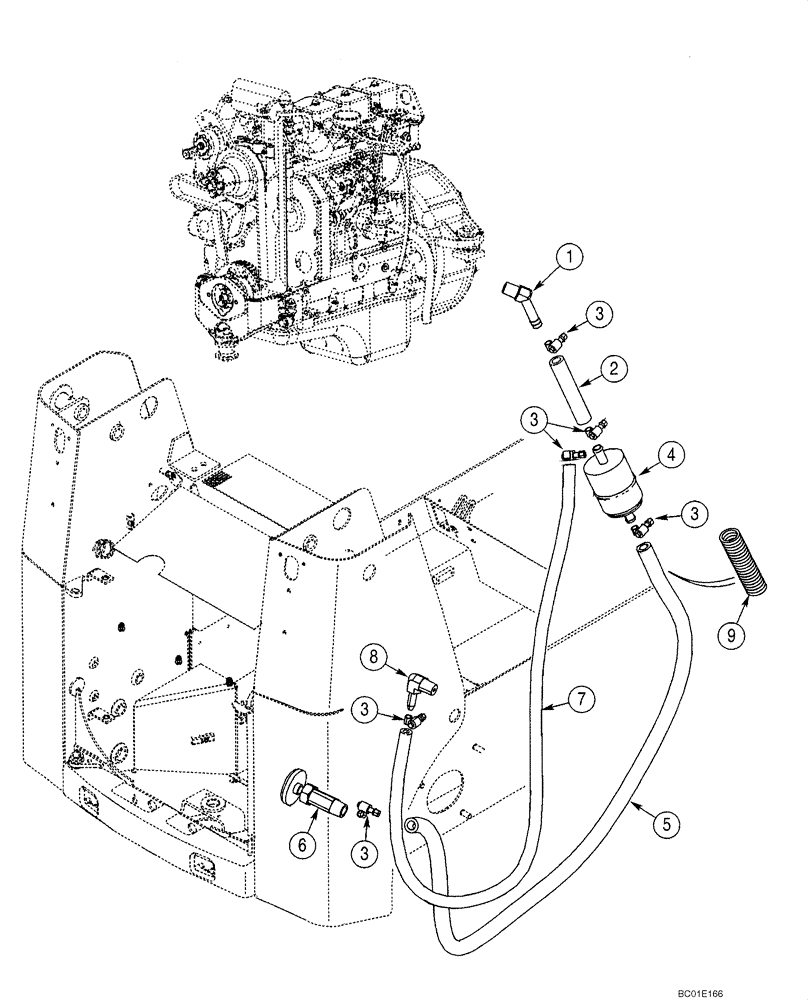
1

217-142

ELBOW,45 Degree Elbow, 3/8" Hose Barb x 1/4" Male NPTF

3/8 stem x 1/4 PT; Used On 60XT

1шт.

2

D138967

FUEL HOSE

80 mm (3-1/4 in.); Cut From A21561X

1шт.

3

214-1704

HOSE CLAMP,#04, 0.25" - 0.62", Type M Worm

6шт.

4

D139225

FILTER, FUEL

In-line

1шт.

5

391965A1

FUEL HOSE,9.53 mm ID x 1100.00 mm, SAE 30R6 or SAE 30R7

1шт.

6

H434805

VALVE

For Additional Fuel Shut Off Valve For Models With High-Flow Hydraulics, See Figure 08-26, Ref 22, 23, 24

1шт.

7

391966A1

FUEL HOSE,6.35 mm ID x 1200.00 mm, SAE 30R6 or SAE 30R7

1шт.

8

217-294

FITTING,90 Degree Elbow, 1/4" Hose Barb x 1/4" Male NPTF

1шт.

9

434521A1

SLEEVE,12.7mm ID x 57mm L

1шт.

Выбрано товаров: 0