Запчасти Case IH 70XT (06-03) - HYDROSTATICS - PUMP AND DRIVE MOTORS (NORTH AMERICA) (06) - POWER TRAIN

Схема запчастей Case IH 70XT - (06-03) - HYDROSTATICS - PUMP AND DRIVE MOTORS (NORTH AMERICA) (06) - POWER TRAIN
29
33
3
23
32
27a
34
30
8
2
26
17
25
1
36
28
9a
11
18
9
15
4
21
10
14
7
7
5
7
13
9
9
9
6
34
22
19
33
31
20
12
24
11
35
8
8
16
27
10
FIT
1:1
100%

Артикул

Название

Примечание

Количество

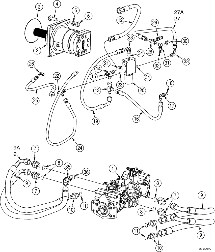
1

404281A1

PUMP

See Figure 06-08 -06-13; If Used

1шт.

1

452013A1

PUMP,46 CC

See Figure 06-14 - 06-19

1шт.

1

87298034

REMAN-HYD PUMP

Remanufactured PUMP

1шт.

1

87298035

CORE-HYDRAULIC PUMP

Return Number, PUMP

1шт.

1

404281A2

PUMP,46 CC

Tandem; See Figure 06-14 - 06-19; Replaces 404281A1, 452013A1

1шт.

1

87298032

REMAN-HYD PUMP

Remanufactured PUMP

1шт.

1

87298033

CORE-HYDRAULIC PUMP

Return Number, PUMP

1шт.

2

394538A2

MOTOR, HYDRAULIC

See Figure 06-21

2шт.

2

87457450R

REMAN-HYD MOTOR

2шт.

2

87457450C

Return Number

CORE-MOTOR HYDRAULIC

2шт.

3

238-5433

O-RING,0.275" Thk x 5.475" ID, -433, Cl 5, 75 Duro

2шт.

4

319619A1

BOLT,M16 x 2 x 60mm, Cl 10.9

M16 x 60; 10.9

8шт.

5

496-81004

WASHER,41/64" x 1.047" x .134", HDN

8шт.

6

832-41316

NUT,M16 x 2, Cl 10

8шт.

7

218-5077

HYD CONNECTOR,1-1/16" - 12 Male JIC x 1-5/16" - 12 Male ORB

Incl. 8

4шт.

8

237-6016

O-RING,0.116" Thk x 1.171" ID, -916, Cl 6, 90 Duro

1шт.

9

393201A2

HOSE ASSY.,19.05mm ID x 667mm L

667 mm (26-1/4 in.); Pump to Drive Motor

3-4шт.

9a

87407834

HOSE ASSY.,19.05mm ID x 609mm L

509 mm (20-19/64 in.); Pump to Drive Motor

1шт.

10

218-5064

HYD CONNECTOR,1-1/16" - 12 Male JIC x 1-1/16" - 12 Male ORB

Incl. 11

3шт.

11

237-6012

O-RING,0.116" Thk x 0.924" ID, -912, Cl 6, 90 Duro

1шт.

12

391752A1

HOSE ASSY.

521 mm (20-1/2 in.); Left Hand Motor Case Drain; Attaches To 218-5239; See Figure 06-01, Ref 19

1шт.

13

218-845

TEE,37 Degree, 3/4"-16 x 3/4"-16, Fem Sw Run

1шт.

14

218-5650

TEE,37 Degree, 3/4"-16, 9/16"-18 O-Ring Run, 3/4"-16

Incl. 15

1шт.

15

237-6006

O-RING,0.078" Thk x 0.468" ID, -906, Cl 6, 90 Duro

1шт.

16

379437A1

HOSE ASSY.

562 mm (22-1/8 in.); Motor to Motor Case Drain

1шт.

17

218-5105

ELBOW,90 Degree Elbow, 9/16" - 18 Male JIC x 9/16" - 18 Male ORB

Models Without High Flow Gear; See Figure 08-26, Ref 7; Incl. 18

1шт.

18

237-6006

O-RING,0.078" Thk x 0.468" ID, -906, Cl 6, 90 Duro

1шт.

19

414800A1

HOSE ASSY.

765 mm (30-1/8 in.); Brake Valve to Case Drain

1шт.

20

187505C91

VALVE

See Figure 08-23

1шт.

21

76349

PLUG,9/16" - 18 ORB

Incl. 21A

1шт.

21a

237-6006

O-RING,0.078" Thk x 0.468" ID, -906, Cl 6, 90 Duro

1шт.

22

218-5243

TEE,9/16" - 18 Male JIC x 9/16" - 18 Male JIC x 9/16" - 18 Male ORB

Incl. 23

1шт.

23

237-6006

O-RING,0.078" Thk x 0.468" ID, -906, Cl 6, 90 Duro

1шт.

24

395819A2

HOSE ASSY.

1100 mm (43-5/16 in.); Servo Supply

1шт.

25

395817A2

HOSE ASSY.

635 mm (25 in.); Servo Supply

1шт.

26

218-5170

ELBOW,45 Degree Elbow, 7/16" - 20 Male JIC x 7/16" - 20 Female JIC

If Used

1шт.

27

394532A1

HOSE ASSY.

654 mm (25-3/4 in); Brake Charge Pressure; If Used

1шт.

27

441462A1

HOSE ASSY.

510 mm (20-5/64 in); Brake Charge Pressure; If Used

1шт.

28

218-5222

TEE,37 Degree, 9/16"-18, x 9/16"-18, Fem Sw Run

1шт.

29

101792A1

COUPLING

1шт.

30

218-754

CAP,37 Degree, 9/16"-18

1шт.

31

L104616

TEE,9/16" - 18 JIC x 9/16" - 18 JIC x 9/16" - 18 ORB

Incl. 32

1шт.

32

237-6006

O-RING,0.078" Thk x 0.468" ID, -906, Cl 6, 90 Duro

1шт.

33

218-5105

ELBOW,90 Degree Elbow, 9/16" - 18 Male JIC x 9/16" - 18 Male ORB

Incl. 34

2шт.

34

237-6006

O-RING,0.078" Thk x 0.468" ID, -906, Cl 6, 90 Duro

1шт.

35

218-5138

ELBOW,45 Degree Elbow, 1-1/16" - 12 Male JIC x 1-1/16" - 12 Male ORB

Incl. 36; If Used

1шт.

36

237-6012

O-RING,0.116" Thk x 0.924" ID, -912, Cl 6, 90 Duro

1шт.

Выбрано товаров: 47