Запчасти Case IH 75XT (08-26) - HYDRAULICS, ATTACHMENT - HIGH FLOW, GEAR (08) - HYDRAULICS

Схема запчастей Case IH 75XT - (08-26) - HYDRAULICS, ATTACHMENT - HIGH FLOW, GEAR (08) - HYDRAULICS
6
6
4
1
2
5
7
3
3
2
FIT
1:1
100%

Артикул

Название

Примечание

Количество

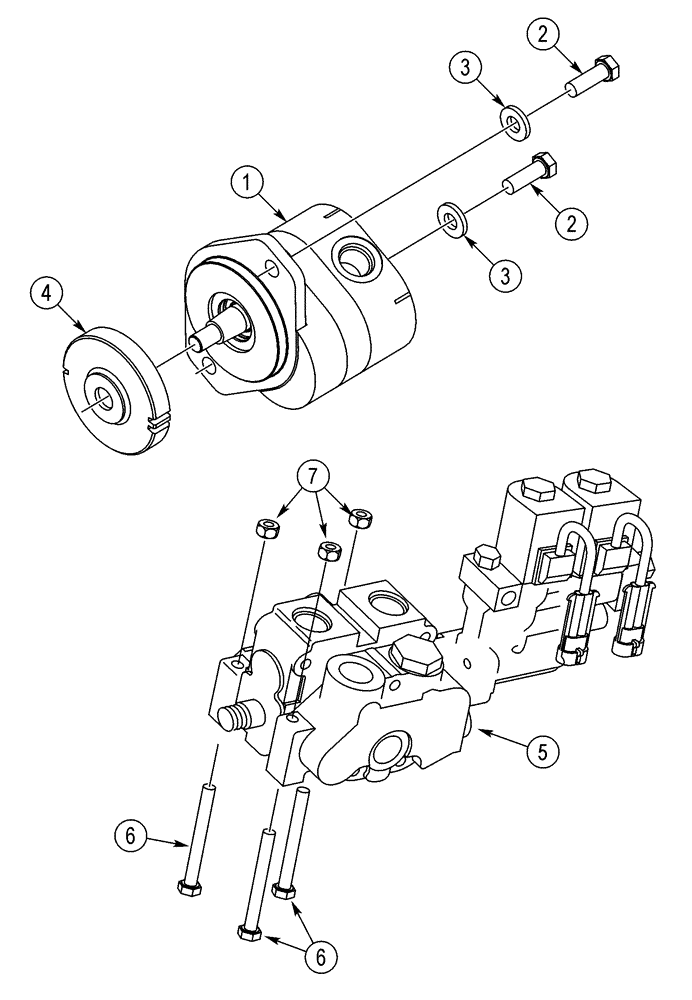
Gear Pump and Control Valve Mounting

1шт.

North American Models -JAF0318921

1шт.

European Models -JAF0352168

1шт.

1

395712A1

PUMP, HYDRAULIC

Consists Of 361942A1

1шт.

361942A1

SEAL KIT

See Figure 06-18

1шт.

2

627-12035

BOLT,Hex, M12 x 1.75 x 35mm, Cl 10.9, Full Thd

2шт.

3

896-15012

WASHER,13.5mm ID x 28mm OD x 4mm Thk

13,5 x 28 x 4 mm

2шт.

4

J924187

PINION

1шт.

5

372194A2

VALVE

See Figure 08-38

1шт.

6

814-8070

BOLT,Hex, M8 x 1.25 x 70mm, Cl 8.8

3шт.

7

832-41308

NUT,M8 x 1.25, Cl 10

3шт.

Выбрано товаров: 0