Запчасти Case IH 75XT (08-27) - HYDRAULICS, ATTACHMENT - HIGH FLOW, GEAR (08) - HYDRAULICS

Схема запчастей Case IH 75XT - (08-27) - HYDRAULICS, ATTACHMENT - HIGH FLOW, GEAR (08) - HYDRAULICS
2
4
15
3
6
10
3
14
6
12
4
8
7
10
4
5
9
11
1
13
9
FIT
1:1
100%

Артикул

Название

Примечание

Количество

Supply and, Serial Range: Return-Pump

1шт.

North American Models -JAF0318921

1шт.

European Models -JAF0352168

1шт.

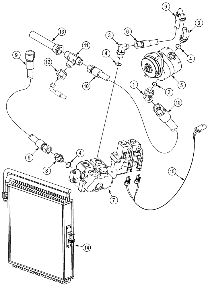
1

218-5140

45 ELBOW,45 Degree Elbow, 1-5/16" - 12 Male JIC x 1-5/16" - 12 Male ORB

1-5/16 fl x Or, Includes 2

1шт.

2

237-6016

O-RING,0.116" Thk x 1.171" ID, -916, Cl 6, 90 Duro

1шт.

3

218-5119

ELBOW,90 Degree Elbow, 7/8" - 14 Male JIC x 1-1/16" - 12 Male ORB

Incl. 4

2шт.

4

237-6012

O-RING,0.116" Thk x 0.924" ID, -912, Cl 6, 90 Duro

1шт.

5

395712A1

PUMP, HYDRAULIC

1шт.

6

401290A1

HOSE ASSY.

782 mm (30-3/4 in), Serial Range: Pump-Valve

1шт.

7

372194A2

VALVE

See Figure 08-38

1шт.

8

218-5064

HYD CONNECTOR,1-1/16" - 12 Male JIC x 1-1/16" - 12 Male ORB

Incl. 4

1шт.

9

401294A1

HOSE ASSY.

1705 mm (67-1/8 in), Serial Range: Valve-Filter

1шт.

10

401291A1

HOSE ASSY.

1034 mm (40-3/4 in), Pump Suction

1шт.

11

218-618

TEE,1 1/16"-12, 37º x 1"-11 1/2, NPTF Run

1шт.

12

218-724

REDUCER,37º, 1 5/16"-12, Fem x 9/16"-18 Male

1-5/16 FST x 9/16 fl, For Attaching Parts, See Figure 08-28, REF 13

1шт.

13

H151399

FILTER STRAINER

Suction

1шт.

14

237994A2

COOLER, OIL

For Attaching Parts, See Figure 06-01

1шт.

15

381005A1

HARNESS

See Figure 04-11

1шт.

Выбрано товаров: 0