Запчасти Case IH 75XT (02-18) - CYLINDER BLOCK (NORTH AMERICA) (02) - ENGINE

Схема запчастей Case IH 75XT - (02-18) - CYLINDER BLOCK (NORTH AMERICA) (02) - ENGINE
13
10
26
22
12a
21
19a
2
31
34
6
16a
27
40
16
20
7
28
12
25
11
35
7
6
19
1
15
14
42
8
9
39
17
23
3
7
5
41
18
37
4
6a
32
29
27
24
33
38
36
6
FIT
1:1
100%

Артикул

Название

Примечание

Количество

*

4-390 Emissions Certified Engine

1шт.

*

Use With Injection Pump J931397

1шт.

*

236304A1

ENGINE ASSEMBLY

ENGINE ASSY Complete Engine, Includes All Parts Except Starter, Alternator, Fan, Fan Belt, Air Cleaner, Muffler and Exhaust Pipe, No Longer Available, Order 315916A1

1шт.

*

315916A1R

ENGINE, EXCHANGE

ENGINE (EXCHANGE) Basic Service Engine, Remanufactured, For N.A. Only

1шт.

*

315916A1C

CORE-ENGINE

1шт.

*

315916A1

BASIC ENGINE

Basic Service Engine, Includes All Parts Except Starter, Alternator, Fan, Fan Belt, Air Cleaner, Muffler, Exhaust Manifold, Flywheel and Housing, Oil Fill and Dipstick, Fuel Injection Pump, Injectors and Lines, Front Pulley and Belt Tensioner

1шт.

*

J935233

BLOCK ASSY.

Includes Stripped Block, Pistons, Connecting Rods And Bearings, Crankshaft And Bearings, Consists Of 1 - 8

1шт.

*

JR935233

ENGINE, EXCHANGE

ENGINE (EXCHANGE) Short, Remanufactured, For N.A. Only

1шт.

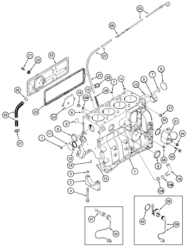
1

87444172

BLOCK ASSY.

Stripped, Consists Of 2 - 8, Order J933220

1шт.

2

J936791

BEARING CAP

Includes 3, Replaces J903492

5шт.

3

J900068

BEARING WASHER

18 mm OD

10шт.

4

J927948

BOLT,Flng, MJ12 x 1.5H6H x 119mm, Cl 12.9

10шт.

5

REF

INSTRUCTION

Bushing, See Figure 02-17

1шт.

6

A77782

PLUG

58 mm

1шт.

6a

A77505

PLUG

3/4 PT

1шт.

7

J900956

PLUG

18 mm OD

3шт.

8

41-1616

PLUG,Cup, 1", Stainless

2шт.

*

J933220

PACKAGE,SERVICE

Includes 9 - 18

1шт.

9

J900958

PLUG

32 mm OD

2шт.

10

J900955

PLUG

10 mm OD

3шт.

11

172599

PLUG,Exp, 2 3/8"

60 mm OD, Includes 12

1шт.

12

J926047

O-RING,0.07" Thk x 2.239" ID

57 mm ID

1шт.

12a

J920706

PLUG

22 mm

1шт.

13

J900257

PIN,10.01mm OD x 16mm L

16 mm, Not Illustrated

2шт.

14

J902343

DOWEL

16 mm OD

2шт.

15

J900068

BEARING WASHER

18 mm OD

2шт.

16

J678923

PLUG,M10 x 1

10 mm, Includes 16A

3шт.

16a

637-72081

O-RING,1.6mm Thk x 8.1mm ID, Cl 7, 75 Duro

1шт.

17

A77429

PLUG

1/2 PT

1шт.

18

J930139

NOZZLE CAP

4шт.

19

J931973

TUBE,0.875" OD

Not Used In This Application

1шт.

19a

J931824

O-RING,0.07" Thk x 0.739" ID, -18, Cl 7, 75 Duro

Not Used In This Application

1шт.

20

J900267

SEAL

4шт.

21

845-8016

BOLT,Hvy Hex, M8 x 16mm, Cl 8.8

2шт.

22

J925680

COVER

1шт.

23

J283767

GASKET,7.4mm Thk

1шт.

24

J907586

BAFFLE

1шт.

25

J933333

DIPSTICK

1шт.

26

J905802

FITTING,9.53 mm OD x 39 mm L

1шт.

27

J905801

TUBE

1шт.

28

A77645

TUBE

1шт.

29

214-1308

HOSE CLAMP,#8, 1/2", Spring

2шт.

31

J903102

CONNECTION

1шт.

32

J906697

SEAL,Square, 5.16mm Thk x 50.17mm ID

50 mm ID

1шт.

33

854-10075

BOLT,Hvy Hex, M10 x 75mm, Cl 10.9

3шт.

34

A77429

PLUG

1/2 PT

2шт.

35

J918612

TUBE,360.00 mm

1шт.

36

J904230

CLAMP,25.4mm

1шт.

37

J928989

CLIP

1шт.

37a

J905401

PLUG

35 mm, Oil Filler, Not Illustrated

1шт.

*

Engine Block Heater

1шт.

*

120 Volt

1шт.

*

196803A1

KIT

120V, Consists Of 38 - 40

1шт.

38

NSS

NOT SOLD SEPARAT

Element

1шт.

39

196466A1

ELECTRIC CABLE

1829 mm (72 in)

1шт.

40

J910517

O-RING

1шт.

*

309651A1

KIT

120V, Consists Of 41, 42

1шт.

8

4-390 Emissions Certified Engine

1шт.

*

Use With Injection Pump J931397

1шт.

41

NSS

NOT SOLD SEPARAT

Element, Replaces A77505

1шт.

42

196466A1

ELECTRIC CABLE

1829 mm (72 in)

1шт.

*

240 Volt

1шт.

*

309652A1

KIT

240V, Consists Of 41, 42

1шт.

41

NSS

NOT SOLD SEPARAT

Element, Replaces A77505

1шт.

42

J905114

ELECTRIC CABLE

1829 mm (72 in)

1шт.

*

Repair Kit

1шт.

*

A77907

PACKAGE, REPAIR

Engine Block, Not Illustrated, Consists Of 45 - 52

1шт.

45

J800455

PISTON ASSY.

See Figure 02-21

4шт.

46

J919053

PISTON PIN

See Figure 02-21

4шт.

47

A77894

BEARING SET,69mm ID x 73.53mm OD x 31mm W

See Figure 02-21

4шт.

48

J804940

BEARING SET

See Figure 02-19

4шт.

49

A77895

THRUST BEARING,KIT

See Figure 02-19

1шт.

50

A77911

SEAL PACKAGE

See Figure 02-22

1шт.

51

J283333

CYLINDER HEAD GASKET,2.32mm Thk

See Figure 02-15

1шт.

52

A77673

GASKET KIT

See Figure 02-14

1шт.

*

4-390 Emissions Certified Engine

1шт.

*

326956A1

ENGINE ASSEMBLY

ENGINE ASSY Complete Engine, Includes All Parts Except Starter, Alternator, Fan, Fan Belt, Air Cleaner, Muffler and Exhaust Pipe, Use With Injection Pump J935677, Order 349469A1, No Longer Used

1шт.

*

349469A1R

ENGINE ASSEMBLY

ENGINE ASSY Basic Service Engine, Remanufactured, For N.A. Only; See Note

1шт.

*

349469A1C

Return Number

CORE-BASIC ENGINE

1шт.

*

349469A1

BASIC ENGINE

Basic Service Engine, Includes All Parts Except Starter, Alternator, Fan, Fan Belt, Air Cleaner, Muffler, Exhaust Manifold, Flywheel and Housing, Oil Fill and Dipstick, Fuel Injection Pump, Injectors and Lines, Front Pulley and Belt Tensioner; See Note

1шт.

*

379986A1

Complete Engine, Includes All Parts Except Starter, Alternator, Fan, Fan Belt, Air Cleaner, Muffler and Exhaust Pipe, Use With Injection Pump J935671, Order 377987A1

1шт.

*

87605125

ENGINE,4 Cylinders

Basic Service Engine, Includes All Parts Except Starter, Alternator, Fan, Fan Belt, Air Cleaner, Muffler, Exhaust Manifold, Flywheel and Housing, Oil Fill and Dipstick, Fuel Injection Pump, Injectors and Lines, Front Pulley and Belt Tensioner; See Note

1шт.

*

377987A1R

REMAN-BASIC ENGINE,4 Cylinders

Basic Service Engine With Three Bolt Hole Injection Pump Mounting, Includes All Parts Except Starter, Alternator, Fan, Fan Belt, Air Cleaner, Muffler, Exhaust Manifold, Flywheel and Housing, Oil Fill and Dipstick, Fuel Injection Pump, Injectors and Lines, Front Pulley and Belt Tensioner

1шт.

*

377987A1C

CORE-BASIC ENGINE,4 Cylinders

Return Number

1шт.

*

395885A1

Complete Engine, Includes All Parts Except Starter, Alternator, Fan, Fan Belt, Air Cleaner, Muffler and Exhaust Pipe, Use With Injection Pump J935671, Order 377987A1

1шт.

*

377987A1

BASIC ENGINE,4 Cylinders

Basic Service Engine, Includes All Parts Except Starter, Alternator, Fan, Fan Belt, Air Cleaner, Muffler, Exhaust Manifold, Flywheel and Housing, Oil Fill and Dipstick, Fuel Injection Pump, Injectors and Lines, Front Pulley and Belt Tensioner

1шт.

*

47465946R

REMAN-BASIC ENGINE

Basic Service Engine With Four Bolt Hole Injection Pump Mounting, Includes All Parts Except Starter, Alternator, Fan, Fan Belt, Air Cleaner, Muffler, Exhaust Manifold, Flywheel and Housing, Oil Fill and Dipstick, Fuel Injection Pump, Injectors and Lines, Front Pulley and Belt Tensioner

1шт.

*

47465946C

CORE-BASIC ENGINE

Return Number

1шт.

*

J935600

SHORT ENGINE

Short, Includes Stripped Block, Pistons, Connecting Rods And Bearings, Crankshaft And Bearings, Use With Injection Pump J935677

1шт.

*

J933649

SHORT ENGINE

Short, Includes Stripped Block, Pistons, Connecting Rods And Bearings, Crankshaft And Bearings, Use With Injection Pump J935671

1шт.

*

JR933649

REMAN-SHORT ENGINE

Remanufactured, For N.A. Only

1шт.

*

JC933649

CORE-SHORT ENGINE

Return Number, For N.A. Only

1шт.

1

87444172

BLOCK ASSY.

Stripped, Consists Of 2 - 8, Also Order J933220

1шт.

2

J936791

BEARING CAP

Includes 3, Replaces J903492

5шт.

3

J900068

BEARING WASHER

18 mm OD

2шт.

4

J927948

BOLT,Flng, MJ12 x 1.5H6H x 119mm, Cl 12.9

10шт.

*

4-390 Emissions Certified Engine

1шт.

*

Use With Injection Pump J935677, J935671

1шт.

5

REF

INSTRUCTION

Bushing, See Figure 02-17

1шт.

6

A77782

PLUG

58 mm

1шт.

6a

A77505

PLUG

3/4 PT

1шт.

7

J900956

PLUG

18 mm OD

3шт.

8

41-1616

PLUG,Cup, 1", Stainless

2шт.

*

J933220

PACKAGE,SERVICE

Includes 9 - 18

1шт.

9

J905369

PLUG

Oil Fill, Left Hand Side, For N.A. Only

2шт.

9

J900958

PLUG

32 mm OD, Europe Only

2шт.

10

J900955

PLUG

10 mm OD

3шт.

11

172599

PLUG,Exp, 2 3/8"

60 mm OD, Includes 12

1шт.

12

J926047

O-RING,0.07" Thk x 2.239" ID

57 mm ID

1шт.

12a

J920706

PLUG

22 mm

1шт.

13

J900257

PIN,10.01mm OD x 16mm L

16 mm

2шт.

14

J902343

DOWEL

16 mm OD

2шт.

15

J900068

BEARING WASHER

18 mm OD

2шт.

16

J678923

PLUG,M10 x 1

10 mm, Includes 16A

3шт.

16a

637-72081

O-RING,1.6mm Thk x 8.1mm ID, Cl 7, 75 Duro

1шт.

17

A77429

PLUG

1/2 PT

1шт.

17a

J678921

PLUG

14 mm, Not Used In This Application, Includes 17B

1шт.

17b

J678912

O-RING,2.2mm Thk x 11.3mm ID

Not used in this application

1шт.

17c

J932296

PLUG

Not Used In This Application, Includes 17D

1шт.

17d

J330478

O-RING,0.07" Thk x 0.676" ID

Not Used In This Application

1шт.

17e

844-8016

BOLT,Hex, M8 x 16mm, Cl 8.8

Not Used In This Application

1шт.

18

J937214

NOZZLE CAP

Replaces J930139

4шт.

19

J931973

TUBE,0.875" OD

Not Used In This Application

1шт.

19a

J931824

O-RING,0.07" Thk x 0.739" ID, -18, Cl 7, 75 Duro

Not Used In This Application

1шт.

20

J928759

SEALING WASHER

2шт.

21

845-8016

BOLT,Hvy Hex, M8 x 16mm, Cl 8.8

2шт.

22

J936186

COVER

Replaces J925680

1шт.

23

J283767

GASKET,7.4mm Thk

1шт.

24

J907586

BAFFLE

1шт.

25

J933333

DIPSTICK

1шт.

26

J905802

FITTING,9.53 mm OD x 39 mm L

1шт.

27

J905801

TUBE

1шт.

28

A77645

TUBE

1шт.

29

214-1308

HOSE CLAMP,#8, 1/2", Spring

2шт.

31

J934877

HYD CONNECTOR

1шт.

32

J906697

SEAL,Square, 5.16mm Thk x 50.17mm ID

50 mm ID

1шт.

33

854-10075

BOLT,Hvy Hex, M10 x 75mm, Cl 10.9

3шт.

34

A77429

PLUG

1/2 PT

2шт.

35

J918612

TUBE,360.00 mm

1шт.

36

J904230

CLAMP,25.4mm

1шт.

37

J928989

CLIP

1шт.

37a

J905401

PLUG

35 mm, Oil Filler, Not Illustrated

1шт.

*

Engine Block Heater

1шт.

*

196803A1

KIT

Engine Block Heater, 120V - 750W; Incl. 38 - 40; Install Ref. 38 In Place Of Ref. 6 Plug

1шт.

38

NSS

NOT SOLD SEPARAT

Element, 120V - 750W; Installs In Place Of Ref. 6 Plug

1шт.

39

196466A1

ELECTRIC CABLE

120V - 750W, 1829 mm (72 in)

1шт.

40

J910517

O-RING

1шт.

*

124340A1

KIT

Engine Block Heater, 240V - 750W; Incl 38 - 40; Install Ref 38 In Place Of Ref 6 Plug; Europe Only

1шт.

38

NSS

NOT SOLD SEPARAT

240V - 750W, Element; Install In Place Of Ref 6 Plug

1шт.

39

J905114

ELECTRIC CABLE

240V - 750W, 1829 mm (72 in)

1шт.

40

J910517

O-RING

1шт.

*

309651A1

KIT

Engine Block Heater, 120V - 750W; Incl. 41, 42; Install Ref. 41 In Place Of Ref. 6A Plug

1шт.

41

NSS

NOT SOLD SEPARAT

Element, 120V - 750W; Installs In Place Of Ref. 6A Plug

1шт.

42

196466A1

ELECTRIC CABLE

120V - 750W, 1829 mm (72 in)

1шт.

*

309652A1

KIT

Engine Block Heater, 240V - 750W; Install Ref 41 In Place Of Ref 6A Plug

1шт.

41

NSS

NOT SOLD SEPARAT

240V - 750W, Element; Installs In Place Of Ref 6A Plug

1шт.

42

J905114

ELECTRIC CABLE

240V - 750W, 1829 mm (72 in)

1шт.

*

240 Volt

1шт.

Выбрано товаров: 158