Запчасти Case IH 75XT (08-16) - HYDRAULICS, ATTACHMENT - HIGH FLOW, GEAR (08) - HYDRAULICS

Схема запчастей Case IH 75XT - (08-16) - HYDRAULICS, ATTACHMENT - HIGH FLOW, GEAR (08) - HYDRAULICS
14
4
8
9
4
13
3
3
7
6
12
6
1
10
4
2
10
5
11
9
FIT
1:1
100%

Артикул

Название

Примечание

Количество

REF

INSTRUCTION

SUPPLY AND RETURN TO PUMP

1шт.

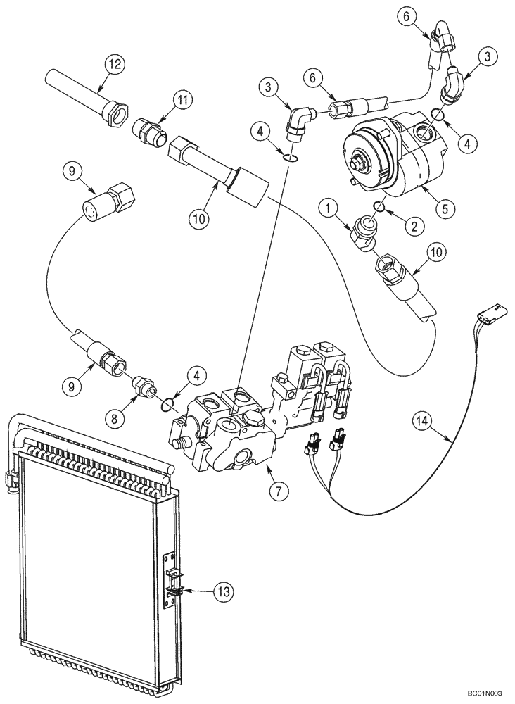
1

218-5140

45 ELBOW,45 Degree Elbow, 1-5/16" - 12 Male JIC x 1-5/16" - 12 Male ORB

1-5/16 fl x Or; Incl. 2

1шт.

2

237-6016

O-RING,0.116" Thk x 1.171" ID, -916, Cl 6, 90 Duro

1шт.

3

218-5119

ELBOW,90 Degree Elbow, 7/8" - 14 Male JIC x 1-1/16" - 12 Male ORB

Incl. 4

2шт.

4

237-6012

O-RING,0.116" Thk x 0.924" ID, -912, Cl 6, 90 Duro

1шт.

5

411822A1

PUMP, HYDRAULIC

1шт.

6

401290A1

HOSE ASSY.

782 mm (30-3/4 in);, Serial Range: Pump-Valve

1шт.

7

372194A2

VALVE

Control; See Figure 08-20

1шт.

8

218-5064

HYD CONNECTOR,1-1/16" - 12 Male JIC x 1-1/16" - 12 Male ORB

Incl. 4

1шт.

9

419882A1

HOSE ASSY.

683 mm (26-7/8 in); Return High Flow

1шт.

10

430368A1

HOSE ASSY.

1160 mm (45-5/8 in); Pump Suction

1шт.

11

218-448

HYD CONNECTOR,1-5/16" - 12 Male JIC x 1" - 11-1/2 Male NPTF

1-5/16 fl x 1 PT

1шт.

12

H151399

FILTER STRAINER

Suction

1шт.

13

237994A2

COOLER, OIL

For Attaching Parts; See Figure 06-03; With Turbulators, Behr# BM20561 And Core Length Of 20-1/4"

1шт.

14

381005A1

HARNESS

See Figure 04-08

1шт.

Выбрано товаров: 15