Запчасти Case IH 75XT (04-09) - SWITCH MOUNTING - CHASSIS OPTIONS (04) - ELECTRICAL SYSTEMS

Схема запчастей Case IH 75XT - (04-09) - SWITCH MOUNTING - CHASSIS OPTIONS (04) - ELECTRICAL SYSTEMS
9
17
16
14
10
5
12
6
4
3
7
11
13
2
15
5
8
19
20
18
FIT
1:1
100%

Артикул

Название

Примечание

Количество

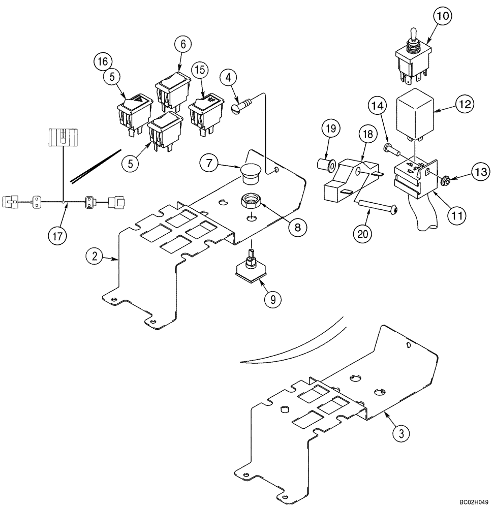
1

400180A1

HARNESS

Chassis Options; Not Illustrated; See Figure 04-08

1шт.

2

234311A2

PLATE ASSY.

Switch Mounting; Standard; If Equipped

1шт.

3

294081A1

PLATE

Switch Mounting; Models With Deluxe Heater

1шт.

4

840-1516

SCREW,Pan, M5 x 16mm, Cl 4.8

1шт.

5

223837A1

SWITCH

Rocker; Auxiliary Power; If Equipped

2шт.

6

133714A1

BEACON SWITCH

Rocker; Beacon Light; See Figure 04-19

1шт.

7

111282C1

KNOB

Blower Switch

1шт.

8

109311H

JAM NUT

7/16 NF

1шт.

9

168822C2

SWITCH

Blower

1шт.

10

400137A1

SWITCH

Models With Hydraulic Coupler

1шт.

11

400081A2

HARNESS

Hydraulic Coupler Switch

1шт.

12

381990A2

RELAY

See Figure 04-19

1шт.

13

825-5145

NUT,M5, Flg Ser

1шт.

14

840-1516

SCREW,Pan, M5 x 16mm, Cl 4.8

1шт.

15

122736A1

FLASHER SWITCH

Rocker; Flasher

1шт.

16

373331A1

TOGGLE SWITCH

Rocker; Loader Lock; Europe Only

1шт.

17

373296A1

HARNESS

Rocker; Loader Lock; Europe Only

1шт.

18

107558C1

RESISTOR

25 ohm

1шт.

19

D122634

ISOLATOR,12.7mm OD x 14.1mm L

1шт.

20

190-104

SCREW,Phil Pan Hd, #10 - 32 x 1 1/2"

No. 10 NF x 1-1/2

1шт.

Выбрано товаров: 20