Запчасти Case IH 85XT (06-13) - PUMP, TANDEM, CONTROL (06) - POWER TRAIN

Схема запчастей Case IH 85XT - (06-13) - PUMP, TANDEM, CONTROL (06) - POWER TRAIN
21
1
11
17
15
5a
9
8
5b
20
19
18
6a
6
22
4
20
1a
23
10
1a
16
13
8a
12
7
3
5
15
6b
4
14
21
13
1
16
3
14
22a
18
12
7
9
2
10
17
22
19
2
11
FIT
1:1
100%

Артикул

Название

Примечание

Количество

REF

INSTRUCTION

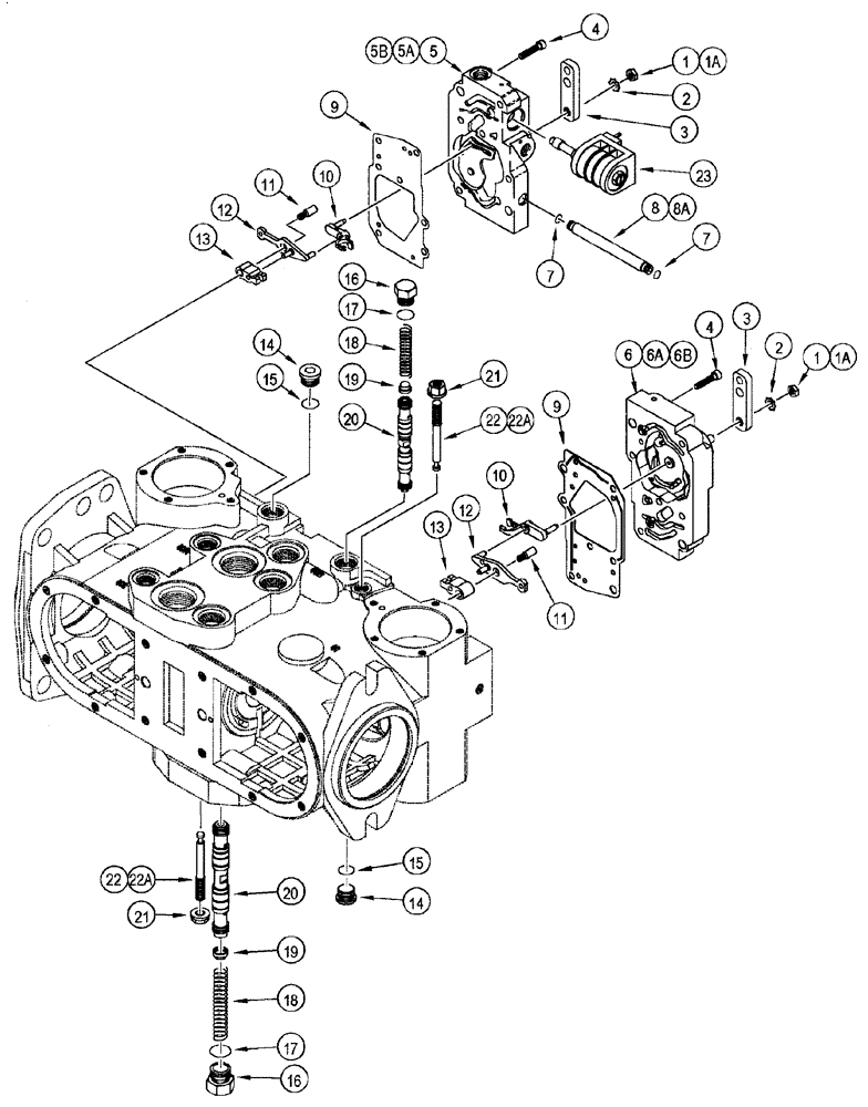
PUMP Tandem, See Page(s) 6-15, Consists Of: 6-17 - 6-31

1шт.

1

105693A1

NUT

Component of 259625A2, See Figure 06-10

2шт.

1a

324796A1

NUT

Component of 320271A1, See Figure 06-10

2шт.

2

493-41033

LOCK WASHER,0.33" ID x 0.61" OD x 0.03" Thk

2шт.

3

259487A1

LEVER

2шт.

4

233022A1

SCREW

14шт.

5

259488A1

CONTROL

Front Pump, See Figure 06-15, Component Of 259625A2, See Figure 06-10, No Longer Available, Order 372446A1, 372551A1

1шт.

5a

320273A1

SET OF PARTS

Front Pump, Component Parts Not Serviced Separately, Component Of 320271A1, No Longer Available, Order 372446A1, 372551A1

1шт.

5a

372551A1

KIT

Front Pump, Component Parts Not Serviced Separately, Component Of 357008A1, No Longer Used, Order 436130A1

1шт.

5b

436130A1

KIT

Front Pump, Incl. 436129A1, 436132A1, Not Illustrated Separately; , Component Of 433902A1, See Figure 06-15

1шт.

436129A1

RING, SNAP

RING SNAP

1шт.

436132A1

SWITCH

Backup Alarm

1шт.

5c

372446A1

KIT

Not Illustrated

1шт.

5c

87297990

REMAN-HYD PUMP

Remanufactured HYDRAULIC PUMP - N.A. Only

1шт.

5c

87297991

CORE-HYDRAULIC PUMP

Return No, HYDRAULIC PUMP - N.A. Only

1шт.

6

259489A1

CONTROL

Rear Ppump, See Figure 06-16, Component Of 259625A2, See Figure 06-10, No Longer Available, Order 320274A1

1шт.

6a

320274A1

SET OF PARTS

Rear Pump, Component Parts Not Serviced Separately, Component Of 320271A1, See Figure 06-10, No Longer Used, Order 436131A1

1шт.

6b

436131A1

KIT

Rear Pump, Incl. 436129A1, 436132A1, Not Illustrated Separately; Component Of 433902A1, See Figure 06-10

1шт.

436129A1

RING, SNAP

RING SNAP

1шт.

436132A1

SWITCH

Backup Alarm

1шт.

7

238-6011

O-RING,0.07" Thk x 0.301" ID, -11, Cl 6, 90 Duro

2шт.

8

233031A1

TUBE

Component of 259625A2, See Figure 06-10

1шт.

8a

324798A1

TUBE

Component of 320271A1, See Figure 06-10

1шт.

9

233035A1

GASKET

2шт.

10

233024A1

JOINT

Control spool

2шт.

11

233023A1

SCREW

2шт.

12

233026A1

JOINT

Feedback

2шт.

13

233027A1

JOINT

Adjustment

2шт.

14

71100209

PLUG,Hex Soc, 3/4"-16 ORB

Incl Ref 15

2шт.

15

237-6008

O-RING,0.087" Thk x 0.644" ID, -908, Cl 6, 90 Duro

1шт.

Part of plug P/N 218-5210

1шт.

16

291791A1

PLUG

Includes: Ref. 17

2шт.

17

237-6008

O-RING,0.087" Thk x 0.644" ID, -908, Cl 6, 90 Duro

2шт.

Part of plug P/N 291791A1

1шт.

291115A1

SPOOL

Consists Of: Ref. 18 - 20

2шт.

18

291117A1

SPRING

1шт.

Part of spool P/N 291115A1

1шт.

19

291120A1

SPRING SEAT

1шт.

Part of spool P/N 291115A1

1шт.

20

291116A1

SPOOL

1шт.

Part of spool P/N 291115A1

1шт.

21

233029A1

NUT

2шт.

22

233028A1

SET SCREW

Component Of 259625A2, See Figure 06-10

2шт.

22a

324795A1

SET SCREW

Component Of 320271A1, See Figure 06-10

2шт.

23

299414A1

SOLENOID

Neutral Override

1шт.

Выбрано товаров: 45