Запчасти Case IH 85XT (07-06) - BRAKE RELEASE MANUAL (07) - BRAKES

Схема запчастей Case IH 85XT - (07-06) - BRAKE RELEASE MANUAL (07) - BRAKES
3
3
13
6
8
12
15
10
7
4
2
11
5
1
7
16
14
9
17
8
FIT
1:1
100%

Артикул

Название

Примечание

Количество

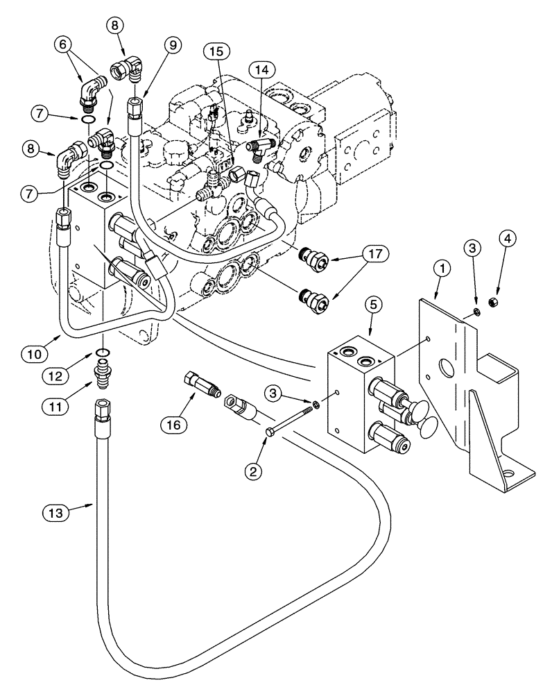
1

305166A2

SUPPORT

1шт.

2

814-6080

BOLT,Hex, M6 x 1 x 80mm, Cl 8.8

2шт.

3

895-11006

WASHER,6.6mm ID x 12mm OD x 1.6mm Thk

4шт.

4

832-41306

NUT,M6 x 1, Cl 10

2шт.

5

281117A2

PUMP

See Figure 07-07

1шт.

6

218-5105

ELBOW,90 Degree Elbow, 9/16" - 18 Male JIC x 9/16" - 18 Male ORB

9/16 fl x Or, Includes: Ref. 7

2шт.

8

218-980

ELBOW,90 Degree, 9/16"-18, 37 Degree x 9/16"-18, 37 Degree Fem Sw

2шт.

9

293222A1

HOSE ASSY.

To Brakes, 635 mm (25 in.)

1шт.

10

293221A2

HOSE ASSY.

From Tandem Pump, 530 mm (20-7/8 in.)

1шт.

11

218-5057

HYD CONNECTOR,9/16" - 18 JIC x 9/16" - 18 ORB

Incl. Ref. 12

1шт.

13

281132A1

HOSE ASSY.

1500 mm (59-1/8 in.)

1шт.

14

218-593

TEE,9/16"-18, 37 Degree

9/16 fl x fl x fl

1шт.

15

218-754

CAP,37 Degree, 9/16"-18

1шт.

16

218-5222

TEE,37 Degree, 9/16"-18, x 9/16"-18, Fem Sw Run

1шт.

17

221312A1

BY-PASS VALVE

4шт.

7

237-6006

O-RING,0.078" Thk x 0.468" ID, -906, Cl 6, 90 Duro

1шт.

Part of elbow P/N 218-5105

1шт.

12

237-6006

O-RING,0.078" Thk x 0.468" ID, -906, Cl 6, 90 Duro

1шт.

Part of connector P/N 218-5057

1шт.

Выбрано товаров: 19