Запчасти Case IH 85XT (04-23) - WIPER, WINDSHIELD WASHER, WINDSHIELD, NORTH AMERICAN MODELS -JAF0352233, EUROPEAN MODELS -JAF0352714 (04) - ELECTRICAL SYSTEMS

Схема запчастей Case IH 85XT - (04-23) - WIPER, WINDSHIELD WASHER, WINDSHIELD, NORTH AMERICAN MODELS -JAF0352233, EUROPEAN MODELS -JAF0352714 (04) - ELECTRICAL SYSTEMS
30
2
14
17
19
31
10
4
13
5
22
26
20
20
18
8
6
28
29
33
24
12
16
20
23
32
15
7
25
21
3
1
17
11
9
FIT
1:1
100%

Артикул

Название

Примечание

Количество

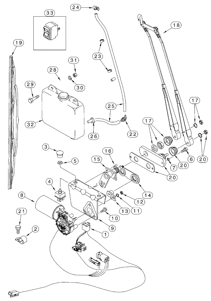
1

255732A2

HARNESS

Wiper Motor, Replaces: 255732A1

1шт.

2

515-21127

CLAMP,1/2", Insul, 1/4" Bolt

1шт.

3

111282C1

KNOB

1шт.

4

R52415

ROTARY SWITCH

1шт.

5

A42561

JAM NUT,Hex, 7/16" - 28, RH Thd

7/16

1шт.

6

414-412

BOLT,Hex, 1/4" - 28 x 3/4", Gr 5

1/4 NF x 3/4

1шт.

7

495-11028

WASHER,1/4", SAE

(9/32 x 5/8 x 1/16")

1шт.

233525A2

ASSEMBLY

Consists Of: Ref. 8 - 20, 22 - 25

1шт.

284332A1

WIPER MOTOR

MOTOR, WIPER Consists Of: Ref.8 - 17

1шт.

8

A186256

WIPER MOTOR,12V

12V

1шт.

Part of assembly P/N 233525A2

1шт.

Part of wiper motor P/N 284332A1

1шт.

9

N8359

SUPPORT

1шт.

Part of assembly P/N 233525A2

1шт.

Part of wiper motor P/N 284332A1

1шт.

10

841-4618

SCREW,Hex Washer , M6 x 18mm, Cl 4.8

M6 x 18

3шт.

Part of assembly P/N 233525A2

1шт.

Part of wiper motor P/N 284332A1

1шт.

11

N8361

SPRING WASHER

1шт.

Part of assembly P/N 233525A2

1шт.

Part of wiper motor P/N 284332A1

1шт.

12

825-1408

NUT,M8, Cl 8

1шт.

Part of assembly P/N 233525A2

1шт.

Part of wiper motor P/N 284332A1

1шт.

13

N8360

SUPPORT

1шт.

Part of assembly P/N 233525A2

1шт.

Part of wiper motor P/N 284332A1

1шт.

14

292196A1

PITMAN

1шт.

Part of assembly P/N 233525A2

1шт.

Part of wiper motor P/N 284332A1

1шт.

15

292195A1

PIVOT

1шт.

Part of assembly P/N 233525A2

1шт.

Part of wiper motor P/N 284332A1

1шт.

16

N8356

SCREW,Phillips Drive, Flat HD, M5 x 8mm

4шт.

Part of assembly P/N 233525A2

1шт.

Part of wiper motor P/N 284332A1

1шт.

17

N8355

SET OF PARTS

1шт.

Part of assembly P/N 233525A2

1шт.

Part of wiper motor P/N 284332A1

1шт.

18

284333A1

WIPER ARM

ARM, WIPER

1шт.

Part of assembly P/N 233525A2

1шт.

19

284334A1

WIPER BLADE

BLADE, WIPER

1шт.

Part of assembly P/N 233525A2

1шт.

20

N8354

SET OF PARTS

Drive

1шт.

Part of assembly P/N 233525A2

1шт.

21

779-14613

SELF-TAP SCREW,Hex Hd, M6.3 x 13

1шт.

22

322650A1

HYD CONNECTOR

1шт.

Part of assembly P/N 233525A2

1шт.

23

325378A1

CLIP,ELECTRICAL

2шт.

Part of assembly P/N 233525A2

1шт.

24

325379A1

ORIFICE RING

1шт.

Part of assembly P/N 233525A2

1шт.

25

325381A1

LARGE HOSE

HOSE,LARGE

1шт.

Part of assembly P/N 233525A2

1шт.

26

248-1210

GROMMET,1/4" ID x 1" x .062", Diag Cut

3/4, Not Illustrated

2шт.

28

321387A1

SPACER

2шт.

29

814-8045

BOLT,Hex, M8 x 1.25 x 45mm, Cl 8.8

2шт.

31

832-41308

NUT,M8 x 1.25, Cl 10

2шт.

32

322651A1

RESERVOIR ASSY.

1шт.

33

322782A2

SWITCH

Replaces: 322782A1

1шт.

30

895-11008

WASHER,9mm ID x 16mm OD x 1.6mm Thk

2шт.

Выбрано товаров: 61