Запчасти Case IH 85XT (06-06) - HYDROSTATICS PUMP AND DRIVE MOTORS, NORTH AMERICAN MODELS -JAF0352233, EUROPEAN MODELS -JAF0352714 (06) - POWER TRAIN

Схема запчастей Case IH 85XT - (06-06) - HYDROSTATICS PUMP AND DRIVE MOTORS, NORTH AMERICAN MODELS -JAF0352233, EUROPEAN MODELS -JAF0352714 (06) - POWER TRAIN
9
11
13
4
11
16
23
6
4
8
22
3
17
7
3
20
2
6
12
21
14
20
5
19
2
7
18
1
8
10
24
15
FIT
1:1
100%

Артикул

Название

Примечание

Количество

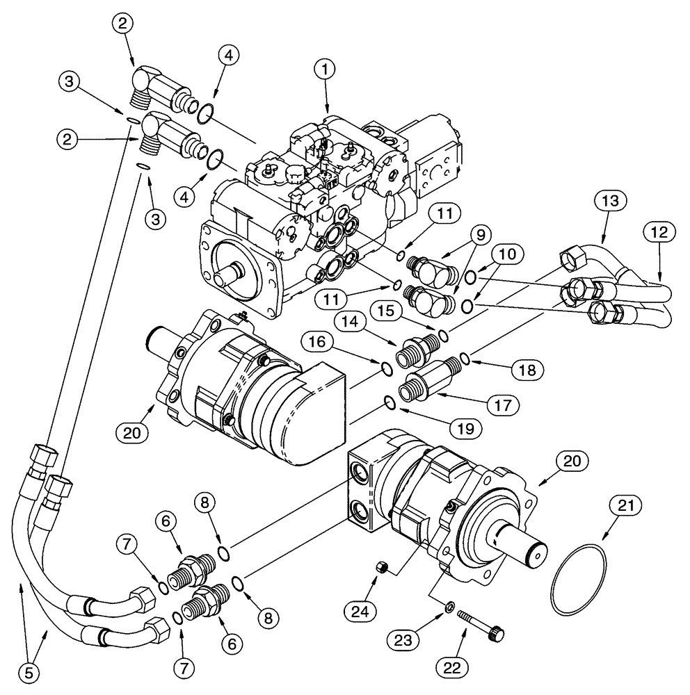
1

REF

INSTRUCTION

PUMP Tandem, See Page(s) 6-10 thru 6-14

1шт.

2

201-379

ELBOW,90 Degree Elbow, 1-7/16" - 12 Male ORFS x 1-5/16" - 12 Male ORB

1-7/16 fc x 1-5/16 Or, Includes: Ref. 3 and 4

2шт.

4

237-6016

O-RING,0.116" Thk x 1.171" ID, -916, Cl 6, 90 Duro

1шт.

Part of elbow P/N 201-379

1шт.

5

276585A1

HOSE ASSY.,19.05mm ID x 510mm L

510 mm (20-1/8 in)

2шт.

6

201-105

HYD CONNECTOR,1-7/16" - 12 Male ORFS x 1-5/16" - 12 Male ORB

Incl. Ref. 7 and 8

2шт.

8

237-6016

O-RING,0.116" Thk x 1.171" ID, -916, Cl 6, 90 Duro

1шт.

Part of connector P/N 201-105

1шт.

9

201-308

ELBOW,90 Degree Elbow, 1-7/16" - 12 Male ORFS x 1-5/16" - 12 Male ORB

1-7/16 fc x 1-5/16 Or, Includes: Ref. 10 and 11

2шт.

11

237-6016

O-RING,0.116" Thk x 1.171" ID, -916, Cl 6, 90 Duro

1шт.

Part of elbow P/N 201-308

1шт.

12

276583A1

HOSE ASSY.,3.17mm ID x 560mm L

560 mm (22-1/8 in.)

1шт.

13

276584A1

HOSE ASSY.,19.05mm ID x 500mm L

500 mm (19-3/4 in.)

1шт.

14

201-105

HYD CONNECTOR,1-7/16" - 12 Male ORFS x 1-5/16" - 12 Male ORB

Incl. Ref. 15 and 16

1шт.

16

237-6016

O-RING,0.116" Thk x 1.171" ID, -916, Cl 6, 90 Duro

1шт.

Part of connector P/N 201-105

1шт.

17

201-167

HYD CONNECTOR,1 7/16"-12 x 1 5/16"-12, ORFS LG

1-7/16 fc x 1-5/16 Or, Includes: Ref. 18 and 19

1шт.

19

237-6016

O-RING,0.116" Thk x 1.171" ID, -916, Cl 6, 90 Duro

1шт.

Part of fitting P/N 201-167

1шт.

20

349157A2

MOTOR, HYDRAULIC

See Figure 06-18, Replaces: 259534A1

2шт.

20

87703266

HYDRAULIC MOTOR

Replaces 349157A2; See Fig 06-18A, Must order Ref. 20 Brake Assembly for proper Substitution

2шт.

20

87703266R

Remanufactured Hydraulic Motor

REMAN-HYD MOTOR

2шт.

20

87703266C

Return Number

CORE-MOTOR HYDRAULIC

2шт.

20

359619A2

BRAKE ASSY.

Order If Replacing Motor 349157A2 with 87703266

2шт.

21

238-5164

O-RING,0.103" Thk x 6.25" ID, -164, Cl 5, 75 Duro

2шт.

22

319619A1

BOLT,M16 x 2 x 60mm, Cl 10.9

M16 x 60; 10.9

8шт.

23

496-81004

WASHER,41/64" x 1.047" x .134", HDN

41/64 x 1-15/32 x 5/32, Replaces: 892-11016

8шт.

24

832-41316

NUT,M16 x 2, Cl 10

4шт.

3

238-6021

O-RING,15/16 X 1 - 1/16, Cl 6

1шт.

Part of elbow P/N 201-379

1шт.

7

238-6021

O-RING,15/16 X 1 - 1/16, Cl 6

1шт.

Part of connector P/N 201-105

1шт.

10

238-6021

O-RING,15/16 X 1 - 1/16, Cl 6

1шт.

Part of elbow P/N 201-308

1шт.

15

238-6021

O-RING,15/16 X 1 - 1/16, Cl 6

1шт.

Part of connector P/N 201-105

1шт.

18

238-6021

O-RING,15/16 X 1 - 1/16, Cl 6

1шт.

Part of fitting P/N 201-167

1шт.

Выбрано товаров: 38