Запчасти Case IH 85XT (04-04) - BATTERY - CABLES (04) - ELECTRICAL SYSTEMS

Схема запчастей Case IH 85XT - (04-04) - BATTERY - CABLES (04) - ELECTRICAL SYSTEMS
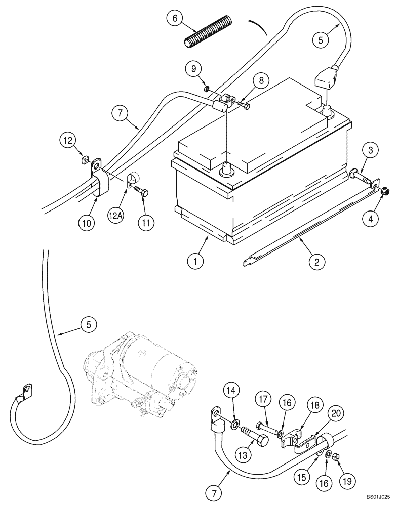
1
7
12a
19
10
14
13
15
16
18
3
16
6
8
9
12
4
20
17
5
7
5
2
11
FIT
1:1
100%

Артикул

Название

Примечание

Количество

1

B4925

WET BATTERY

12V; 700CCA; Dry; Wet Battery Used In Production; Order From Ship Direct; Replaces 234050A1

1шт.

1

B4960

WET BATTERY

850CCA; If Used

1шт.

2

221592A1

STEM

1шт.

3

811-8035

CARRIAGE BOLT,Sht Sq Nk, M8 x 1.25 x 35mm, Cl 8.8

M8 x 35

1шт.

4

825-5148

SERRATED NUT,M8, Flg Ser

1шт.

5

429505A1

CABLE

Positive

1шт.

6

279946A1

LOOM

1шт.

7

338030A1

CABLE ASSY.

Negative

1шт.

8

NSS

NOT SOLD SEPARAT

Bolt

1шт.

9

NSS

NOT SOLD SEPARAT

Nut, Lock

1шт.

10

H434289

MOUNTING CLIP,7/8”, Insulated, 1/2” Bolt

1шт.

11

16043224

BOLT,Hex, M8 x 16mm, Cl 8.8

Replaces 614-8016

1шт.

12

229197A1

SQUARE NUT,M8 x 1.25, Cl 8

M8

1шт.

12a

515-22270

CLAMP,1-1/16", Insul, 5/16" Bolt

1-1/16 ID

1шт.

13

627-12030

BOLT,Hex, M12 x 1.75 x 30mm, Cl 10.9, Full Thd

1шт.

14

86625256

WASHER,13.3mm ID x 28.5mm OD x 4mm Thk

1шт.

15

515-24349

CLAMP,1 3/8", Insul, 7/16" Bolt

1шт.

16

895-11010

WASHER,11mm ID x 20mm OD x 2mm Thk

2шт.

17

814-10050

BOLT,Hex, M10 x 1.5 x 50mm, Cl 8.8

1шт.

18

D120679

CLAMP,Tube, 1/2"

1шт.

19

832-41410

NUT,M10 x 1.5, Cl 10

1шт.

20

D120614

CLAMP,25mm W x 68mm L x 9mm Thk

1шт.

Выбрано товаров: 22