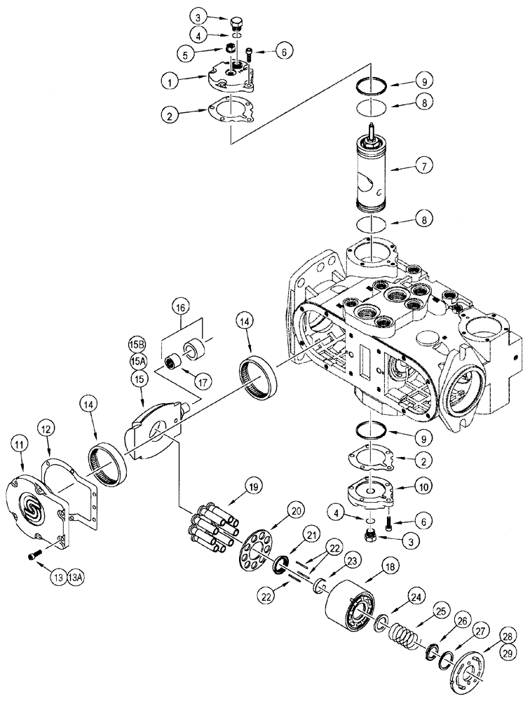
Запчасти Case IH 90XT (06-17) - PUMP, TANDEM, CYLINDER BLOCK AND PISTON (06) - POWER TRAIN

Схема запчастей Case IH 90XT - (06-17) - PUMP, TANDEM, CYLINDER BLOCK AND PISTON (06) - POWER TRAIN
15
7
22
26
8
3
3
29
4
1
4
14
9
19
25
8
18
12
17
24
6
11
14
9
10
5
27
23
22
2
2
15b
20
15a
13a
13
21
6
28
16
FIT
1:1
100%

Артикул

Название

Примечание

Количество

REF

INSTRUCTION

PUMP Tandem, See Figure 6-15, Consists Of: 6-16 - 6-19

1шт.

1

291125A1

COVER

Rod End

2шт.

2

373328A1

GASKET

Replaces: 233038A1

4шт.

3

9625178

PLUG,9/16" - 18 ORB

Incl. Ref 4

4шт.

5

233029A1

NUT

2шт.

6

233004A1

SCREW

20шт.

259495A1

SET OF PARTS

Consists Of: 7 - 9

2шт.

7

NSS

NOT SOLD SEPARAT

PISTON

1шт.

Part of P/N 259495A1

1шт.

233042A1

PACKAGE

Consists Of: 8, 9

1шт.

8

238-5139

O-RING,0.103" Thk x 2.175" ID, -139, Cl 5, 75 Duro

2шт.

Part of P/N's 259495A1, 233042A1

1шт.

9

291278A1

PISTON RING

2шт.

Part of P/N's 259495A1, 233042A1

1шт.

10

233047A1

COVER

Plain End

2шт.

11

259479A1

COVER

If Used

2шт.

11

373305A1

COVER

If Used

2шт.

12

373327A1

GASKET

Replaces: 259493A1

2шт.

13

259480A1

SCREW

Component Of 259624A1, See Figure 6-15

12шт.

13a

324791A1

SCREW

Component Of 320270A2, 349475A1, See Figure 6-15

12шт.

14

233009A1

BEARING, NEEDLE

4шт.

15

233010A1

LARGE PLATE

PLATE, LARGE Component Of 259624A1, See Figure 6-15

2шт.

15a

324793A1

PLATE

Component Of 320270A2, 349475A1, See Figure 6-15

2шт.

15b

373330A1

PLATE

Component Of 357006A1, 357009A

2шт.

16

291114A1

BEARING ASSY

Includes: Ref. 17

2шт.

17

233012A1

BEARING, NEEDLE

1шт.

Part of P/N 291114A1

1шт.

233039A1

PACKAGE

Consists Of: 18 - 27

2шт.

18

NSS

NOT SOLD SEPARAT

BLOCK

1шт.

19

291277A1

PISTON

9шт.

20

291276A1

LARGE PLATE

PLATE, LARGE

1шт.

21

291275A1

GUIDE

1шт.

22

291274A1

PIN

3шт.

23

117382A1

SPLIT PIN/SAFETY PIN

1шт.

24

115950A1

WASHER

1шт.

25

176373A1

SPRING

1шт.

26

176372A1

WASHER

1шт.

27

102-22162

SNAP RING,43.20mm ID, Int, Spiral

1шт.

28

233008A1

LARGE PLATE

PLATE, LARGE Front Pump

1шт.

29

233005A1

LARGE PLATE

PLATE, LARGE Rear Pump

1шт.

4

237-6006

O-RING,0.078" Thk x 0.468" ID, -906, Cl 6, 90 Duro

1шт.

Part of P/N 218-5209

1шт.

Выбрано товаров: 42