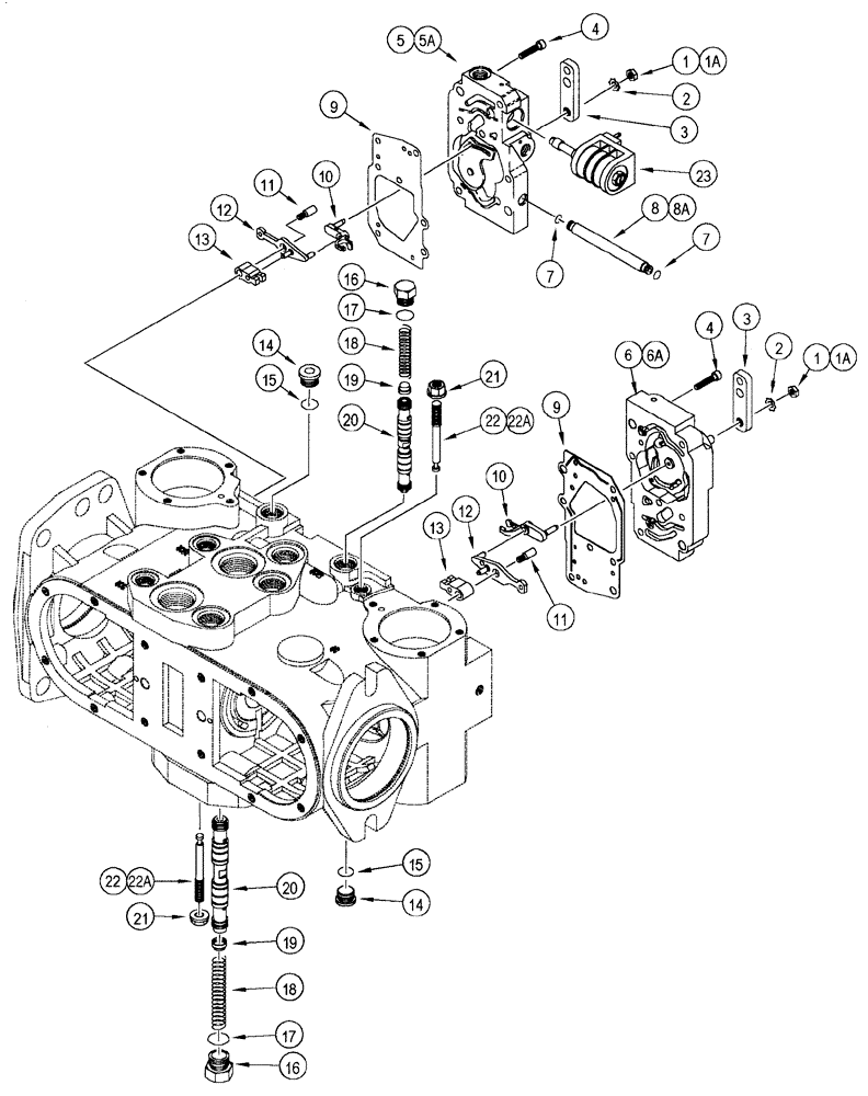
Запчасти Case IH 90XT (06-18) - PUMP, TANDEM, CONTROL (06) - POWER TRAIN

Схема запчастей Case IH 90XT - (06-18) - PUMP, TANDEM, CONTROL (06) - POWER TRAIN
22
6
7
9
8a
21
15
23
2
20
13
3
6a
19
10
2
5a
1a
15
1
18
3
11
4
20
22a
4
16
22a
10
1a
14
22
13
5
17
9
1
7
18
11
17
21
8
16
19
14
12
12
FIT
1:1
100%

Артикул

Название

Примечание

Количество

REF

INSTRUCTION

PUMP Tandem, See Figure 6-15, Consists Of 6-16 - 6-19

1шт.

1

105693A1

NUT

Component Of 259624A1, See Figure 6-15

2шт.

1a

324796A1

NUT

Component Of 320270A2, 349475A1

2шт.

2

493-41033

LOCK WASHER,0.33" ID x 0.61" OD x 0.03" Thk

2шт.

3

259487A1

LEVER

2шт.

4

233022A1

SCREW

34шт.

5

259488A1

CONTROL

Front Pump, See Figure 6-20, Component of 259624A1, See Figure 6-15, No Longer Available, Order 372446A1, 372551A1

1шт.

5a

320273A1

SET OF PARTS

Front Pump, Component Parts Not Serviced Separately Component Of 320270A2, See Figure 6-15, No Longer Available, Order 372446A1, 372551A1

1шт.

5a

372551A1

KIT

Front Pump, Component Parts Not Serviced Separately Component Of 357009A1, See Figure 6-15, No Longer Used, Order 436130A1

1шт.

5a

436130A1

KIT

Front Pump, Incl. 436129A1, 436132A1, Not Illustrated Separately; Component Of 433903A1, See Figure 6-15

1шт.

436129A1

RING, SNAP

RING SNAP

1шт.

436132A1

SWITCH

Backup Alarm

1шт.

5b

372446A1

KIT

Not Illustrated

1шт.

6

259489A1

CONTROL

Rear Pump, See Figure 6-21, Component Of 259624A1, See Figure 6-15, No Longer Available, Order 320274A1

1шт.

6a

320274A1

SET OF PARTS

Rear Pump, Component Parts Not Serviced Separately, Component Of 320270A2, 357006A1, See Figure 6-15, No Longer Available, Order 436131A1

1шт.

6a

436131A1

KIT

Rear Pump, Incl. 436129A1, 436132A1, Not Illustrated Separately; Component Of 433906A1, See Figure 6-15

1шт.

436129A1

RING, SNAP

RING SNAP

1шт.

436132A1

SWITCH

Backup Alarm

1шт.

7

238-6011

O-RING,0.07" Thk x 0.301" ID, -11, Cl 6, 90 Duro

2шт.

8

233031A1

TUBE

Component Of 259624A1, See Figure 6-15

1шт.

8a

324798A1

TUBE

Component Of 320270A2, 349475A1, 433906A1, See Figure 6-15

1шт.

9

233035A1

GASKET

2шт.

10

233024A1

JOINT

Control Spool

2шт.

11

233023A1

SCREW

2шт.

12

233026A1

JOINT

Feedback

2шт.

13

233027A1

JOINT

Adjustment

2шт.

14

71100209

PLUG,Hex Soc, 3/4"-16 ORB

Incl Ref 15

2шт.

15

237-6008

O-RING,0.087" Thk x 0.644" ID, -908, Cl 6, 90 Duro

1шт.

Part of P/N 218-5210

1шт.

16

291791A1

PLUG

Includes: Ref. 17

2шт.

17

237-6008

O-RING,0.087" Thk x 0.644" ID, -908, Cl 6, 90 Duro

2шт.

Part of P/N 291791A1

1шт.

291115A1

SPOOL

consists of: 18 - 20

2шт.

18

291117A1

SPRING

1шт.

Part of P/N 291115A1

1шт.

19

291120A1

SPRING SEAT

1шт.

Part of P/N 291115A1

1шт.

20

291116A1

SPOOL

1шт.

Part of P/N 291115A1

1шт.

21

233029A1

NUT

2шт.

22

233028A1

SET SCREW

Component Of 259624A1, See Figure 6-15

2шт.

22a

324795A1

SET SCREW

Component Of 320270A2, 349475A1, 433906A1, See Figure 6-15

2шт.

23

372552A1

SOLENOID

Neutral Override, Purchase Separately, Also Order 372446A1

1шт.

Выбрано товаров: 43