Запчасти Case IH 90XT (08-57) - HYDRAULIC SYSTEM BACKHOE SWING CYLINDER NORTH AMERICA, D125 BACKHOE W/ HOSES AT CONTROL VALVE (08) - HYDRAULICS

Схема запчастей Case IH 90XT - (08-57) - HYDRAULIC SYSTEM BACKHOE SWING CYLINDER NORTH AMERICA, D125 BACKHOE W/ HOSES AT CONTROL VALVE (08) - HYDRAULICS
6
7
2
7
5
9
2
3
1
4
6
4
8
5
FIT
1:1
100%

Артикул

Название

Примечание

Количество

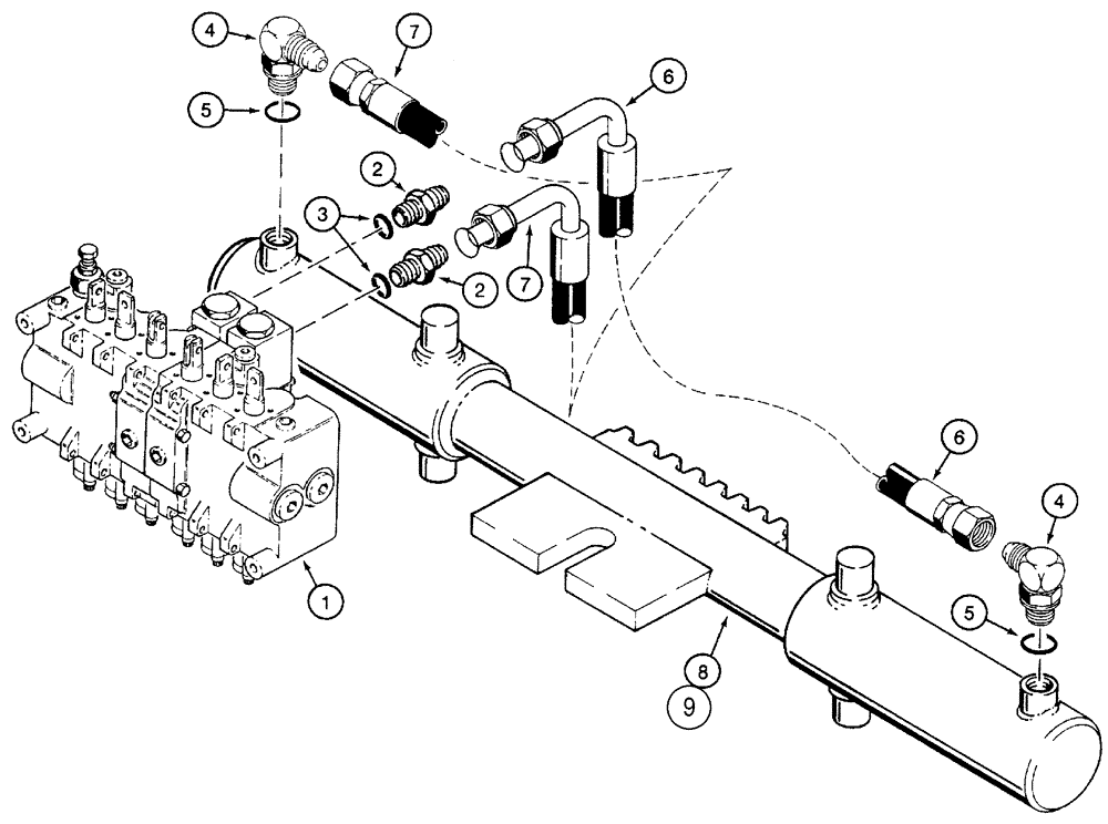
1

H674500

VALVE

Backhoe, See Figures 8-56 - 8-68

1шт.

2

218-5059

HYD CONNECTOR,3/4"-16, 37 Degree x 3/4"-16, O-Ring

Incl. Ref 3

2шт.

3

237-6008

O-RING,0.087" Thk x 0.644" ID, -908, Cl 6, 90 Duro

1шт.

Part of P/N 218-5059

1шт.

4

H439269

ELBOW

Includes: Ref. 5

2шт.

5

237-6008

O-RING,0.087" Thk x 0.644" ID, -908, Cl 6, 90 Duro

1шт.

Part of P/N H439269

1шт.

6

H439060

HOSE

1270 mm (50 in), Right Hand

1шт.

7

H439061

HOSE

1040 mm (41 in), Left Hand

1шт.

8

H673149

CYLINDER ASSY.

70 ID x 254 mm strk, Swing, See Figure 8-69, No Longer Available, Order 379623A1

1шт.

9

379623A1

CYLINDER ASSY.,Double Acting, 60.8mm Rod, 254mm Stroke

70 ID x 254 mm strk, Swing, See Figure 8-69

1шт.

Выбрано товаров: 11