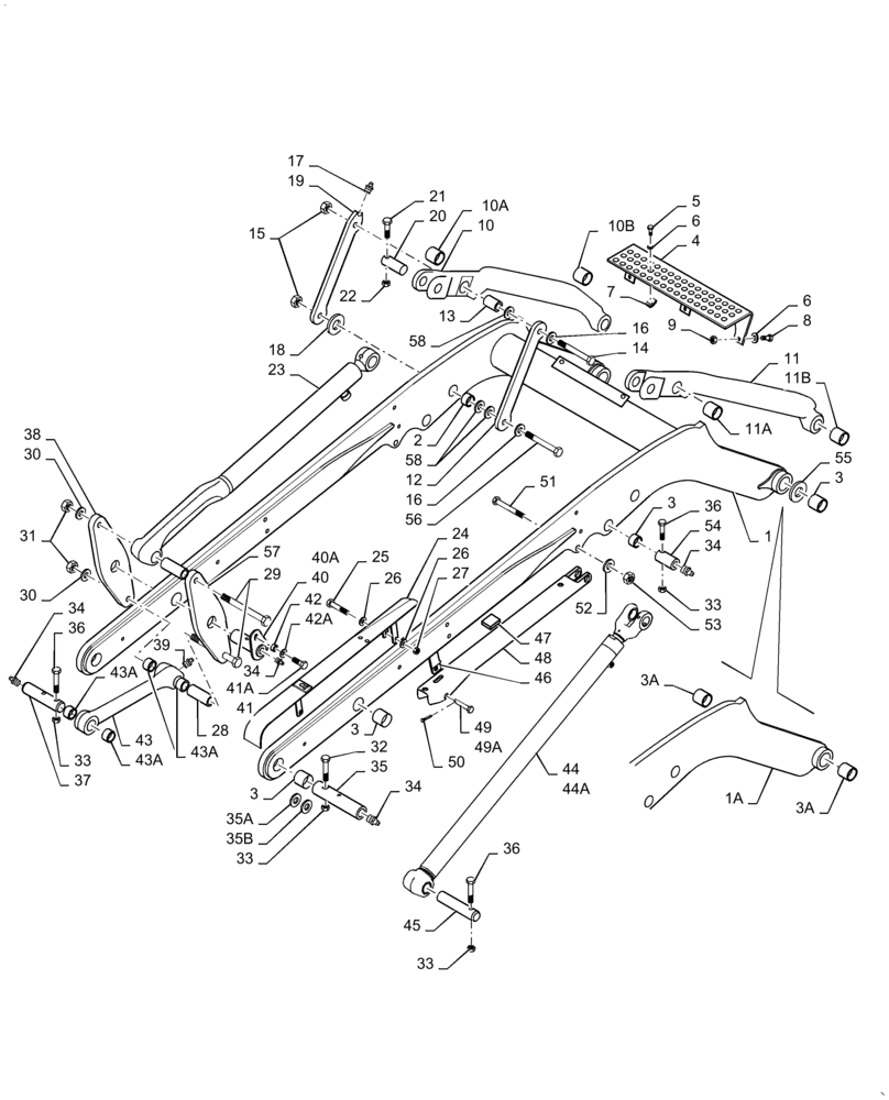
Запчасти Case IH 90XT (09-01) - FRAME LOADER LIFT (09) - CHASSIS

Схема запчастей Case IH 90XT - (09-01) - FRAME LOADER LIFT (09) - CHASSIS
4
52
8
3a
6
35
20
46
3
11b
56
16
33
30
3
49a
58
57
47
33
42
36
30
28
40a
11a
15
34
23
50
35b
15
58
26
34
3a
37
12
6
36
21
10b
41a
24
41
38
19
18
11
13
54
9
home
5
55
31
35a
10
33
43a
43
36
53
3
2
44a
32
43a
7
1
39
48
3
51
14
49
17
45
27
34
40
43a
25
29
10a
44
1a
22
34
33
16
26
42a
FIT
1:1
100%

Артикул

Название

Примечание

Количество

282378A1

ARM ASSY.

Loader, With One Bushing At Coupler Pivot, Includes: Ref. 1, 2, 3, Used In Production, For Service Order 307159A1, Ref. 1, If Used

1шт.

407161A1

ARM Loader, With Two Bushings At Coupler Pivot, Includes: Ref. 1A, 2, 3, 3A, Used In Production, For Service Order 429488A1, Ref. 1A, If Used

1шт.

1

307159A1

ARM

Includes: 282378A1, With One Bushing At Coupler Pivot, Also Includes: Ref. 2, 3, Also Includes Decals 2, 3, See Page(s) 9-187, Also Includes Decals 15, See Page(s) 9-193, Also Includes Decals 3, 4, 5, 10, See Page(s) 9-197

1шт.

1a

429488A1

ARM

Includes: 407161A1, With Two Bushings At Coupler Pivot, Also Includes: Ref. 2, 3, 3A, Also Includes Decals 2, 14, See Page(s) 9-187, 9-189, Also Includes Decals 15, See Page(s) 9-193, Also Includes Decals 3, 4, 5, 10, See Page(s) 9-197

1шт.

2

188101A1

BUSHING,38.15mm ID x 48mm OD x 32mm L

4шт.

3

243267A1

BUSHING,45.19mm ID x 55mm OD x 50mm L

4-6шт.

3a

141008A1

BUSHING,45.19mm ID x 55mm OD x 30mm L

Used with Ref 1A

4шт.

Part of P/N 429488A1

1шт.

4

245828A1

SHEET ASSY.

620 mm (24-13/32 in) Wide, Step, Upper, North American Models -JAF0320049, European Models -JAF0274261

1шт.

4

432328A1

STEP

476 mm (18-3/4 in) Wide, North American Models JAF0320050-, European Models JAF0274262-

1шт.

5

614-8025

BOLT,Hex, M8 x 1.25 x 25mm, Cl 8.8, Full Thd

2шт.

6

895-11008

WASHER,9mm ID x 16mm OD x 1.6mm Thk

5шт.

7

122158A1

NUT,M8, U

2шт.

8

614-8016

BOLT,Hex, M8 x 1.25 x 16mm, Cl 8.8, Full Thd

3шт.

9

229197A1

SQUARE NUT,M8 x 1.25, Cl 8

M8

3шт.

10

229840A2

ROD, CONNECTING

Left Hand, Includes: Ref. 10A, 10B

1шт.

10a

243266A1

BUSHING,38.15mm ID x 48mm OD x 50mm L

1шт.

Part of P/N 229840A2

1шт.

10b

243311A1

BUSHING,35.15mm ID x 45mm OD x 50mm L

1шт.

Part of P/N 229840A2

1шт.

11

229839A2

ROD, CONNECTING

Right Hand, Includes: Ref. 11A, 11B

1шт.

11a

243266A1

BUSHING,38.15mm ID x 48mm OD x 50mm L

1шт.

Part of P/N 229839A2

1шт.

11b

243311A1

BUSHING,35.15mm ID x 45mm OD x 50mm L

1шт.

Part of P/N 229839A2

1шт.

12

291629A1

POWER ARM

Inner

2шт.

13

303620A1

PIN

Replaces: 187199A1

2шт.

14

420-21072

CARRIAGE BOLT,#3, 5/8" - 11 x 4 1/2", Gr 8

5/8 x 4-1/2; 8

2шт.

15

232-41110

NUT,5/8"-11, GC

4шт.

16

896-11016

WASHER,17.5mm ID x 30mm OD x 4mm Thk

4шт.

17

219-8

LUBE NIPPLE,1/4" - 28 NPTF

No Longer Used, Order 80714

4шт.

18

254206A1

SPACER,38.35mm ID x 82.50mm OD x 8.70/9.50mm Thk

Loader Bucket

2шт.

19

243268A1

ROD, CONNECTING

Outer

2шт.

20

243341A1

PIN

2шт.

21

814-10100

BOLT,Hex, M10 x 1.5 x 100mm, Cl 8.8

2шт.

22

832-41410

NUT,M10 x 1.5, Cl 10

2шт.

23

REF

INSTRUCTION

CYLINDER

2шт.

24

282376A1

SUPPORT

2шт.

25

814-8070

BOLT,Hex, M8 x 1.25 x 70mm, Cl 8.8

4шт.

26

895-11008

WASHER,9mm ID x 16mm OD x 1.6mm Thk

8шт.

27

832-41408

NUT,M8 x 1.25, Cl 10

M8

4шт.

28

187208A1

PIN,38mm OD x 105.5mm L

4шт.

29

87564737

BOLT

Bolt, Plow 5/8"-11 X 6.00 Gr 5

4шт.

29

827-16150

BOLT,Hex, M16 x 2 x 150mm, Cl 10.9

No Longer Used, Order 87564737

4шт.

30

86625266

WASHER,17.5mm ID x 30mm OD x 4mm Thk

Replaces 896-11016

4шт.

31

85700693

NUT,5/8" - 11, Gr C

4шт.

31

86512555

NUT,M16 x 2, Cl 10

No Longer Used, Order 85700693; Replaces 832-41416

4шт.

32

120075

BOLT,M10 x 1.5 x 106.58mm, Cl 8.8

Replaces 814-10100

2шт.

33

86512554

NUT,M10 x 1.5, Cl 10

Replaces 832-41410

8шт.

34

219-1

LUBE NIPPLE,1/8" - 27 NPTF

8шт.

35

250997A1

PIN,45mm OD x 192mm L

2шт.

35a

495-81234

WASHER,1.81" ID x 2.5" OD x 0.07" Thk

1-13/16 x 2-1/2 x 1/16

1шт.

35b

95-81152

WASHER,1 13/16" x 2 3/4" x .109"

1-13/16 x 2-3/4 x 1/8

1шт.

36

814-10090

BOLT,Hex, M10 x 1.5 x 90mm, Cl 8.8

6шт.

37

188255A2

PIN,38mm OD x 192mm L

2шт.

38

243424A1

ROD, CONNECTING

4-2шт.

39

219-86

LUBE NIPPLE,1/8" NPTF

No Longer Used, Order 80714

2шт.

40

187041A1

LARGE PIN

PIN, LARGE .531 mm Slot, No Longer Available, Order 187041A2, Ref. 40A

2шт.

40a

187041A2

PIN

.875 mm slot

2шт.

41

627-12025

BOLT,Hex, M12 x 1.75 x 25mm, Cl 10.9, Full Thd

Used without Spacer

2шт.

41a

9824642

BOLT,M12 x 1.75 x 42.68mm, Cl 10.9

M12 x 35; 10.9, Used With Spacer, Ref. 42A; Replaces 627-12035

2шт.

42

896-15012

WASHER,13.5mm ID x 28mm OD x 4mm Thk

13.5 x 28 x 4 mm

2шт.

42a

49335K

SPACER,1/2" X-Strng Pipe x .406"

2шт.

43

229843A2

ROD, CONNECTING

2шт.

43a

141006A1

BUSHING,38.15mm ID x 48mm OD x 23.5mm L

4шт.

44

279485A2

CYLINDER ASSY.

57 ID x 970 mm strk, Loader Lift, No Longer Available, For Left Hand Order Cylinder, Tube and Plug 308258A2, 301349A1, 218-5059, No Longer Available, For Right Hand Order Cylinder, Tube and Plug 308258A2, 301346A1, 218-5059, See Page(s) 8-101, 8-41

2шт.

44

308258A2R

REMAN-HYD CYLINDER

90XT ; Reman for New P/N 279485A2

2шт.

44

308258A2C

REMAN-HYD CYLINDER

Return Number

2шт.

44a

308258A2

CYLINDER ASSY.,Double Acting, 44.4mm Rod, 970mm Stroke

57 ID x 970 mm strk, Loader Lift, Replaces: 308258A1, See Page(s) 8-103, 8-21

2шт.

44a

308258A2R

REMAN-HYD CYLINDER

90XT

2шт.

44a

308258A2C

REMAN-HYD CYLINDER

Return Number

2шт.

44b

231726A3

SEAL KIT

Cylinder

1шт.

45

250998A1

PIN,38mm OD x 192mm L

2шт.

46

248-2198

GROMMET,3/8" ID x 5/8" Groove Dia

1шт.

47

D79692

PAD

1шт.

48

230466A3

STRUT

1шт.

49

D79998

PIN

3/8 x 3, If Used, Replaced: by 49A

1шт.

49a

86979987

HEADED PIN,1/2" x 3", G5

Replaces 439-5848

1шт.

50

86624096

COTTER PIN,Int, 3/16 x .080"

Replaces 136-159

1шт.

51

814-20090

BOLT,Hex, M20 x 2.5 x 90mm, Cl 8.8

M20 x 90

1шт.

52

896-11020

WASHER,22mm ID x 37mm OD x 4mm Thk

22 x 37 x 4 mm

1шт.

53

832-41420

NUT,M20 x 2.5, Cl 10

M20

1шт.

54

187216A2

PIN,38mm OD x 96mm L

2шт.

55

495-81226

WASHER,46.02mm ID x 63.5mm OD x 3.35mm Thk

1шт.

56

420-21064

CARRIAGE BOLT,#3, 5/8" - 11 x 4", Gr 8

5/8 x 4; 8

2шт.

57

87557375

LINK

2шт.

58

D143324

WASHER,38.15mm ID x 64mm OD x 1.7mm Thk

6шт.

Выбрано товаров: 0